电脑桌面
添加小米粒文库到电脑桌面
安装后可以在桌面快捷访问

强电(电气照明)系统施工工艺流程VIP专享

强电(电气照明)系统施工工艺流程_第1页
1/19
强电(电气照明)系统施工工艺流程_第2页
2/19
强电(电气照明)系统施工工艺流程_第3页
3/19
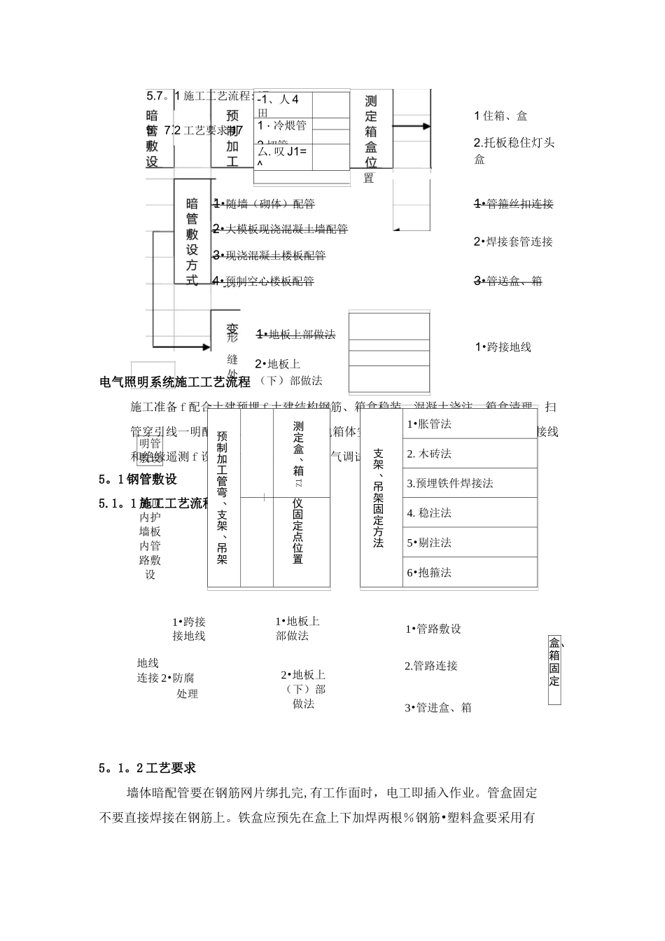
电气照明系统施工工艺流程 25。1 钢管敷设 25.1。1 施工工艺流程:25。1。2 工艺要求 35。1。3 钢管暗敷设 55。1。4 钢管明敷设 55。2 桥架、金属线槽的安装 75.2.1 施工工艺流程:75。2。2 工艺要求 75。3 管内穿线 85.3.1 施工工艺流程:85。3.2 工艺要求 85.4 灯具安装 115。4。1 施工工艺流程:115。4。2 工艺要求 115.5 配电箱(盘)安装 125。5。1 施工工艺流程:125.5.2 工艺要求 135。6 电缆敷设、电缆头制作、接线和线路绝缘测试 155。6.1 施工工艺流程:155.6.2 工艺要求 155。7 接地安装工程 175.7。1 施工工艺流程:175。7.2 工艺要求 17电气照明系统施工工艺流程施工准备 f 配合土建预埋 f 土建结构钢筋、箱盒稳装、混凝土浇注、箱盒清理、扫管穿引线一明配管路、二次配管、配电箱体安装、线槽安装一各系统穿电缆一接线和绝缘遥测 f 设备接线及器具安装 f 电气调试运行 f 竣工5。1 钢管敷设5.1。1 施工工艺流程:1•随墙(砌体)配管2•大模板现浇混凝土墙配管3•现浇混凝土楼板配管1•地板上部做法缝处-1、人 4田1・冷煨管2 切管厶.叹 J1=^置4•预制空心楼板配管1 住箱、盒2.托板稳住灯头盒1•管箍丝扣连接2•焊接套管连接3•管送盒、箱2•地板上(下)部做法1•跨接地线明管敷设吊顶内护墙板内管路敷设预制加工管弯、支架、吊架-测定盒、箱TZ-仪固定点位置支架、吊架固定方法1•胀管法2.木砖法3.预埋铁件焊接法4.稳注法5•剔注法6•抱箍法1•跨接接地线1•地板上部做法1•管路敷设地线连接 2•防腐处理2•地板上(下)部做法2.管路连接3•管进盒、箱盒、箱固定5。1。2 工艺要求墙体暗配管要在钢筋网片绑扎完,有工作面时,电工即插入作业。管盒固定不要直接焊接在钢筋上。铁盒应预先在盒上下加焊两根%钢筋•塑料盒要采用有穿筋孔的盒,配合时盒上附加的① 6 钢筋用火烧丝绑扎在钢筋网上固定牢固.根据设计图纸和洽商要求,确定箱盒的位置及标高。计算好箱盒上开孔数量、方向、及开孔位置,用专用工具(开孔器)开孔,严禁用气焊或电焊开孔.管入箱体位置要尽量贴近箱体底部,管路要排列整齐,不要斜入或成束。稳装箱盒时,箱盒口要尽量贴近模板或墙面,防止拆模后盒口过深。拆模后箱盒口距墙面、顶板不应超过 10mm。稳装箱盒时,在图纸给定标高基础上(以土建 50 线为标准)适当提高 20mm,以防止打完砼后标高降低。管路超过下列长度时应加接线盒:无弯时 30m 设置接线盒、...

1、当您付费下载文档后,您只拥有了使用权限,并不意味着购买了版权,文档只能用于自身使用,不得用于其他商业用途(如 [转卖]进行直接盈利或[编辑后售卖]进行间接盈利)。
2、本站所有内容均由合作方或网友上传,本站不对文档的完整性、权威性及其观点立场正确性做任何保证或承诺!文档内容仅供研究参考,付费前请自行鉴别。
3、如文档内容存在违规,或者侵犯商业秘密、侵犯著作权等,请点击“违规举报”。

碎片内容

强电(电气照明)系统施工工艺流程

确认删除?
VIP
微信客服
  • 扫码咨询
会员Q群
  • 会员专属群点击这里加入QQ群
客服邮箱
回到顶部