电脑桌面
添加小米粒文库到电脑桌面
安装后可以在桌面快捷访问

箱式变电站参数

箱式变电站参数_第1页
1/8
箱式变电站参数_第2页
2/8
箱式变电站参数_第3页
3/8
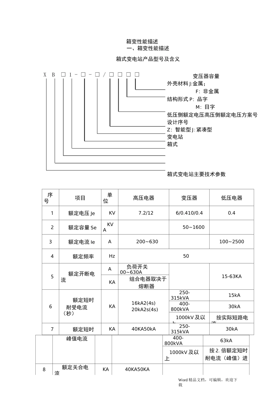
Word 精品文档,可编辑,欢迎下载箱式变电站参数Word 精品文档,可编辑,欢迎下载一、箱变性能描述箱式变电站产品型号及含义变压器容量外壳材料 J:金属;F:非金属结构形式 P:品字M:目字低压侧额定电压高压侧额定电压方案号设计序号Z:智能型 J:紧凑型变电站箱式箱式变电站主要技术参数序号项目单位高压电器变压器低压电器1额定电压 JeKV7.2/126/0.410/0.40.42额定容量 SeKVA50~16003额定电流 IeA200~630100~25004额定频率Hz505额定开断电流A负荷开关00~630A15-63KAKA组合电器取决于熔断器6额定短时耐受电流(秒)KA16kA2(4s)20kA2s(4s)250-315kVA15kA400-800kVA30kA1000kV 及以上按实际短路电流7额定短时KA40KA50kA250-315kVA30kA峰值电流400-800kVA63kA1000kV 及以上按 2.倍额定短时耐电流(峰值)进8额定关合电流KA40KA50KA箱变性能描述Word 精品文档,可编辑,欢迎下载9工频耐受电压1minKV相对地及相间/42油浸 35<300V 时 2KV隔离断口 34/48干式 28300~660V2.5KV10雷电冲击KV相对地及相间 0/75隔离断口 75/8560/7511噪音水平dB油浸<50干式<5512防护等级IP23D注:上表中数值为一般国产开关元件(FN11、12,DW45 等)技术参数,若选用高档元件或进口高档元件,表中技术参数可相应调整,等同于元件参数。箱式变电站结构特点箱体的材料是不可燃的,箱体的骨架尽可能采用型材组装,对于焊接的部位必须清除焊疤,锈迹,并采取有效的防腐、防锈措施。箱体外壳材料为金属或非金属材料制作,基座、箱体和一切外露金属部件均喷涂耐久的防护层。开设的百叶窗为人字形并具有防尘结构。箱体有足够的机械强度,在起吊、运输、安装过程中不易变形或损伤。并耐受以下的负荷和撞击:a)顶部负荷:——最小值为 2500N/m2(竖立负荷或其他负荷);——在车辆通行处(例如停车场)的地下安装的变电站顶部,最小值为 50kN,作用在600cm2 的表面上(830kN/m2);——雪负荷(根据当地气候条件确定);b)外壳上的风负荷;——风负荷按国标 GB/T11022-1999 要求;c)在面板、门和通风口的外部机械撞击:外部机械撞击的撞击能量为 20J。大于该值的意外机械撞击(例如车辆的撞击)未包含在本说明中,但应予以防止,如需要可在变电站外部及周围采取其他措施。箱体采用自然通风,也可加装强迫通风装置。箱体内装有温湿度自控仪:当变压器室温度行Word 精品文档,可编辑,欢迎下载过高时,启动排风机向外排风,抽入底部电缆井冷风;当高、低压...

1、当您付费下载文档后,您只拥有了使用权限,并不意味着购买了版权,文档只能用于自身使用,不得用于其他商业用途(如 [转卖]进行直接盈利或[编辑后售卖]进行间接盈利)。
2、本站所有内容均由合作方或网友上传,本站不对文档的完整性、权威性及其观点立场正确性做任何保证或承诺!文档内容仅供研究参考,付费前请自行鉴别。
3、如文档内容存在违规,或者侵犯商业秘密、侵犯著作权等,请点击“违规举报”。

碎片内容

箱式变电站参数

确认删除?
VIP
微信客服
  • 扫码咨询
会员Q群
  • 会员专属群点击这里加入QQ群
客服邮箱
回到顶部