电脑桌面
添加小米粒文库到电脑桌面
安装后可以在桌面快捷访问

几何量公差和检测试题卷与答案解析VIP专享

几何量公差和检测试题卷与答案解析_第1页
1/14
几何量公差和检测试题卷与答案解析_第2页
2/14
几何量公差和检测试题卷与答案解析_第3页
3/14
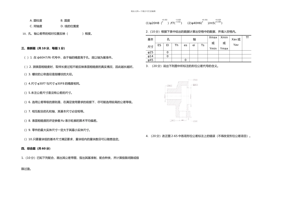
精品文档---下载后可任意编辑一、填空题 (共 20 分,每空 1 分)1.一个孔或轴允许尺寸的两个极端称为。μm,在零件图上标注为____________。3.配合基准制分__________和__________两种。一般情况下优先选用______________。4.滚动轴承内圈与轴的配合采纳基制,而外圈与箱体孔的配合采纳基_________制。5. 现代工业对齿轮传动的使用要求归纳起来有四项,分别为____________、 _______________ 、________________、________________ 。 6. 普通螺纹结合的基本要求为__________、__________。7. 零件的尺寸合格,其________ 应在上偏差和下偏差之间。8.公差原则分__________和相关要求,相关要求包括____________、 _______________ 、________________、________ 四种。9. 在同一尺寸段内,从 IT01~IT18,公差等级逐渐降低,公差数值逐渐。二、选择题(共 10 分,每题 1 分)1.当孔与轴的公差带相互交叠时,其配合性质为()。 A. 间隙配合 B. 过渡配合 C. 过盈配合2.公差带的大小由()确定。A. 实际偏差 B. 基本偏差 C. 标准公差3.下列孔与基准轴配合,组成间隙配合的孔是()。A.孔两个极限尺寸都大于基本尺寸B.孔两个极限尺寸都小于基本尺寸C.孔最大极限尺寸大于基本尺寸,最小极限尺寸小于基本尺寸4.基本偏差是()。 A.上偏差 B .下偏差 C. 上偏差和下偏差 D. 上偏差或下偏差5.标准规定形状和位置公差共有()个项目。 A.8 B. 12 C. 14 D. 166.垂直度公差属于()。 A.形状公差 B. 定位公差 C. 定向公差 D. 跳动公差7.如被测要素为轴线,标注形位公差时,指引线箭头应()。A. 与确定中心要素的轮廓线对齐B. 与确定中心要素的尺寸线对齐 C. 与确定中心要素的尺寸线错开8. 最大实体尺寸是指()。A.孔和轴的最大极限尺寸B.孔和轴的最小极限尺寸C.孔的最大极限尺寸和轴的最小极限尺寸D.孔的最小极限尺寸和轴的最大极限尺寸9. 径向全跳动公差带的形状与()的公差带形状相同。精品文档---下载后可任意编辑A. 圆柱度 B. 圆度C. 同轴度 D. 线的位置度10、孔、轴公差带的相对位置反映( )程度。三、推断题(共 10 分,每题 1 分)( )1 .在 ф60H7/f6 代号中,由于轴的精度高于孔,故以轴为基准件。( )2. 测表面粗糙度时,取样长度过短不能反映表面粗糙度的真实情况,因此越长越好。()3. 螺纹的公称直径是指螺纹的大径。()4.尺寸 φ30f7 与...

1、当您付费下载文档后,您只拥有了使用权限,并不意味着购买了版权,文档只能用于自身使用,不得用于其他商业用途(如 [转卖]进行直接盈利或[编辑后售卖]进行间接盈利)。
2、本站所有内容均由合作方或网友上传,本站不对文档的完整性、权威性及其观点立场正确性做任何保证或承诺!文档内容仅供研究参考,付费前请自行鉴别。
3、如文档内容存在违规,或者侵犯商业秘密、侵犯著作权等,请点击“违规举报”。

碎片内容

几何量公差和检测试题卷与答案解析

确认删除?
VIP
微信客服
  • 扫码咨询
会员Q群
  • 会员专属群点击这里加入QQ群
客服邮箱
回到顶部