电脑桌面
添加小米粒文库到电脑桌面
安装后可以在桌面快捷访问

大学年冬季学期试卷电路标准答案VIP免费

大学年冬季学期试卷电路标准答案_第1页
1/3
大学年冬季学期试卷电路标准答案_第2页
2/3
大学年冬季学期试卷电路标准答案_第3页
3/3
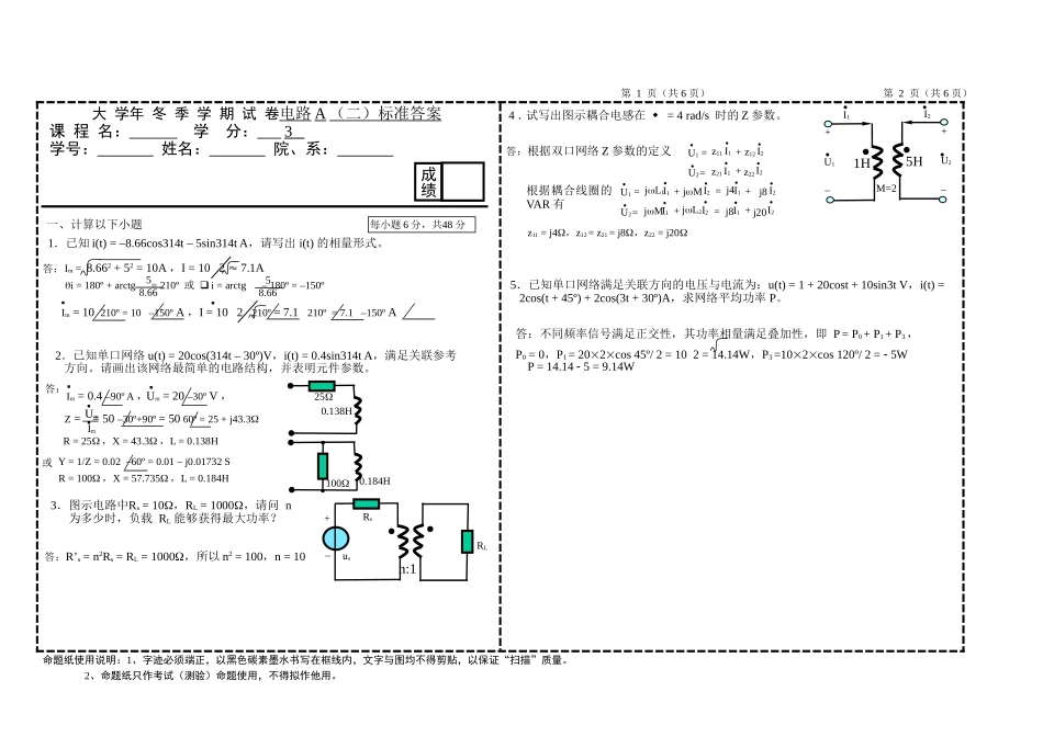
第1页(共6页)第2页(共6页)答:命题纸使用说明:1、字迹必须端正,以黑色碳素墨水书写在框线内,文字与图均不得剪贴,以保证“扫描”质量。2、命题纸只作考试(测验)命题使用,不得拟作他用。2.已知单口网络u(t)=20cos(314t–30º)V,i(t)=0.4sin314tA,满足关联参考方向。请画出该网络最简单的电路结构,并表明元件参数。1.已知i(t)=–8.66cos314t–5sin314tA,请写出i(t)的相量形式。成绩大学年冬季学期试卷电路A(二)标准答案课程名:学分:3学号:姓名:院、系:每小题6分,共48分一、计算以下小题5.已知单口网络满足关联方向的电压与电流为:u(t)=1+20cost+10sin3tV,i(t)=2cos(t+45º)+2cos(3t+30º)A,求网络平均功率P。3.图示电路中Rs=10,RL=1000,请问n为多少时,负载RL能够获得最大功率?–+Rsusn:1RL●●4.试写出图示耦合电感在=4rad/s时的Z参数。M=21H●●5HU1+–+–•U2•I1•I2•Im=8.662+52=10A,I=1027.1A58.66i=180º+arctg=210º或i=arctg–180º=–150º58.66Im=10210º=10–150ºA,I=102210º=7.1210º=7.1–150ºA▪▪答:Im=0.4–90ºA,Um=20–30ºV,▪▪Z==50–30º+90º=5060º=25+j43.3UmIm▪▪R=25,X=43.3,L=0.138H0.138H25Y=1/Z=0.02–60º=0.01–j0.01732SR=100,X=57.735,L=0.184H或0.184H100答:R’s=n2Rs=RL=1000,所以n2=100,n=10答:根据双口网络Z参数的定义=U1•U2•z11I1•I2•z12z21z22=++I1•I2•=U1•U2•jL1I1•I2•=++I1•I2•根据耦合线圈的VAR有jL2jMjM=j4I1•I2•=++I1•I2•j20j8j8z11=j4,z12=z21=j8,z22=j20答:不同频率信号满足正交性,其功率相量满足叠加性,即P=P0+P1+P3,P0=0,P1=202cos45º/2=102=14.14W,P3=102cos120º/2=5WP=14.145=9.14W第3页(共6页)第4页(共6页)命题纸使用说明:1、字迹必须端正,以黑色碳素墨水书写在框线内,文字与图均不得剪贴,以保证“扫描”质量。2、命题纸只作考试(测验)命题使用,不得拟作他用。7.计算图示电路在u1(t)=10cos103tV和u1(t)=10cos106tV时的响应U2。•1µF1kU1+–+–•U2•8.已知如图所示变压器,负载2,=2rad/s,求输入阻抗。2H4H●●1H210分二、已知电流表读数10A、电压表读数220V,电路消耗功率1100W,L=1H。电流表和电压表的影响可忽略不计。求(1)电阻R及工作频率;(2)a、b两端并多大电容使电流表读数最小,此时电流多大?VARLC答:Zi=Z11+|Z12|2/Z22=j8+16/(2+j2)=4+j4解:S=2200V·A,=P/S=0.5,=60º,(1)Z=2260º=11+j19,R=11,=19rad/s解:C=1/02L=1/(421012250106)101pFQ=XL/RL=0L/RL=0/BW=106/2000=500RL=0L/Q=(2106250106)/500=3.142U1•U2•Au()==RLRL+j(L)=RLRL2+(L)2ArctgC1C1RLLC1=11+Q2()2ArctgQ()0000|Au|(dB)01.61810.00.11.0–20lgQ–20–20lgQ–20lgQ–1000.618(°)10.01.002045°90°0.1–45°–90°001–84.3°84.3°Y1=0.045560º=0.0227j0.0394S,BC=0.0394S,C=BC/=0.0394/19=0.002072F=2072F,I=P/U=1100/220=5AU1•U2•Au()==11+jRC=11+2R2C2ArctgRCAu()U1U1•U2•==1+2R2C2uArctgRC=103时U2•=545º=2.52(1+j1)V=106时U2•090º=0V第5页(共6页)第6页(共6页)命题纸使用说明:1、字迹必须端正,以黑色碳素墨水书写在框线内,文字与图均不得剪贴,以保证“扫描”质量。2、命题纸只作考试(测验)命题使用,不得拟作他用。10分五、已知一双口网络的混合I型VAR为请画出该双口网络的等效电路。+=U1•U2•1+j15+3j2+j22+j1I1•I2•2–j23+j110分四、已知图示单口网络的u(t)=12cost,求ab两端的戴维南等效电路。2H3H●●4H2ab1Fu(t)–+2H1H2H2ab1Fu(t)–+Z1Z2Z3解:Z1=0,Z2=2+j2,Z3=j2,U•Uoc•==620ºVZo=Z3=j22Habu(t)–+Z3+=U1•U2•1+j15+3j2+j22+j1I1•I2•2–j23+j1解:根据H参数模型的定义可得+=U2•h12h11h21h22I1•Uoc1•Isc2•h12h11h21h22=1+j15+3j2+j22+j1S=Uoc1•Isc...

1、当您付费下载文档后,您只拥有了使用权限,并不意味着购买了版权,文档只能用于自身使用,不得用于其他商业用途(如 [转卖]进行直接盈利或[编辑后售卖]进行间接盈利)。
2、本站所有内容均由合作方或网友上传,本站不对文档的完整性、权威性及其观点立场正确性做任何保证或承诺!文档内容仅供研究参考,付费前请自行鉴别。
3、如文档内容存在违规,或者侵犯商业秘密、侵犯著作权等,请点击“违规举报”。

碎片内容

大学年冬季学期试卷电路标准答案

确认删除?
VIP
微信客服
  • 扫码咨询
会员Q群
  • 会员专属群点击这里加入QQ群
客服邮箱
回到顶部