电脑桌面
添加小米粒文库到电脑桌面
安装后可以在桌面快捷访问

快速模具设计经验总结王志远讲解

快速模具设计经验总结王志远讲解_第1页
1/5
快速模具设计经验总结王志远讲解_第2页
2/5
快速模具设计经验总结王志远讲解_第3页
3/5
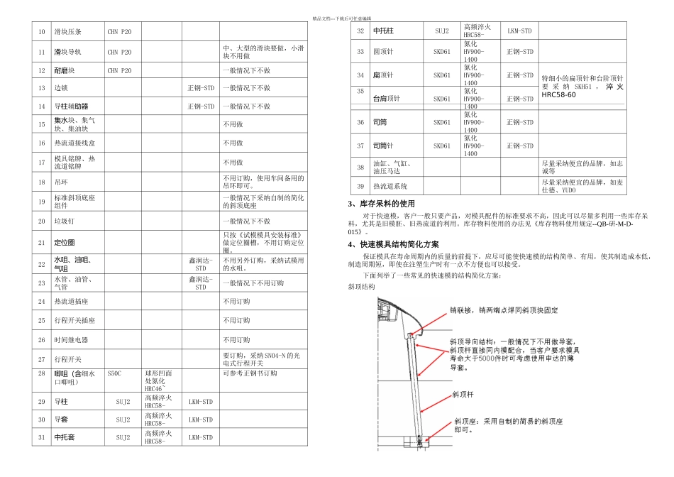
精品文档---下载后可任意编辑文件名称:快速模具设计经验总结适合于:模具事业部分发部门:项目部□ 制造一部□ 设计科■ 加工一科□ 加工二科□制造二部□ 制造三部□采购部□质量部□ 仓务科□ 后勤科□修 订 / 复 审 记 录制/修订/复审日期DCN NO制/修订/复审内容摘要版本/版次制/修订/复审审核批准颁布日期2024.02.021发行A/0王志远1、模具的分类………………………………………………………………………(X)2、模具零件材料、热处理与标准的选用原则…………………………………… (X)3、库存呆料的使用 …………………………………………………………………… (X)4、快速模具结构简化方案…………………………………………………………… (X)1、模具的分类根据模具的寿命,模具可分为产品模和快速模,一般来说,模具寿命要求超过 1 万件的模具称为产品模,模具寿命要求少于 1 万件的模具称为快速模,快速模具主要用于客户验证产品的设计开发。由于快速模的模具寿命要求比产品模少很多,客户通常只要求模具能提供足够数量、符合要求的样件就可以了,对模具没有其它特别的要求,因此快速模与产品模的做法有很大的区别。2、模具零件材料、热处理与标准的选用原则根据快速模的特点,其模具零件的材料、热处理与标准的选择有以下原则:表面相互接触且开合模时有相对运动的零件,其材料的硬度应不一样,否则容易“咬”死。因此:1)、开合模时静止不动且同胶位相关的零件,材料根据客户的要求选用 S50C 或硬铝,不用热处理,如 A 板、B 板、前模镶件、后模镶件等;2)、开合模时需要运动且同胶位相关的零件,如滑块材料一般选用 S50C,斜顶、直顶材料一般选用 CHN P20(国产 P20),不用热处理等;3)、滑块压条、导轨、耐磨块、T 形块等零件的材料一般选用 CHN P20,铲鸡选用 S50C。详见下表 1。2.2 对模具在寿命周期内的正常使用没有影响的模具零件,能够取消的就取消,不能取消的就尽量简化。如边锁、导柱辅助器、集水块、集气块、集油块、热流道接线盒、模具铭牌、热流道铭牌、垃圾钉、标准的斜顶底座等。2.3 对于模具在本厂生产的快速模,能够利用车间备用零件的模具零件不用定购。如吊环、定位圈、水咀、油咀、气咀、水管、油管、气管、热流道插座、行程开关插座、时间继电器、行程开关。保证模具在寿命周期内的质量的前提下,合理选择供应商提供的便宜有用的模具配件。下表 1 列举了一些常用的快速模...

1、当您付费下载文档后,您只拥有了使用权限,并不意味着购买了版权,文档只能用于自身使用,不得用于其他商业用途(如 [转卖]进行直接盈利或[编辑后售卖]进行间接盈利)。
2、本站所有内容均由合作方或网友上传,本站不对文档的完整性、权威性及其观点立场正确性做任何保证或承诺!文档内容仅供研究参考,付费前请自行鉴别。
3、如文档内容存在违规,或者侵犯商业秘密、侵犯著作权等,请点击“违规举报”。

碎片内容

快速模具设计经验总结王志远讲解

您可能关注的文档

确认删除?
VIP
微信客服
  • 扫码咨询
会员Q群
  • 会员专属群点击这里加入QQ群
客服邮箱
回到顶部