电脑桌面
添加小米粒文库到电脑桌面
安装后可以在桌面快捷访问

数控机床与编程复习试卷

数控机床与编程复习试卷_第1页
1/2
数控机床与编程复习试卷_第2页
2/2
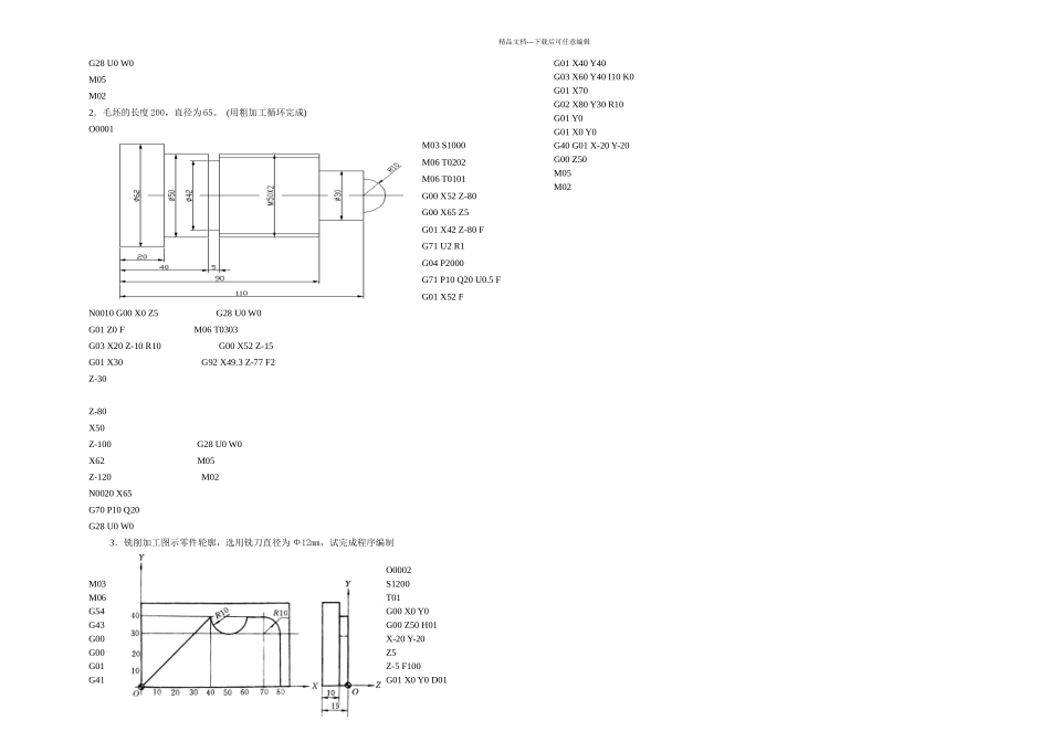
装订线 装订线精品文档---下载后可任意编辑《数控机床与编程》复习试卷 1一.填空题1.英文 Numerical Control 的中文含义是数字化控制 ,其英文缩写为 NC。2.加工中心与普通数控铣床、镗床的显著区别是,前者配有打库和自动换刀装置。3.由图示可知,按刀具相对于工件运动轨迹可分为:(1)点位控制;(2)直线控制;(3)轮廓控制 4.解释程序中常用指令含义:M03 S600——主轴正转,600 转/min G91——相对编程G40 ——半径补偿取消 M02——程序结束M05——主轴停转 G00——快速点定位5.链式刀库的刀具储存量最大,可达到 120 左右 。6.刀具半径补偿功能的建立可以与 G00/G01 指令结合使用。7.加工中心按主轴形式一般可分为立式,卧式和立卧式三种。8.数控编程中的原点主要是指机床原点、编程原点和加工原点。9.铣削圆弧时,圆弧大于 180 度一般称为优弧,小于 180 度称为劣弧。10.铣削时,为了避开与工件或夹具相碰撞,应先沿+Z 方向快速退刀。11、切削用量三要素是指主轴转速(切削速度)、进给速度 和切削深度 三种。 12、在数控加工中,刀具刀位点相对于工件运动的轨迹称为 加工路线。13、按走丝快慢,数控线切割机床可以分为慢走丝和快走丝。14、常用夹具类型有通用、 专用和组合。15、切削液的作用包括冷却、 润滑、清洗和防腐。 二. 推断题1.自动换刀前不必指令刀具回换刀点或“回零”。 ( 错 )2.铣削顺圆采纳 G02 指令。 ( 对 )3.数控编程采纳固定循环功能,目的是为了提高加工表面质量。 ( 错 )4.数控机床是根据预先编制好的零件加工程序自动实现加工的机床。( 对 )5.加工对称图形时可选用镜像加工功能。 ( 对 )6.穿孔带具有受电磁干扰,能长期保存的优点。 ( 错 )7.加工程序中的一个“字”由一个英文字母和若干数字组成。 ( 对 )8.FMS 是柔性制造单元的简称。 ( 错 )9、直线控制的特点是,可以以任意途径达到要计算的点,因为在定位过程中不进行加工。( 错 )10、不同结构布局的数控机床有不同的运动方式,但无论何种形式,编程时都认为工件相对于刀具运动。( 错 )三.问答题1. 什么是绝对、相对坐标?答:相对于固定原点给出的坐标,称为绝对坐标。 相对于前一个点给出的坐标,称为相对坐标。2. 什么叫机床坐标系? 答:以机床原点为原点建立的坐标系,在出厂的时候已经设置好了。3. 刀具半径补偿的意义?答:使用刀具半...

1、当您付费下载文档后,您只拥有了使用权限,并不意味着购买了版权,文档只能用于自身使用,不得用于其他商业用途(如 [转卖]进行直接盈利或[编辑后售卖]进行间接盈利)。
2、本站所有内容均由合作方或网友上传,本站不对文档的完整性、权威性及其观点立场正确性做任何保证或承诺!文档内容仅供研究参考,付费前请自行鉴别。
3、如文档内容存在违规,或者侵犯商业秘密、侵犯著作权等,请点击“违规举报”。

碎片内容

数控机床与编程复习试卷

您可能关注的文档

人从众+ 关注
实名认证
内容提供者

欢迎光临小店,本店以公文和教育为主,希望符合您的需求。

确认删除?
VIP
微信客服
  • 扫码咨询
会员Q群
  • 会员专属群点击这里加入QQ群
客服邮箱
回到顶部