电脑桌面
添加小米粒文库到电脑桌面
安装后可以在桌面快捷访问

新型的周波控制器文库

新型的周波控制器文库_第1页
1/2
新型的周波控制器文库_第2页
2/2
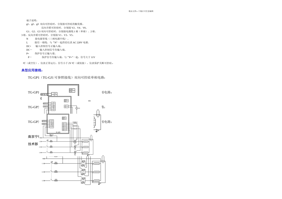
精品文档---下载后可任意编辑TG-G 周波控制器(又名可控硅调功器)可与各种控温仪表、双向可控硅(TRIAC)或反并联可控硅组成先进的温度控制系统。内装控制触发器,可实现可控硅过零触发、手动控温、接受外来信号控温、加温功率大小指示、关断保护、故障提示等功能。主要用于电阻炉、电热器、电烘箱等电热设备的温度控制。是电炉、热处理、化工、轻工、塑料、喷涂、电子、食品等工业设备更新换代的新型控温装置。型号:型号类别适用电源输入信号类别TG-GP1X单相盘装式单相 220V、380V、50HzX=1 时为 4~20mA;X=2 时为 1~5V;X=3 时为 0~10mA;X=4 时为 0~10V。TG-GP3X三相盘装式三相 380V、50HzTG-GJ1X单相架装式单相 220V、380V、50HzTG-GJ3X三相架装式三相 380V、50Hz型号含义:TG—可控硅调功器(或调压器)字头;GP1—周波单相盘装式;GJ3—周波三相架装式;P—盘装式仪表;J—架装(或壁装)式仪表;X—可选 1、2、3 或 4 四种输入信号之一。特点:1、控制可控硅的导通周波,进而控制可控硅在相对运行周期内的导通率。达到连续调节可控硅负载功率之目的。2、相对运行周期为不大于 1 秒的变周期。在相同导通率的情况下,以较短相对运行周期工作。控制分辨率达 1%,控制温度时,精度高、温度波动小。3、手动/自动切换方便,“来电”或切换到“自动”时有 16 秒钟的软过渡。手动操作时,自成简单的开环控温系统。4、光柱直观显示可控硅的负载实际功率百分比大小。5、既有直接驱动大电流可控硅(或可控硅组)的触发输出端,又有驱动“过零触发固态继电器”(SSR)的输出信号。可视实际情况选择不同的触发大电流可控硅(或可控硅组)的方式。6、光柱闪耀提示部分异常情况及故障,方便报警及故障排除。7、带有保护用输入端,以便在主电路可控硅出现温度过高、过载等保护信号到来时,及时切断控制器的输出信号,阻止主电路大可控硅导通,同时间柱闪耀报警。8、控制器均可触发双向可控硅或反并联可控硅,对可控硅的触发电流及电流、电压上升率无需选择。9、“过零触发”。可控硅输出完整的正弦波或完整的正弦半波,其辐射干扰 、传导干扰及负载电流的瞬间浪涌都很小。可控硅运行时无噪声,寿命长。10、三相电路各自单独同步,各相可控硅都输出完整的正弦波或完整的正弦半波。11、有多种输入信号形式选择,有盘装式、架装式、单相、三相多种结构的控制器供选用。12、拔插式的接线端子,接线容易,拆换方便。13、提供 SSR...

1、当您付费下载文档后,您只拥有了使用权限,并不意味着购买了版权,文档只能用于自身使用,不得用于其他商业用途(如 [转卖]进行直接盈利或[编辑后售卖]进行间接盈利)。
2、本站所有内容均由合作方或网友上传,本站不对文档的完整性、权威性及其观点立场正确性做任何保证或承诺!文档内容仅供研究参考,付费前请自行鉴别。
3、如文档内容存在违规,或者侵犯商业秘密、侵犯著作权等,请点击“违规举报”。

碎片内容

新型的周波控制器文库

您可能关注的文档

津创媒+ 关注
实名认证
内容提供者

欢迎交流文创,小店资料希望满足您的需要。

确认删除?
VIP
微信客服
  • 扫码咨询
会员Q群
  • 会员专属群点击这里加入QQ群
客服邮箱
回到顶部