电脑桌面
添加小米粒文库到电脑桌面
安装后可以在桌面快捷访问

新平法新体验VIP专享

新平法新体验_第1页
1/6
新平法新体验_第2页
2/6
新平法新体验_第3页
3/6
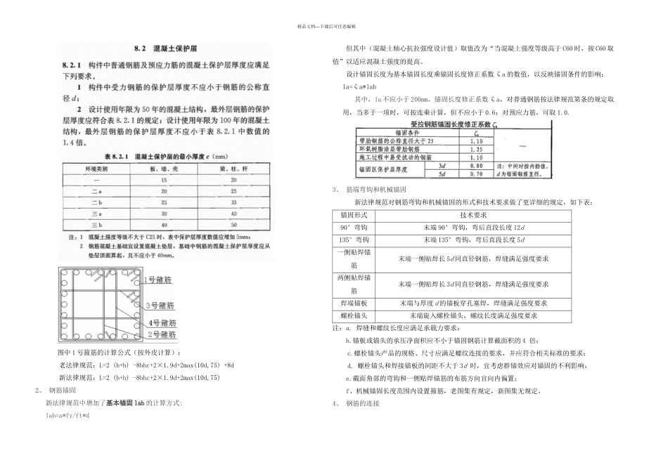
精品文档---下载后可任意编辑2011 年 7 月 21 日,中华人民共和国住房和城乡建设部建质【2024】110 号发布“关于批准《城市道路工程设计技术措施》及《外墙内保温建筑构造》等 14 项国家建筑标准设计通知”,通知明确规定在 2011 年 9 月 1 日将废止 03G 系列平法图集,由 11G 系列平法图集所替代。伴随着新的设计法律规范出现,设计理念、设计规则均发生了较大变化。三大法律规范(《混凝土结构设计法律规范》GB 50010-2024,2024 年 7 月 1 日实施;《建筑抗震设计法律规范》GB 50011-2024,2024 年 12 月 1 日实施,《高层混凝土结构技术规程》JGJ 3-2024,2024 年 10 月 1 日实施)陆续实施引起了一些重要变化;11G101 系列图集在法律规范的基础上做了修订,替代了原来的 6 本平法图集,也引起了一系列的锚固、搭接、节点构造的变化。对工程造价都会受到影响,需要重新学习,需要应对新法律规范新平法带来的变革和影响。法律规范变化对“建筑工程造价”、“建筑工程量计算”重要影响的方面,归纳有以下几点:一、 材料变化:钢筋和混凝土都是大量消耗资源和能源的材料,持续的大规模基建已难以为既;新法律规范 GB 50010-2024 坚持“四节一环保”的可持续进展国策,混凝土结构必须走高效节材的道路。1、 混凝土强度等级逐步提升混凝土强度等级逐步提高至 C60,强度的优化选择:经济性(强度价格比)随强度递增;淘汰低强度混凝土;结构混凝土选择:素混凝土 C15,钢筋混凝土 C20,高强度钢筋混凝土 C25,疲劳混凝土构件 C30,预应力混凝土构件 C30、不宜 C40,删除原法律规范中的山砂混凝土。2、 钢筋高强-高性能进展趋势应用高强、高性能钢筋,根据受力性能选择适当的牌号钢筋。选择月牙肋钢筋及光圆钢筋作为普通受力钢筋。选择螺旋肋钢丝、光圆钢丝、钢绞线以及螺纹钢筋作为承载预应力的受力钢筋。普通钢筋:淘汰低强 235Mpa 钢筋,以 300Mpa 光圆钢筋替代;增加高强 500Mpa 钢筋;限制并准备淘汰 335Mpa 钢筋;最终形成 300、400、500Mpa 的强度梯次,与国际接轨。新法律规范实施后的钢筋牌号及标志为:HPB300—ΦHRB335—B HRBF335—BFHRB400—C HRBF400—CFHRB500—D HRBF500—DFRRB400—C二、 基本构造变化:放宽伸缩缝间距控制,增补控制措施,引导缝的概念;适当增加保护层厚度,一般情况稍增,恶劣环境增加较多;基本锚固长度及修正系数,采纳机械锚固以适应高强...

1、当您付费下载文档后,您只拥有了使用权限,并不意味着购买了版权,文档只能用于自身使用,不得用于其他商业用途(如 [转卖]进行直接盈利或[编辑后售卖]进行间接盈利)。
2、本站所有内容均由合作方或网友上传,本站不对文档的完整性、权威性及其观点立场正确性做任何保证或承诺!文档内容仅供研究参考,付费前请自行鉴别。
3、如文档内容存在违规,或者侵犯商业秘密、侵犯著作权等,请点击“违规举报”。

碎片内容

新平法新体验

一帆文传+ 关注
实名认证
内容提供者

欢迎光临店铺,各类公文供您挑选。

确认删除?
VIP
微信客服
  • 扫码咨询
会员Q群
  • 会员专属群点击这里加入QQ群
客服邮箱
回到顶部