电脑桌面
添加小米粒文库到电脑桌面
安装后可以在桌面快捷访问

施工扬尘污染防治实施方案

施工扬尘污染防治实施方案_第1页
1/9
施工扬尘污染防治实施方案_第2页
2/9
施工扬尘污染防治实施方案_第3页
3/9
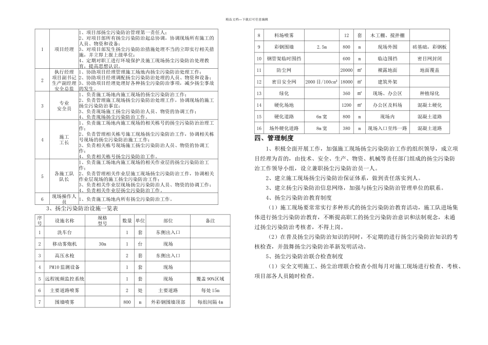
精品文档---下载后可任意编辑一、编制依据 2二、工程概况 1三、组织机构 Error: Reference source not found四、管理制度 3五、施工现场主要扬尘污染源 5六、现场扬尘控制目标 6七、扬尘控制措施 6八、重污染天气应急预案 8附图 1:项目管理机构 9附图 2:扬尘污染防治平面布置图 9一、编制依据类别名称编号国家中华人民共和国建筑法中华人民共和国环境保护法中华人民共和国劳动法中华人民共和国职业病防治法中华人民共和国合同法建设工程质量管理条例建设工程安全生产管理条例行业工程建设标准强制性条文《建筑施工安全检查标准》JGJ59-2024关于建筑业进一步推广应用 10 项新技术的通知《建筑施工现场环境与卫生标准》JGJ146-2024政府《乌鲁木齐建筑工程施工现场扬尘污染防治实施细则》乌建发[2024]71 号关于严格执行建筑施工场地扬尘污染防治和安全监控管理系统建设的通知乌高(新)建发[2024]25号二、工程概况安宁渠镇北大路村农民安置小区项目三期Ⅱ标段工程,位于乌市天津北路西侧,规划学思路东侧,规划纬二路与规划汀园北路之间。包括防空地下室、地下车库、锅炉房、11#、18#、19#、22#、23#楼、社区办公用房等,总建筑面积约为19.38 万㎡,11#、18#、19#、22#、23#楼等高层住宅楼为剪力墙结构,社区办公用房为框架结构,防空地下室为框架-剪力墙结构,地下车库为框架结构。1、工程基本建设概况序号项目内容1工程名称 安宁渠镇北大路村农民安置小区项目三期工程Ⅱ标段(防空地下室、地下车库、锅炉房、11#、18#、19#、22#、23#、社区服务中心)2工程地址 乌市天津北路西侧,规划学思路东侧,规划纬二路与规划汀园北路之间。3建设单位 乌鲁木齐高新技术产业开发区(乌鲁木齐市新市区)安宁渠镇人民政府4勘察单位 中国建筑西南勘察设计讨论院有限公司5设计单位 中国建筑上海设计院(防空地下室为华优建筑设计院)6监理单位 新疆金石建设项目管理有限公司7质量监督站 乌鲁木齐市高新区质量监督站(防空地下室为自治区人防质监站)8施工单位 中建新疆建工(集团)有限公司9合同范围 结构、内装修、外装修、水电安装、室外道路、管网、绿化10投资性质 自筹资金11合同工期 2024 年 4 月 18 日开工,2024 年 11 月 30 日整体工程竣工12质量目标防空地下室、地下车库、锅炉房、社区服务中心合格工程,11#、18#、19#、22#、23#楼均争创乌鲁木齐市优质结构奖及“亚心杯”,其中 18#、22#、23#楼争创“天山...

1、当您付费下载文档后,您只拥有了使用权限,并不意味着购买了版权,文档只能用于自身使用,不得用于其他商业用途(如 [转卖]进行直接盈利或[编辑后售卖]进行间接盈利)。
2、本站所有内容均由合作方或网友上传,本站不对文档的完整性、权威性及其观点立场正确性做任何保证或承诺!文档内容仅供研究参考,付费前请自行鉴别。
3、如文档内容存在违规,或者侵犯商业秘密、侵犯著作权等,请点击“违规举报”。

碎片内容

施工扬尘污染防治实施方案

您可能关注的文档

确认删除?
VIP
微信客服
  • 扫码咨询
会员Q群
  • 会员专属群点击这里加入QQ群
客服邮箱
回到顶部