电脑桌面
添加小米粒文库到电脑桌面
安装后可以在桌面快捷访问

施工组织计划及安全技术措施

施工组织计划及安全技术措施_第1页
1/28
施工组织计划及安全技术措施_第2页
2/28
施工组织计划及安全技术措施_第3页
3/28
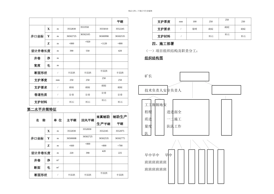
精品文档---下载后可任意编辑一、编制依据1、《中华人民共和国安全生产法》2、《中华人民共和国煤炭法》3、《中华人民共和国矿山安全法》4、初步设计说明书及图纸;;4、煤矿安全规程(2024 版); 5、现行质量标准、法律规范。二、编制原则严格根据设计图纸编制施工组织计划及安全技术措施。在认真勘察工程实地的基础上,充分分析了该工程项目的设计文件和施工特点,根据多年来施工类似矿山工程的经验,认真做好施工准备工作。结合现场情况,科学合理组织施工,紧密衔接各工序,尽量避开窝工、停工及不必要的重复工作,又要保证施工连接均衡的进行。我单位将严格根据项目法施工的要求,进行施工管理和质量控制,建立健全质量保证体系,强化安全、质量保证措施。在施工组织上选用专业化,选用最有经验的管理人员和所需的技术人员,组织强有力的施工组织管理机构,确保该工程施工的安全、质量和进度。在机械设备和配置方面,立足高效机械化,降低劳动强度,加快施工进度。在工期安排上,充分考虑各单位工程和分项工程的施工工期,依据施工图,立足于科学合理,认真分析,精心组织安排好施工工序,避开不合理的安排造成施工影响和窝工现象。施工方案的确定,施工方法和施工工艺的选择立足法律规范和标准,优先选用科学、合理、先进并适合现场的施工方法。我们的目的是通过精心组织、合理安排、科学管理,保质、保量、保工期,创信誉,向业主交一项满意的过程,实现“双赢”。第一章 施工组织措施一、位置交通达州市立信铁合金有限责任公司东升北矿,位于万源市城 NW335°方向,距万源市城直距约 0.5Km。矿区中心地理坐标:东经:107°59′48.6〃~108°01′52.5〃,北纬 32°05′19.6〃~32°07′29.3〃。矿井矿部行政区划属太平镇鞠家坝村,属基建矿井。二、地质构造与地层矿区位于大巴山褶皱带什字坝复背斜南段的抱耳岩背斜北东翼(庙沟向斜北东翼)。主构造线方向为 NW ~SE,地层倾角一般 20°~60°。矿区范围内次级小褶曲和小断层较发育,向深部地层褶曲、小断层逐渐消逝,均对煤层开采无大的影响。构造中等较复杂。矿区出露的地层主要为:三叠系上统须家河组(T3xj)、侏罗系中下统白田坝组(J1-2b)、侏罗系中统千佛崖组(J2q)。主要含煤地层为三叠系上统须家河组(T3xj),总厚约 200m。三、工程概况矿井划分为两个开采水平,在每个水平内设主平硐、回风平硐、辅助生产平硐,。参见主要工程概况表。第一水平井筒特征名 称单 位主...

1、当您付费下载文档后,您只拥有了使用权限,并不意味着购买了版权,文档只能用于自身使用,不得用于其他商业用途(如 [转卖]进行直接盈利或[编辑后售卖]进行间接盈利)。
2、本站所有内容均由合作方或网友上传,本站不对文档的完整性、权威性及其观点立场正确性做任何保证或承诺!文档内容仅供研究参考,付费前请自行鉴别。
3、如文档内容存在违规,或者侵犯商业秘密、侵犯著作权等,请点击“违规举报”。

碎片内容

施工组织计划及安全技术措施

确认删除?
VIP
微信客服
  • 扫码咨询
会员Q群
  • 会员专属群点击这里加入QQ群
客服邮箱
回到顶部