电脑桌面
添加小米粒文库到电脑桌面
安装后可以在桌面快捷访问

无机保温砂浆外墙外保温系统施工工法

无机保温砂浆外墙外保温系统施工工法_第1页
1/10
无机保温砂浆外墙外保温系统施工工法_第2页
2/10
无机保温砂浆外墙外保温系统施工工法_第3页
3/10
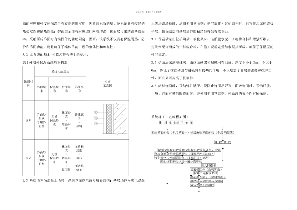
精品文档---下载后可任意编辑无机保温砂浆外墙外保温系统施工工法编制日期:2024 年 3 月目 录前言1、工法特点2、使用范围3、工艺原理4、施工工艺流程及操作要点5、材料与设备6、质量控制7、安全措施8、环保措施9、效益分析10、应用实例无机保温砂浆外墙外保温系统施工工法前言无机保温砂浆外墙外保温系统是以陶砂、玻化微珠保温砂浆为保温材料,与护面层和饰面层构成的一种高强度的抹灰型墙体保温产品,具有保温,隔热,不燃,透气,强度高,构造简单,施工方便,耐久性好等特点。为正确使用无机保温砂浆系统,提高墙体的保温隔热,防火和耐久性能,优化室内热环境,降低建筑使用能耗,并做到技术先进,确保工程质量,制订本工法。1、工法特点1.1 保温砂浆由全无机材料组成,其耐老化性、耐候性、耐冻融、抗冲击、抗风压性能良好。 1.2 保温砂浆,具有无毒、保温、不燃、防火、隔音的优点。1.3 保温砂浆所用的无机胶凝材料与无机陶砂、玻化微珠集料形成良好的胶质骨架,具有较高的机械强度。1.4 保温砂浆施工简单,与普通水泥砂浆施工方法相同,界面无接缝,操作简便,省时省工。1.5 全部采纳抹灰工艺,对建筑物的柱、圈梁以及特别造型等易产生热桥的部位处理简单,能有效减少附加热损失。1.6 工业化生产、应用电脑控制,计量准确,质量稳定。1.7 高性价比,应用范围广,经济和社会效益好。2、使用范围2.1 本工法适用于新建、扩建、改建的居住建筑、公共建筑、工业建筑及既有建筑改造的墙体节能保温工程。于多层及高层建筑的钢筋混凝土、混凝土空心砖、加气混凝土砌块、粘土多孔砖、灰砂砖等围护墙外墙、分户墙、架空楼板的保温抹灰工程。3.1 本系统由界面层、保温层、护面层和饰面层构成。内部无空腔,保温砂浆较精品文档---下载后可任意编辑高的密度和强度使保温层有较高的密实度,因蓄热系数的增大使系统具有较好的热稳定性和隔热性能;护面层全部有耐碱玻纤网布增强;饰面层可采纳涂料或面砖,采纳面砖饰面时有锚固件的辅助固定。因而,该系统不仅具有保温隔热,防护和饰面功能,而且确保了墙体节能工程的整体性和可靠性。3.2 本系统的基本 构造应符合表 1 的要求:表 1 外墙外保温系统基本构造饰面材料系统构造层次构造示意图界面层①保温层②护面层③饰面层④涂料界面砂浆或专用界面剂无机保温砂浆抹面砂浆+增强网布弹性腻子+涂料面砖 界面砂浆或专用界面剂无机保温砂浆抹面砂浆+增强网布+锚固件面砖粘结剂+面砖+面砖...

1、当您付费下载文档后,您只拥有了使用权限,并不意味着购买了版权,文档只能用于自身使用,不得用于其他商业用途(如 [转卖]进行直接盈利或[编辑后售卖]进行间接盈利)。
2、本站所有内容均由合作方或网友上传,本站不对文档的完整性、权威性及其观点立场正确性做任何保证或承诺!文档内容仅供研究参考,付费前请自行鉴别。
3、如文档内容存在违规,或者侵犯商业秘密、侵犯著作权等,请点击“违规举报”。

碎片内容

无机保温砂浆外墙外保温系统施工工法

确认删除?
VIP
微信客服
  • 扫码咨询
会员Q群
  • 会员专属群点击这里加入QQ群
客服邮箱
回到顶部