电脑桌面
添加小米粒文库到电脑桌面
安装后可以在桌面快捷访问

映泰IHCM主板开机电路分析

映泰IHCM主板开机电路分析_第1页
1/3
映泰IHCM主板开机电路分析_第2页
2/3
映泰IHCM主板开机电路分析_第3页
3/3
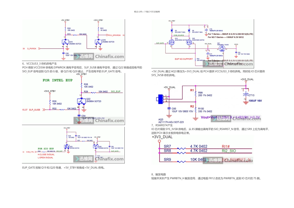
精品文档---下载后可任意编辑电池正极通过电阻 R4 送到 Q1 的 A 脚,从 KA 脚输出 VRTC 给 PCH 的 VCCRTC 提供供电。插电时+3V3_STBY 送到 Q1K,从 KA 脚输出 V_RTC。2.RTCRST#VRTC 通过电阻 R3 送到 jCMOS1 跳线 1 脚,通过跳线帽给 2 脚上拉为高电平的 PCH_RTCRST_PULLUP给 PCH 的 RTCRST#和 SRTCRST#提供高电平复位信号。 PCH 得到 VCCRTC 和 RTCRST#后给晶振 YY1 供电,YY1 晶振起振产生 32.768KHZ 频率给 PCH 的实时时钟电路。 插上 ATX 电源,电源输出 5V 待机供电+5V_STBY,送到 U3(UP7704)芯片,给 U3 芯片提供工作条件, +5V_STBY给 U3 芯片 3 脚和 4 脚供电,+5V_STBY 再通过 R25 和 R54 电阻分压后,给芯片 2 脚一个高电平的开启信号,芯片开始工作从 6 脚输出+3V3_STBY 电压,给 PCH 的 VCCDSW 提供深度休眠供电。同时给 IO 芯片提供待机供电。 U3 输出电压正常后,从 1 脚输出高电平的 DPWROK 信号通过+3V3_STBY 上拉为 3.3V 高电平,过电阻R98 改名为 D_PWROK,通过 Q15 和 Q16 转换为 PCH_DPWROK 给 PCH 的 DPWROK 提供高电平。精品文档---下载后可任意编辑6、VCCSUS3_3 待机供电产生PCH 得到 VCCDSW 供电和 DPWROK 高电平信号后,SLP_SUSB 高电平信号,通过 Q22 转换成低电平的SIO_EUP 信号送到 Q25 的 G 极,使 Q25 和 Q28 截止,产生低电平的 EUP_GATE 信号。EUP_GATE 控制 Q19 和 Q20 导通,+5V_STBY 转换成+5V_DUAL 供电。+5V_DUAL 通过 AQ3 降压为+3V3_DUAL 给 PCH 提供 VCCSUS3_3 待机供电。同时给 IO 芯片提供SYS_3VSB 待机供电。7、RSMRST#产生IO 芯片得到 SYS_3VSB 供电后,从 85 脚输出高电平的 SIO_RSMRST_N 信号,通过 SR9 上拉为高电平,送到 PCH 表示主板供电供电正常。 8、触发电路短接开关针产生 PWRBTN_H 触发信号,通过电阻 FR12 改名为 PWRBTN_送到 IO 芯片的 75 脚。精品文档---下载后可任意编辑 IO 芯片通过内部转换后从 72 脚输出 PWRON#信号,通过 SR19 改名为 SW_ON_N 给 PCH 请求上电。 PCH 收到SW_ON_N 后,通过内部转换输出 SLP_S3_N 持续高电平给 IO 芯片,表示允许上电。 IO 芯片输出持续低电平的 PS_ON_N 信号给 ATX 电源接低绿线,使电源输出+12V、+5V、+3.3V 供电,完成上电。

1、当您付费下载文档后,您只拥有了使用权限,并不意味着购买了版权,文档只能用于自身使用,不得用于其他商业用途(如 [转卖]进行直接盈利或[编辑后售卖]进行间接盈利)。
2、本站所有内容均由合作方或网友上传,本站不对文档的完整性、权威性及其观点立场正确性做任何保证或承诺!文档内容仅供研究参考,付费前请自行鉴别。
3、如文档内容存在违规,或者侵犯商业秘密、侵犯著作权等,请点击“违规举报”。

碎片内容

映泰IHCM主板开机电路分析

您可能关注的文档

确认删除?
VIP
微信客服
  • 扫码咨询
会员Q群
  • 会员专属群点击这里加入QQ群
客服邮箱
回到顶部