电脑桌面
添加小米粒文库到电脑桌面
安装后可以在桌面快捷访问

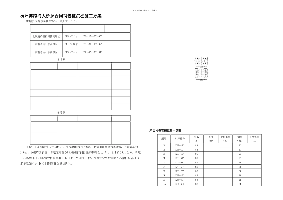
杭州湾跨海大桥Ⅳ合同沉桩施工方案

杭州湾跨海大桥Ⅳ合同沉桩施工方案_第1页
1/17
杭州湾跨海大桥Ⅳ合同沉桩施工方案_第2页
2/17
杭州湾跨海大桥Ⅳ合同沉桩施工方案_第3页
3/17
精品文档---下载后可任意编辑一、工程概况 1自然条件 ERROR: REFERENCE SOURCE NOT FOUND 地理位置及地形、地貌 Error: Reference source not found 工程地质概况 Error: Reference source not found 水文条件 Error: Reference source not found 气候条件 Error: Reference source not found 1.2 工程简介及主要工程量 ERROR: REFERENCE SOURCE NOT FOUND 施工依据 ERROR: REFERENCE SOURCE NOT FOUND 工程特点 ERROR: REFERENCE SOURCE NOT FOUND 二、施工准备 ERROR: REFERENCE SOURCE NOT FOUND 现场临设布置 ERROR: REFERENCE SOURCE NOT FOUND 确立施工组织机构 ERROR: REFERENCE SOURCE NOT FOUND 设备进场准备 ERROR: REFERENCE SOURCE NOT FOUND 物资、能源准备 ERROR: REFERENCE SOURCE NOT FOUND 技术准备 ERROR: REFERENCE SOURCE NOT FOUND 确立生产管理制度 ERROR: REFERENCE SOURCE NOT FOUND 三、施工顺序及进度计划安排 ERROR: REFERENCE SOURCE NOT FOUND 钢管桩沉桩施工顺序 ERROR: REFERENCE SOURCE NOT FOUND 钢管桩沉桩施工进度计划 ERROR: REFERENCE SOURCE NOT FOUND 四、施工技术方案和工艺 ERROR: REFERENCE SOURCE NOT FOUND 沉桩施工流程 ERROR: REFERENCE SOURCE NOT FOUND 钢管桩运输 ERROR: REFERENCE SOURCE NOT FOUND 船舶抛锚定位 5 打桩船沉桩 ERROR: REFERENCE SOURCE NOT FOUND 钢管桩临时围囹 ERROR: REFERENCE SOURCE NOT FOUND 钢管桩切桩 ERROR: REFERENCE SOURCE NOT FOUND 沉桩施工注意事项 ERROR: REFERENCE SOURCE NOT FOUND 五、沉桩测量定位 ERROR: REFERENCE SOURCE NOT FOUND 测量系统介绍 ERROR: REFERENCE SOURCE NOT FOUND 测量系统检验校核 ERROR: REFERENCE SOURCE NOT FOUND 常规测量校核首根桩沉桩定位精度 ERROR: REFERENCE SOURCE NOT FOUND 沉桩后桩位复测 ERROR: REFERENCE SOURCE NOT FOUND 六、质量保证措施 ERROR: REFERENCE SOURCE NOT FOUND 建立健全工程质量管理机构和质量保证体系 ERROR: REFERENCE SOURCE NOT FOUND 质量保证措施 ERROR: REFERENCE SOURCE NOT FOUND 控制沉桩贯入度和标高符合设计要求 Error: Reference source not found 保证钢管桩...

1、当您付费下载文档后,您只拥有了使用权限,并不意味着购买了版权,文档只能用于自身使用,不得用于其他商业用途(如 [转卖]进行直接盈利或[编辑后售卖]进行间接盈利)。
2、本站所有内容均由合作方或网友上传,本站不对文档的完整性、权威性及其观点立场正确性做任何保证或承诺!文档内容仅供研究参考,付费前请自行鉴别。
3、如文档内容存在违规,或者侵犯商业秘密、侵犯著作权等,请点击“违规举报”。

碎片内容

杭州湾跨海大桥Ⅳ合同沉桩施工方案

确认删除?
VIP
微信客服
  • 扫码咨询
会员Q群
  • 会员专属群点击这里加入QQ群
客服邮箱
回到顶部