电脑桌面
添加小米粒文库到电脑桌面
安装后可以在桌面快捷访问

某地下混凝土结构防水施工方案

某地下混凝土结构防水施工方案_第1页
1/6
某地下混凝土结构防水施工方案_第2页
2/6
某地下混凝土结构防水施工方案_第3页
3/6
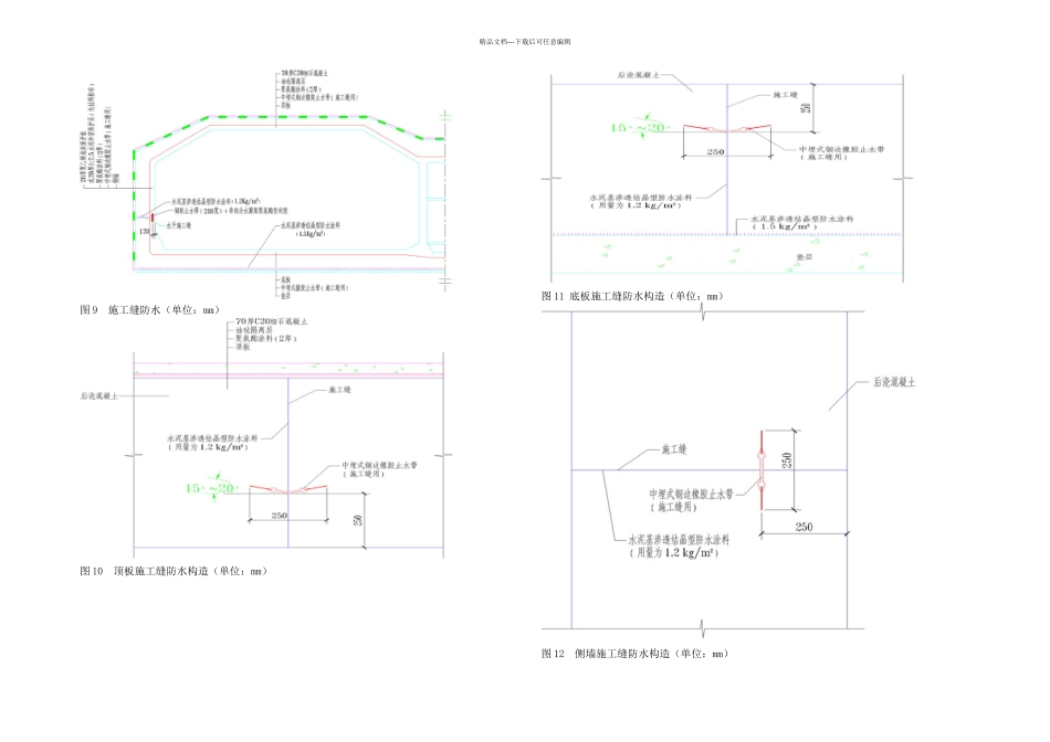
精品文档---下载后可任意编辑1.结构防水概述本工程防水采纳补偿收缩防水混凝土进行结构自防水及外层防水涂料的全封闭防水并设置保护层,施工的关键是处理好施工缝、变形缝等薄弱环节的防水,确保防水工程的质量。侧墙和顶板外防水采纳均涂 2mm 厚的聚氨酯涂料,侧墙防水保护层用 20 厚聚乙烯塑料泡沫保护板,顶板为油毡隔离层和 70mm 厚 C20 细石混凝土组成的保护层,水平施工缝处设置钢板止水带加单组分水膨胀聚氨酯密封胶,如图 1 所示。图 1 非接缝处防水构造(钻孔桩段)(单位:mm)变形缝处施工时首先在底板下和边墙设置外贴式橡胶止水带,在混凝土中沿围边埋设可注浆的中埋式钢边橡胶止水带,顶板上的粘结缝采纳低模量聚氨酯密封胶,如图 2 所示。图 2 变形缝处防水结构(单位:mm)施工缝处埋设中埋式钢边橡胶止水带,其余与变形缝相同,如图 3 所示。图 3 施工缝处防水结构处理固定模板用的螺栓钢筋侵入混凝土结构时,混凝土结构迎水面按图 4 所示的形式进行施工。图 4 对拉螺栓防水构造2.接缝处防水施工(1)接缝处防水概述。变形缝是由于结构不同刚度,不均匀受力及考虑到混凝土结构胀缩而设置的允许变形的结构缝隙,是结构防水的关键环节。施工缝是防水工程的薄弱部位之一,做好该部位的抗渗防水对整个水下工程至关重要。按设计尺寸要求,在侧墙距底板不小于法律规范要求最小距离处设置施工缝,对于施工缝防水,在结构防水的基础上缝内采纳钢板止水带加单组分水膨胀聚氨酯密封胶。为了使接缝严密,浇筑前对缝表面进行凿毛处理,精品文档---下载后可任意编辑清除浮粒。接缝的预埋钢筋应保证无锈蚀,在继续浇筑前用水冲洗并保持湿润,上一层 20~25mm 厚水泥砂浆,材料及灰砂比、强度等应与混凝土相同,捣压密实后再继续浇筑混凝土。侧墙模板应于浇筑混凝土接触密实,且模板有一定的刚度,保证混凝土浇筑完成后不出现错台及由于漏浆造成的麻面或空洞,避开给渗水造成通路。按设计要求,结构变形缝采纳可注浆的中埋式钢边橡胶止水带,如图 5~图 8 所示。图 5 变形缝位置防水构造图 6 顶板变形缝防水(单位:mm)图 7 侧墙变形缝防水(单位:mm)图 8 底板变形缝防水(单位:mm)施工缝设在两节段变形缝之间,施工缝施工时端面进行凿毛,埋设不注浆的中埋式钢边橡胶止水带,其构造如图 9~图 13 所示。精品文档---下载后可任意编辑图 9 施工缝防水(单位:mm)图 10 顶板施工缝防水构造(单...

1、当您付费下载文档后,您只拥有了使用权限,并不意味着购买了版权,文档只能用于自身使用,不得用于其他商业用途(如 [转卖]进行直接盈利或[编辑后售卖]进行间接盈利)。
2、本站所有内容均由合作方或网友上传,本站不对文档的完整性、权威性及其观点立场正确性做任何保证或承诺!文档内容仅供研究参考,付费前请自行鉴别。
3、如文档内容存在违规,或者侵犯商业秘密、侵犯著作权等,请点击“违规举报”。

碎片内容

某地下混凝土结构防水施工方案

您可能关注的文档

确认删除?
VIP
微信客服
  • 扫码咨询
会员Q群
  • 会员专属群点击这里加入QQ群
客服邮箱
回到顶部