电脑桌面
添加小米粒文库到电脑桌面
安装后可以在桌面快捷访问

四级围岩爆破设计

四级围岩爆破设计_第1页
1/11
四级围岩爆破设计_第2页
2/11
四级围岩爆破设计_第3页
3/11
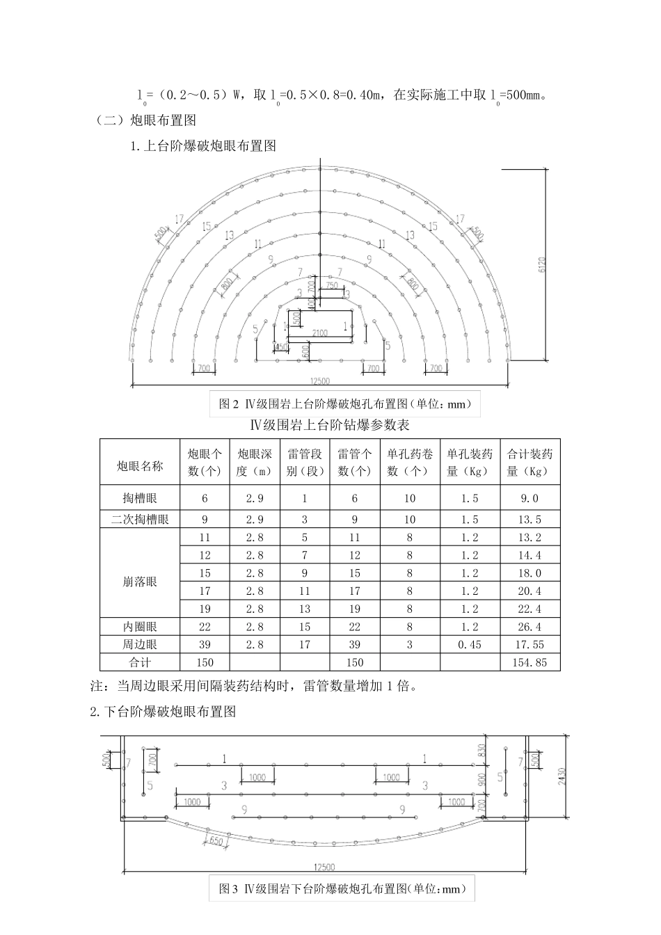
Ⅳ级围岩爆破设计 一、上下台阶开挖钻爆设计: (一)上台阶爆破设计 1.上台阶爆破参数设计 1)炮眼直径 炮眼直径采用:d=42mm 2)掏槽方式:掏槽眼采用斜眼掏槽,其他炮眼采用直眼掏槽; 3)炮眼深度及角度 ① 掏槽眼: 深2.9m;角度75°。 ② 崩落眼:深2.8m;角度90°。 ③ 周边眼和二圈眼: 深2.8 m,87°。 4)循环进尺 循环进尺为 2.5m,炮眼利用率 0.9。 5)掏槽眼 掏槽形式及孔网参数如下图: 掏槽孔装药量计算: 按装药系数确定直孔掏槽的炮孔装药量: Q=ηlq1 =0.55×2.9×0.78=1.241kg,取 Q=1.5kg。 6)崩落孔爆破及参数参数 抵抗线:根据经验取抵抗线 W=700mm。 炮孔间距取:ar=(0.8~1.3)W ar=1.1×700=770m,在实际爆破过程中取 ar=800mm。 崩落孔装药量:Q=qarwl=0.85×0.80×0.70×2.5=1.19kg,取 Q=1.20kg。 图 1 掏槽形式及孔网参数示意图 7)周边孔爆破及参数 周边孔参数按经验公式计算 孔间距:E=(8~12)d,在计算时取E=12×42=504,故取E=500mm。 抵抗线:W=(1.0~1.5)E,在计算时取W=1.2×500=600mm。 装药集中度:q=0.04~0.19kg/m,取q=0.16kg/m, 故Q=0.16×2.8=0.448kg,取Q=0.45kg。 8)炮孔堵塞长度l0的计算 l0=(0.2~0.5)W,取l0=0.5×0.8=0.40m,在实际施工中取l0=500mm。 2、下台阶爆破参数设计 1)炮眼直径 炮眼直径采用:d=42mm 2)循环进尺 循环进尺为2.5m,炮眼利用率0.9。 3) 炮眼深度及角度 ① 崩落眼: 深2.8m;角度90°。 ② 周边眼和二圈眼: 深2.8m,87°。 4)崩落眼爆破参数 确定崩落眼抵抗线: W=(15~25)d,取W=16d=16×42=672mm,取W=700mm。 确定崩落炮孔间距: ar =(1.1~1.8)W,取ar =1.1×700=770mm,取ar =800mm。 崩落孔装药量(1、3 段): Q=qarwl=0.55×1.00×0.85×2.5=1.17kg,取Q=1.20kg。 崩落孔装药量(5段): Q=qarwl=0.55×0.7×0.8×2.5=1.17kg,取Q=0.77kg。 取Q=0.75kg 5)周边孔爆破参数设计 周边孔参数按经验公式计算 孔间距:E=(8~12)d,在计算时取E=12×42=504,故取E=500mm。 抵抗线:W=(1.0~1.5)E,在计算时取W=1.2×500=600mm。 装药集中度:q=0.04~0.19kg/m,取q=0.17kg/m, 故Q=0.17×2.5=0.425kg,取Q=0.45kg。 6)炮孔堵塞长度l0的计算 l0=(0.2~0.5)W,取l0=0.5×0.8=0.40m,在实际施工中取l0=500mm。 (二)炮眼布置图 1.上台阶爆破炮眼布置图 Ⅳ级围岩上台阶钻爆参数...

1、当您付费下载文档后,您只拥有了使用权限,并不意味着购买了版权,文档只能用于自身使用,不得用于其他商业用途(如 [转卖]进行直接盈利或[编辑后售卖]进行间接盈利)。
2、本站所有内容均由合作方或网友上传,本站不对文档的完整性、权威性及其观点立场正确性做任何保证或承诺!文档内容仅供研究参考,付费前请自行鉴别。
3、如文档内容存在违规,或者侵犯商业秘密、侵犯著作权等,请点击“违规举报”。

碎片内容

四级围岩爆破设计

您可能关注的文档

确认删除?
VIP
微信客服
  • 扫码咨询
会员Q群
  • 会员专属群点击这里加入QQ群
客服邮箱
回到顶部