电脑桌面
添加小米粒文库到电脑桌面
安装后可以在桌面快捷访问

安全岛的制作

安全岛的制作_第1页
1/6
安全岛的制作_第2页
2/6
安全岛的制作_第3页
3/6
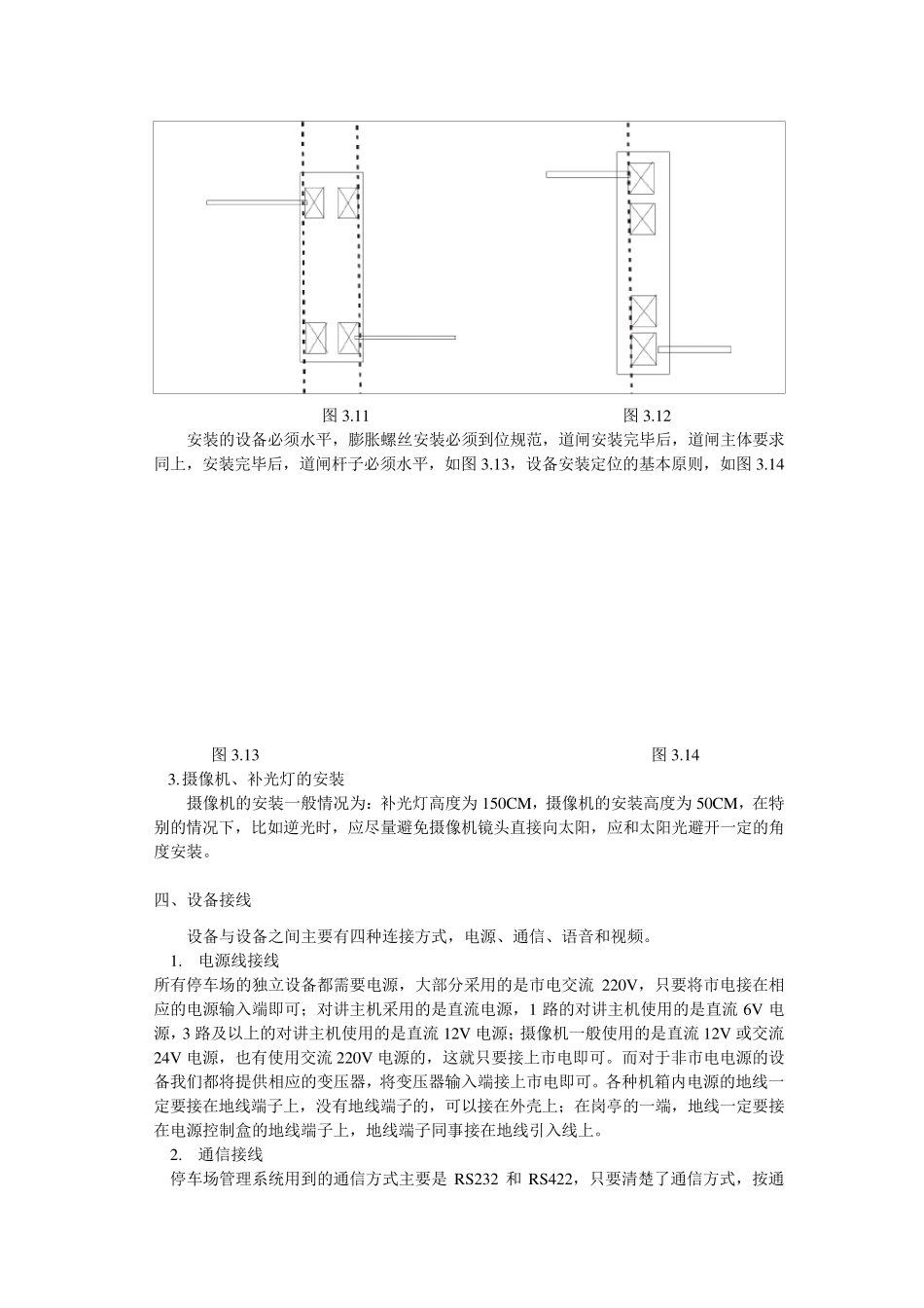
一、安全岛的制作 安全岛不但是固定设备的基础,同事也是起到保护设备的作用。安全岛一般是采用混凝土浇灌而成的。根据现场的实际情况和设备的安装位置来确定安全到的尺寸。我们列举几个例子来说明安全岛的制作: 1) 一进一出出口收费的设备在一起且中间要放收费岗亭,我们可以将安全岛做成长5.5 米,宽1.3 米,高0.15 米的长方体,为了美观,我们可以将岛的两头做成弧形的,如图所示: 2) 在浇灌安全岛之前要先将走线的管进行预埋。预埋线管要按布线的要求用镀锌管或PV C 管。 3) 单进的安全岛:我们可将安全岛做成长4..3 米,宽0.5-0.6 米,高0.15 米长方体,两端可做成圆弧状。有时为节省工时和成本,可将安全岛做成三个60*60*15CM 的长方体,如图所示“ 4) 斜坡上的安全岛:在斜坡上做安全岛要做成几个台阶式的,对安放设备的地方做成60*60CM 的台阶,但安全岛上表面一定要水平,若有岗亭,则需将安装岗亭的地方做成水平,如图所示: 二、地线安装 在进行地线预埋时,可以将地线埋在安全岛下面。埋入地下部分(一定是埋在泥土里,这样才可以保证接地的良好)可以是Ф20m m 的圆钢或是40m m *40m m 的角钢,引出线使用4.0 平方的铁线。地线阻值不得大于4Ω,可用地线摇表(地阻仪)进行测量。 三、设备安装 1. 安装步骤 1.1 确定安装位置,在安装基础(安全岛)上标注好设备的安装空位; 1.2 根据设备的安装孔的尺寸,选择合适的冲击钻头; 1.3 在标注好的位置打孔; 1.4 将拉爆螺丝打入孔内并拧紧使之不晃动,而后将螺母和垫片取下; 1.5 放上设备,对其安装螺丝; 1.6 放上垫片禁锢螺帽即可。 2. 安装标准 安装的设备必须整齐划一,要求在安装时用墨斗弹线对齐!如图 3.11、图 3.12 所示: 图3.11 图3.12 安装的设备必须水平,膨胀螺丝安装必须到位规范,道闸安装完毕后,道闸主体要求同上,安装完毕后,道闸杆子必须水平,如图3.13,设备安装定位的基本原则,如图3.14 图3.13 图3.14 3. 摄像机、补光灯的安装 摄像机的安装一般情况为:补光灯高度为 150CM,摄像机的安装高度为 50CM,在特别的情况下,比如逆光时,应尽量避免摄像机镜头直接向太阳,应和太阳光避开一定的角度安装。 四、设备接线 设备与设备之间主要有四种连接方式,电源、通信、语音和视频。 1. 电源线接线 所有停车场的独立设备都需要电源,大部分采用的是市电交流 220V ,只要将市电接在相应的电源...

1、当您付费下载文档后,您只拥有了使用权限,并不意味着购买了版权,文档只能用于自身使用,不得用于其他商业用途(如 [转卖]进行直接盈利或[编辑后售卖]进行间接盈利)。
2、本站所有内容均由合作方或网友上传,本站不对文档的完整性、权威性及其观点立场正确性做任何保证或承诺!文档内容仅供研究参考,付费前请自行鉴别。
3、如文档内容存在违规,或者侵犯商业秘密、侵犯著作权等,请点击“违规举报”。

碎片内容

安全岛的制作

您可能关注的文档

确认删除?
VIP
微信客服
  • 扫码咨询
会员Q群
  • 会员专属群点击这里加入QQ群
客服邮箱
回到顶部