电脑桌面
添加小米粒文库到电脑桌面
安装后可以在桌面快捷访问

安全生产、文明施工、环境保护措施VIP专享

安全生产、文明施工、环境保护措施_第1页
1/15
安全生产、文明施工、环境保护措施_第2页
2/15
安全生产、文明施工、环境保护措施_第3页
3/15
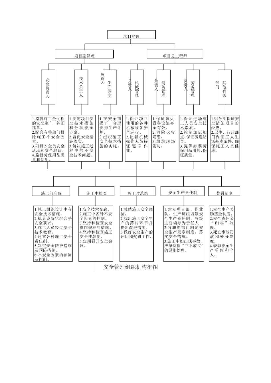
安全生产保护措施 (一)、安全管理目标 一)、安全管理目标 本合同施工安全管理目标是:“四无一杜绝”.“四无”即无工伤死亡事故,负伤率 3‰以下,无重大机械设备事故,无交通死亡事故,无火灾、洪灾事故;“一杜绝”即杜绝重伤事故。 贯彻“安全第一、预防为主”的宗旨,坚持“安全为了生产,生产必须安全”的原则,做到思想保证、组织保证、技术保证、措施保证、确保人员、设备及工程安全。 二)、安全管理目标的实施方案 建立严格的经济责任制是实施安全管理目标的中心环节;运用安全系统工程的思想,坚持以人为本、教育为先、预防为主、管理从严是做好安全事故的超前防范工作,是实现安全管理目标的基础;机构健全、措施具体、落实到位、奖罚分明,是实现安全管理目标的关键。 成立项目经理挂帅的安全生产领导小组,施工队成立以队长为组长的安全生产小组,全面落实安全生产的保证措施,实现安全生产目标。 建立健全安全组织保证体系,落实安全责任考核制,实行安全责任金“归零"制度,把安全生产情况与每个员工的经济利益挂钩,使安全生产处于良好状态. 开 展 安全标准 化 工地 建设,按 安全标准 工地 进 行管理,采 用安全易 发 事故点 控制法 ,确保施工安全. (二)、施工安全管理组织机构及其 主要 职 责 一)、施工安全管理组织机构 施工现场 成立以项目经理领导下的,由 项目副 经理、项目总 工程师 、质 量 安全部 、工程技术部 、机械设备物 资 部 、办 公 室 等 负责人组成的施工安全管理领导小组。各 部 门 负责人是本项目的安全第一责任人,保证全面执 行各 项安全管理制度,对 本部 门 的安全施工负直 接 领导责任.本项目设一名 专 职 安全员,各 部 门 设一名兼 职 安全员,在 质 量 安全部 的监 督 指 导下负责本项目的日 常 安全管理工作,各 施工作业 班 班 长为兼 职 安全员,在 队专 职 安全员的指 导下开 展 班 组的安全工作,对本班 人员在 施工过 程中的安全和 健康 全面负责,确保本班 人员按 照 业 主的规 定 和作业 指 导书 、安全施工措施进 行施工,不 违 章 作业 .施工安全管理组织机构。 安 全 管 理 组 织 机 构 框 图 项 目 经 理 项 目 副 经 理 项 目 总 工 程 师 安全负责人 技术负责人 生产调度负责人机械管理负责人消防管理负责人劳务管理负责人其他有关部门1 .监 督 ...

1、当您付费下载文档后,您只拥有了使用权限,并不意味着购买了版权,文档只能用于自身使用,不得用于其他商业用途(如 [转卖]进行直接盈利或[编辑后售卖]进行间接盈利)。
2、本站所有内容均由合作方或网友上传,本站不对文档的完整性、权威性及其观点立场正确性做任何保证或承诺!文档内容仅供研究参考,付费前请自行鉴别。
3、如文档内容存在违规,或者侵犯商业秘密、侵犯著作权等,请点击“违规举报”。

碎片内容

安全生产、文明施工、环境保护措施

确认删除?
VIP
微信客服
  • 扫码咨询
会员Q群
  • 会员专属群点击这里加入QQ群
客服邮箱
回到顶部