电脑桌面
添加小米粒文库到电脑桌面
安装后可以在桌面快捷访问

进场热轧光圆钢筋施工组织设计VIP免费

进场热轧光圆钢筋施工组织设计_第1页
1/22
进场热轧光圆钢筋施工组织设计_第2页
2/22
进场热轧光圆钢筋施工组织设计_第3页
3/22
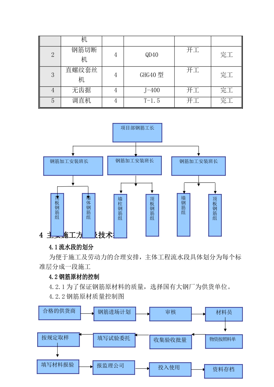
目录1编制依据..................................................22工程概况.....................................................23施工准备.....................................................24主要施工方法及技术措施.....................................45质量要求..................................................236各项管理措施...............................................267工期计划...................................................271编制依据1.1施工图纸1.2主要规程、规范、图集2.工程概况多层建筑,钢筋混凝土框架结构,设计使用年限50年,材料为HRB400,HPB235级钢筋。承包方式:钢筋的加工制作与绑扎;装车卸车,钢筋场地的完善、钢筋加工机具;电渣压力焊;套筒机械连接;绑丝及手头小型工具;所承揽生产区和生活区的安全文明施工。工程质量:分部、分项工程一次验收合格,必保达到优良工程标准。3.施工准备3.1技术准备施工前认真查阅图纸(包括与建筑图对应情况)、图纸会审记录、设计变更记录、工程洽商记录施工方案、相关安全质量规范。发现图纸问题及时与设计联系解决,做到不因技术问题影响施工生产。钢筋工长、劳务队管理人员及主要技术工人学习《混凝土结构工程质量验收规范》(GB50204-2002)、《混凝土结构施工图平面整体表示方法制图规则和构造详图》(11G101-1)等相关规范、规程。3.1.1技术交底准备分项工程开工前7天,要先做好施工方案的审批。方案审批后,项目技术负责人要对项目部和相关专业分包单位管理人员进行方案交底,使项目所有管理人员领会施工方案内容,以指导施工。3.1.2器具配置序号仪器名称数量检验状态用途1扭力扳手3有效直螺纹连接检查2电子秤1有效钢筋计量3卡尺3有效钢筋检测4直螺纹通规止规16-25mm规格各6组有效直螺纹丝头检查5电渣压力焊机具5有效柱子钢筋焊接3.2机具准备序号机械名称数量规格进场时间出场时间1钢筋弯曲6WQ40开工完工机2钢筋切断机4QD40开工完工3直螺纹套丝机4GHG40型开工完工4无齿据4J-400开工完工5调直机4T-1.5开工完工4主要施工方法及技术措施4.1流水段的划分为便于施工及劳动力的合理安排,主体工程流水段具体划分为每个标准层分成一段施工4.2钢筋原材的控制4.2.1为了保证钢筋原材料的质量,选择国有大钢厂为供货单位。4.2.2钢筋原材质量控制图合格的供货商钢筋进场计划审核材料员按规定取样填写试验委托物资按照料单收集验收批量填写材料报验报监理公司投入使用资料存档项目部钢筋工长钢筋加工安装班长墙体钢筋组顶板钢筋组钢筋加工安装班长墙钢筋组顶板钢筋组钢筋加工安装班长墙柱钢筋组顶板钢筋组4.3钢筋检验4.3.1进场热轧光圆钢筋必须符合《普通低碳钢热轧圆盘条》(GB701)和《钢筋混凝土用热轧光圆钢筋》(GB1499.1-2008)的规定;进场热轧带肋钢筋必须符合《钢筋混凝土用热轧带肋钢筋》(GB1499.2-2007)的规定,每次进场钢筋必须具有原材质量证明书,其质量必须符合有关标准的规定。4.3.2原材复试符合有关规范要求,且见证取样数必须100%。钢筋进场时,应按国家现行相关标准的规定抽取试件作力学性能和重量偏差检验,检验结果必须符合有关标准的规定。每批由同一炉号、同一规格、同一交货状态、同一冶炼方法的钢筋每60t作为一批;不足60t的也按一个验收批计算,同牌号、同规格、同冶炼方法而不同炉号组成混合批的钢筋≤60t可作为一批,但每批应≤6个炉号,每炉号含碳量之差应≤0.02%、含锰量之差应≤0.15%。外观检验及材料码放:分类放置,做好标识,注明状态。进场钢筋表面必须清洁无损伤,不得带有颗粒状或片状铁锈、裂纹、结疤、折叠、油渍和漆污等,直筋每1m弯曲度≤4mm(用“凹”形尺测量)。力学性能试验:从每批钢筋中任选取两根钢筋,每根取两个试样分别进行拉伸试验(包括屈服点、抗拉强度和伸长率)和冷弯试验,钢筋的抗拉强度实测值与屈服强度实测值的比值不应小于1.25,钢筋的屈服强度实测值与强度标准值的比值不应大于1.3。取样部位及取样数量:试件应在距钢筋端头500mm以上截取,在每批中任选两根钢筋,在原材上截取一根拉力试件,一根冷弯试件。以上拉力、弯曲...

1、当您付费下载文档后,您只拥有了使用权限,并不意味着购买了版权,文档只能用于自身使用,不得用于其他商业用途(如 [转卖]进行直接盈利或[编辑后售卖]进行间接盈利)。
2、本站所有内容均由合作方或网友上传,本站不对文档的完整性、权威性及其观点立场正确性做任何保证或承诺!文档内容仅供研究参考,付费前请自行鉴别。
3、如文档内容存在违规,或者侵犯商业秘密、侵犯著作权等,请点击“违规举报”。

碎片内容

进场热轧光圆钢筋施工组织设计

您可能关注的文档

确认删除?
VIP
微信客服
  • 扫码咨询
会员Q群
  • 会员专属群点击这里加入QQ群
客服邮箱
回到顶部