电脑桌面
添加小米粒文库到电脑桌面
安装后可以在桌面快捷访问

定量给料机说明书

定量给料机说明书_第1页
1/44
定量给料机说明书_第2页
2/44
定量给料机说明书_第3页
3/44
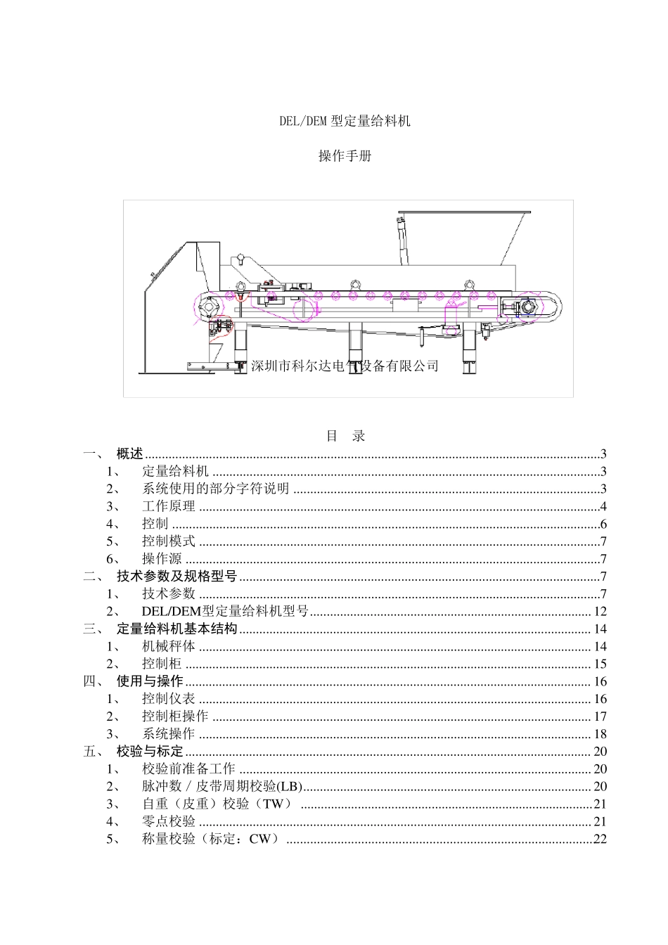
DEL/DEM 型定量给料机 操作手册 深圳市科尔达电气设备有限公司 目 录 一、 概述 ....................................................................................................................................... 3 1、 定量给料机 ................................................................................................................... 3 2、 系统使用的部分字符说明 ........................................................................................... 3 3、 工作原理 ....................................................................................................................... 4 4、 控制 ............................................................................................................................... 6 5、 控制模式 ....................................................................................................................... 7 6、 操作源 ........................................................................................................................... 7 二、 技术参数及规格型号 ........................................................................................................... 7 1、 技术参数 ....................................................................................................................... 7 2、 DEL/DEM型定量给料机型号 .................................................................................... 12 三、 定量给料机基本结构 ......................................................................................................... 14 1、 机械秤体 ..................................................................................................................... 14 2、 控制柜 ......................................................................................................................... 15 四、 使用与操作 ...........................................................................................................................

1、当您付费下载文档后,您只拥有了使用权限,并不意味着购买了版权,文档只能用于自身使用,不得用于其他商业用途(如 [转卖]进行直接盈利或[编辑后售卖]进行间接盈利)。
2、本站所有内容均由合作方或网友上传,本站不对文档的完整性、权威性及其观点立场正确性做任何保证或承诺!文档内容仅供研究参考,付费前请自行鉴别。
3、如文档内容存在违规,或者侵犯商业秘密、侵犯著作权等,请点击“违规举报”。

碎片内容

定量给料机说明书

确认删除?
VIP
微信客服
  • 扫码咨询
会员Q群
  • 会员专属群点击这里加入QQ群
客服邮箱
回到顶部