电脑桌面
添加小米粒文库到电脑桌面
安装后可以在桌面快捷访问

实木门质量标准

实木门质量标准_第1页
1/15
实木门质量标准_第2页
2/15
实木门质量标准_第3页
3/15
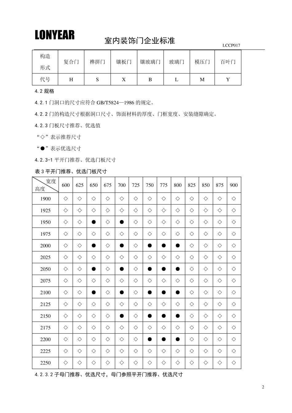
LONYEAR 室内装饰门企业标准 LCCP017 0 1 范围 本标准规定了由朗誉出品的室内装饰门的产品分类、规格尺寸、技术要求、检验规则、运输贮存、包装要求。 2 规范性引用文件 下列文件中的条款通过本标准的引用而成为本标准的条款。凡是注日期的引用文件,其随后所有的修改(不包括勘误的内容)或修订版均不适用于本标准,然而,鼓励根据本标准达成协议的各方研究是否可使用这些文件的最新版本。凡是不注日期的引用文件,其最新版本适用于本标准。 GB/T1931 木材含水率测定方法 JG/T122—2000 建筑木门、木窗 WB/T1024—2006 木质门 GB/T5824—1986 建筑门窗洞口尺寸系列 GB/T5825—1986 建筑门窗扇开、关方向和开、关面的标志符号 GB 18580 室内装饰材料 人造板及其制品中甲醛释放限量 GB 18581 室内装饰材料 溶剂型木器涂料中有害物质限量 GB 18581 室内装饰材料 胶粘剂中有害物质限量 GB 18581 室内装饰材料 木家具中有害物质限量 GB/T 16799—1997 家具用皮革 GB/T 11718—1999 中密度纤维板 GB/T16998—1997 热熔胶粘剂稳定性测定 GB/T15104—2006 装饰单板贴面人造板 GB/T13010—2006 刨切单板 GB/T15102—2006 浸渍胶膜纸 饰面人造板 GB/T9846—2004 胶合 板 GB/T4897—2003 刨花 板 JS-A7-01-001 朗誉内门成品检验方法 JS-A4-01-0007 朗誉指 接 集 成材检验标准 JS-A4-01-0006 朗誉锯 材质量检验标准 JS-A4-01-0010 朗誉内门专 用材料质量检验标准 LONYEAR 室内装饰门企业标准 LCCP017 1 JS-A4-01-0005 朗誉木皮质量检验标准 JS-A4-01-0003 朗誉浸渍胶膜纸饰面人造板质量检验标准 JS-A4-02-0001 朗誉PVC 封边条质量检验标准 JS-A4-09-0001 朗誉油漆及漆膜检验标准 3 术语定义 3.1 外观装饰面定义 a) 主装饰面:部件在正常使用中可见的装饰面,包括门板正反面、门板开启时可见的安装锁体门板侧面和门套外表面。 b) 次装饰面:部件在正常使用中不可见的装饰面,包括门板上顶面、下顶面、安装合页的门板侧面和门套开口表面。 c) 隐蔽面:部件在装配后不可见的面,包括门套组装前副门套插入主套的插接板部分和主门套的插接槽、安装配套五金件时可覆盖的面、移门上滑轨、下滑轨安装后不可见面。 3.2 外观质量缺陷定义 a) 轻微:指在自然光或光照度300—600LX 范围内的近似自然光(例如在40W 日光灯)下,视距 700mm 以上不可见, 视距 700mm 以...

1、当您付费下载文档后,您只拥有了使用权限,并不意味着购买了版权,文档只能用于自身使用,不得用于其他商业用途(如 [转卖]进行直接盈利或[编辑后售卖]进行间接盈利)。
2、本站所有内容均由合作方或网友上传,本站不对文档的完整性、权威性及其观点立场正确性做任何保证或承诺!文档内容仅供研究参考,付费前请自行鉴别。
3、如文档内容存在违规,或者侵犯商业秘密、侵犯著作权等,请点击“违规举报”。

碎片内容

实木门质量标准

您可能关注的文档

确认删除?
VIP
微信客服
  • 扫码咨询
会员Q群
  • 会员专属群点击这里加入QQ群
客服邮箱
回到顶部