电脑桌面
添加小米粒文库到电脑桌面
安装后可以在桌面快捷访问

实用的步进电机驱动电路(图)

实用的步进电机驱动电路(图)_第1页
1/11
实用的步进电机驱动电路(图)_第2页
2/11
实用的步进电机驱动电路(图)_第3页
3/11
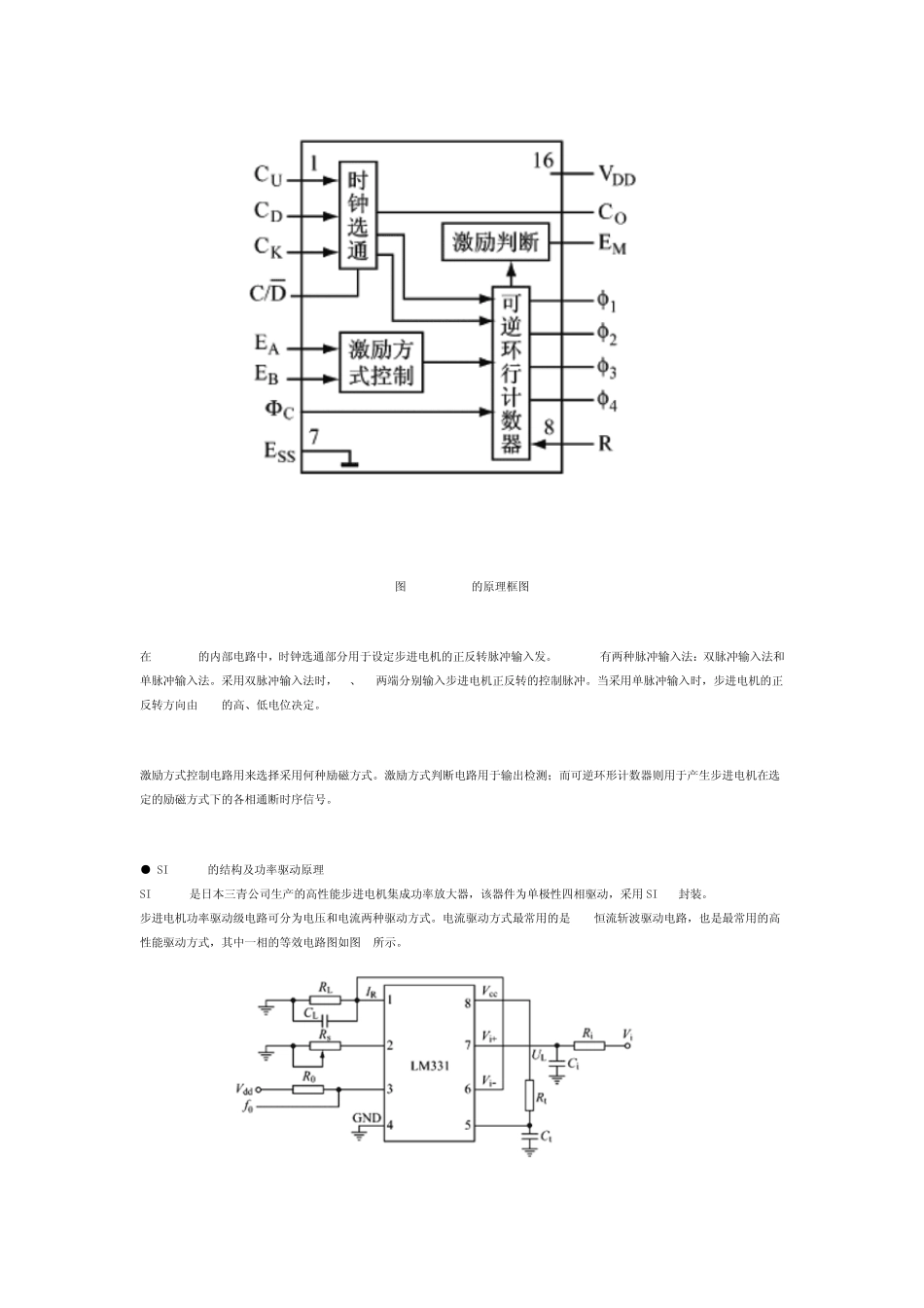
实用的步进电机驱动电路(图) 概述 步进电机是一种将电脉冲转化为角位移的执行机构,可以通过控制脉冲个数来控制角位移量,从而达到准确定位的目的;同时可以通过控制脉冲频率来控制电机转动的速度和加速度,从而达到调速的目的。 目前,对步进电机的控制主要有由分散器件组成的环形脉冲分配器、软件环形脉冲分配器、专用集成芯片环形脉冲分配器等。本设计选用第三种方案,用PMM8713 三相或四相步进电机的脉冲分配器、SI-7300A两相或四相功率驱动器,组成四相步进电机功率驱动电路,以提高集成度和可靠性,步进电机控制框图见图1。 图1 步进电机控制系统框图 硬件简介 ● PMM8713 原理框图及功能 PMM8713 是日本三洋电机公司生产的步进电机脉冲分配器,适用于控制三相或四相步进电机。控制三相或四相步进电机时都可以选择 3 种励磁方式,每相最小吸入与拉出电流为20mA,它不仅满足后级功率放大器的输入要求,而且在其所有输入端上均内嵌施密特触发电路,抗干扰能力强 ,其原理框图如 图2所示 。 图2 PMM8713的原理框图 在PMM8713的内部电路中,时钟选通部分用于设定步进电机的正反转脉冲输入发。PMM8713有两种脉冲输入法:双脉冲输入法和单脉冲输入法。采用双脉冲输入法时,CP、CU两端分别输入步进电机正反转的控制脉冲。当采用单脉冲输入时,步进电机的正反转方向由U/D的高、低电位决定。 激励方式控制电路用来选择采用何种励磁方式。激励方式判断电路用于输出检测;而可逆环形计数器则用于产生步进电机在选定的励磁方式下的各相通断时序信号。 ● SI-7300A的结构及功率驱动原理 SI-7300A是日本三青公司生产的高性能步进电机集成功率放大器,该器件为单极性四相驱动,采用SIP18封装。 步进电机功率驱动级电路可分为电压和电流两种驱动方式。电流驱动方式最常用的是 PWM恒流斩波驱动电路,也是最常用的高性能驱动方式,其中一相的等效电路图如图3所示。 图3 LM331 电压/频率变换电路 ● LM331 芯片 LM331 是美国国家半导体公司生产的双列直插式 8脚芯片,只需接入几个外部元件就可以方便地构成电压/频率(V/F)变换电路,电路如图4所示。 图4 四相步进电机功率驱动电路 LM331 的输出频率和输入电压存在如下关系:f0=Vi/(IRt1RL),其中 t1由外接的定时元件 Rt和 Ct决定,t1=1.1RtCt,IR由内部精密电流源提供,IR=1.9V/RS。故 f0=ViRS/(2.09RtRLCt)。RS为可调电阻,它的作用是调整 LM331 的增益偏差。Ct...

1、当您付费下载文档后,您只拥有了使用权限,并不意味着购买了版权,文档只能用于自身使用,不得用于其他商业用途(如 [转卖]进行直接盈利或[编辑后售卖]进行间接盈利)。
2、本站所有内容均由合作方或网友上传,本站不对文档的完整性、权威性及其观点立场正确性做任何保证或承诺!文档内容仅供研究参考,付费前请自行鉴别。
3、如文档内容存在违规,或者侵犯商业秘密、侵犯著作权等,请点击“违规举报”。

碎片内容

实用的步进电机驱动电路(图)

小辰3+ 关注
实名认证
内容提供者

出售各种资料和文档

相关文档

确认删除?
VIP
微信客服
  • 扫码咨询
会员Q群
  • 会员专属群点击这里加入QQ群
客服邮箱
回到顶部