电脑桌面
添加小米粒文库到电脑桌面
安装后可以在桌面快捷访问

实验室废弃物的处理

实验室废弃物的处理_第1页
1/13
实验室废弃物的处理_第2页
2/13
实验室废弃物的处理_第3页
3/13
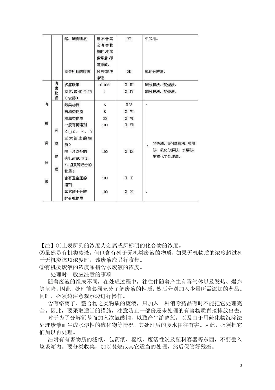
1 实验室废弃物处理细则 废弃物,包含的种类繁多。从实验室排出的废弃物,主要为列于附录中的物质。排放这些废弃物时,受到政府颁布的各项法令的限制。特别是化学物质,由于考虑到它会以某种形式危及人们的健康,所以从防止污染环境的立场出发,即使数量甚微,也要避免把它排放到自然水域或大气中去,而必须加以适当的处理。 通常从实验室排出的废液,虽然与工业废液相比在数量上是很少的,但是,由于其种类多,加上组成经常变化,因而最好不要把它集中处理,而由各个实验室根据废弃物的性质,分别加以处理。为此,废液的回收及处理自然就需依赖实验室中每一个工作人员。所以,实验人员应予足够的重视,疏忽大意固然不对,而即使由于操作错误或发生事故,也应避免排出有害物质。同时,实验人员还必须加深对防止公害的认识,自觉采取措施,防止污染,以免危害自身或者危及他人。 本细则是对实验室的废弃物中,以列于防止水质污染法的有害物质为对象,提出一些处理方法示例。然而,这里所叙述的方法不是万能的,也可能由于废液的组成不同而不能充分发挥其应有的效果。若有新的更合理的处理方法,则应将其正确使用,研究出更合理的处理方法。 1. 收集、贮存一般应注意的事项 1).废液的浓度超过表4—1所列的浓度时,必须进行处理。但处理设施比较齐全时,往往把废液的处理浓度限制放宽。 2).最好先将废液分别处理,如果是贮存后一并处理时,虽然其处理方法将有所不同,但原则上仍如表4—1所列的方法,将可以统一处理的各种化合物收集后进行处理。 3).处理含有络离子、螯合物之类的废液时,如果有干扰成份存在,要把含有这些成份的废液另外收集。 4).下面所列的废液不能互相混合: ①过氧化物与有机物;②氰化物、硫化物、次氯酸盐与酸;③盐酸、氢氟酸等挥发性酸与不挥发性酸;④浓硫酸、磺酸、羟基酸、聚磷酸等酸类与其它的酸;⑤铵盐、挥发性胺与碱。 5).要选择没有破损及不会被废液腐蚀的容器进行收集。将所收集的废液的成份及含量,贴上明显的标签,并置于安全的地点保存。特别是毒性大的废液,尤要十分注意。 6).对硫醇、胺等会发出臭味的废液和会发生氰、磷化氢等有毒气体的废液,以及易燃性大的二硫化碳、乙醚之类废液,要把它加以适当的处理,防止泄漏,并应尽快进行处理。 7).含有过氧化物、硝化甘油之类爆炸性物质的废液,要谨慎地操作,并应尽快处理。 8).含有放射性物质的废弃物,用另外的方法收集,并必须严格按照有关的规...

1、当您付费下载文档后,您只拥有了使用权限,并不意味着购买了版权,文档只能用于自身使用,不得用于其他商业用途(如 [转卖]进行直接盈利或[编辑后售卖]进行间接盈利)。
2、本站所有内容均由合作方或网友上传,本站不对文档的完整性、权威性及其观点立场正确性做任何保证或承诺!文档内容仅供研究参考,付费前请自行鉴别。
3、如文档内容存在违规,或者侵犯商业秘密、侵犯著作权等,请点击“违规举报”。

碎片内容

实验室废弃物的处理

小辰4+ 关注
实名认证
内容提供者

出售各种资料和文档

确认删除?
VIP
微信客服
  • 扫码咨询
会员Q群
  • 会员专属群点击这里加入QQ群
客服邮箱
回到顶部