电脑桌面
添加小米粒文库到电脑桌面
安装后可以在桌面快捷访问

对接立焊实操练习

对接立焊实操练习_第1页
1/8
对接立焊实操练习_第2页
2/8
对接立焊实操练习_第3页
3/8
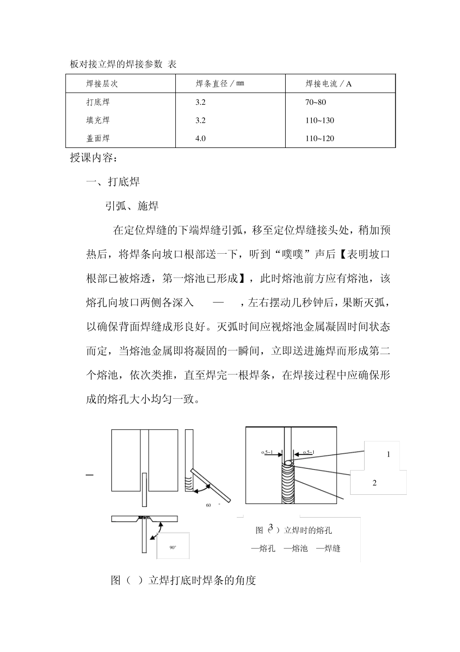
对接立焊实操练习 课 题:12mm钢板的 V形坡口对接立焊 教学目的:通过讲解、示范、分组练习,使学生掌握焊条电弧焊运条的基本动作及操作方法。 教学重点:打底焊,填充焊、盖面焊 教学难点:1控制引弧位置、2控制熔孔大小和形状、3控制好接头质量 教学方法:讲解、示范、分组练习。 焊前准备: 1.焊机 ZX7-400逆变焊机 2.试件 300mm×150mm×12mm 3.焊条 E4303 φ 3.2 φ 4.0 导语:在立焊时,液态金属受重力作用而下坠,容易产生焊瘤,焊缝成形困难。在打底层焊接时,由于熔渣的熔点低,流动性强,熔池金属和熔渣易分离,会造成熔池部分脱离熔渣的保护,操作或运条角度不当,容易产生气孔,它对焊缝质量的优劣,焊缝成形的好坏起着决定性的影响。 试板装配尺寸(表1) 坡口角度/ 装配间隙/㎜ 钝边/㎜ 反变形/° 错变量/㎜ 60 施焊端 2.5 终焊端 3.2 1 2—3 ≤2 板对接立焊的焊接参数(表2) 焊接层次 焊条直径/㎜ 焊接电流/A 打底焊 填充焊 盖面焊 3.2 3.2 4.0 70~80 110~130 110~120 授课内容: 一、打底焊 1.1引弧、施焊 在定位焊缝的下端焊缝引弧,移至定位焊缝接头处,稍加预热后,将焊条向坡口根部送一下,听到“噗噗”声后【表明坡口根部已被熔透,第一熔池已形成】,此时熔池前方应有熔池,该熔孔向坡口两侧各深入0.5—1mm,左右摆动几秒钟后,果断灭弧,以确保背面焊缝成形良好。灭弧时间应视熔池金属凝固时间状态而定,当熔池金属即将凝固的一瞬间,立即送进施焊而形成第二个熔池,依次类推,直至焊完一根焊条,在焊接过程中应确保形成的熔孔大小均匀一致。 图(1)立焊打底时焊条的角度 o.5~1 o.5~1 2 1 3 图(2)立焊时的熔孔 1—熔孔 2—熔池 3—焊缝 60°90° 1.2焊条角度 焊条与试板两侧夹角要确保90º, 以 防 电 弧 热 量 分 布 不 均 ,击 穿 单 边 坡 口 。 焊条向 下 倾 角为70º~85º, 开 始 焊接 时 , 由 于 试板两侧温 度较 低 , 可 将 焊条角度提 高 到85º, 焊接 焊缝 上 部 时 ,手 臂 伸 长 , 焊条角度发 生 变 化 , 因 此 要注 意 控 制 焊条角度, 以 防焊条倾 角过 大 , 介 入 空 气 , 产 生 气 孔 。 2、 要领 熔 孔 大 小 的 控 制 及 操 作 要领 2.1看 观 察 熔 池 形 状 和 熔 孔 大 小 , 并 基 本 保持 一 致 ,...

1、当您付费下载文档后,您只拥有了使用权限,并不意味着购买了版权,文档只能用于自身使用,不得用于其他商业用途(如 [转卖]进行直接盈利或[编辑后售卖]进行间接盈利)。
2、本站所有内容均由合作方或网友上传,本站不对文档的完整性、权威性及其观点立场正确性做任何保证或承诺!文档内容仅供研究参考,付费前请自行鉴别。
3、如文档内容存在违规,或者侵犯商业秘密、侵犯著作权等,请点击“违规举报”。

碎片内容

对接立焊实操练习

您可能关注的文档

确认删除?
VIP
微信客服
  • 扫码咨询
会员Q群
  • 会员专属群点击这里加入QQ群
客服邮箱
回到顶部