电脑桌面
添加小米粒文库到电脑桌面
安装后可以在桌面快捷访问

导地线直线液压管施工检查及评级记录表

导地线直线液压管施工检查及评级记录表_第1页
1/17
导地线直线液压管施工检查及评级记录表_第2页
2/17
导地线直线液压管施工检查及评级记录表_第3页
3/17
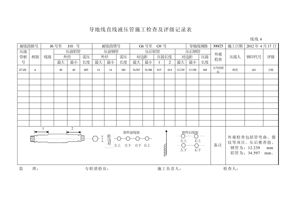
导地线直线液压管施工检查及评级记录表 线线4 耐张段桩号 J6 号至 J10 号 耐张段塔号 G6 号至 G9 号 导地线规格 300/25 施工日期 2012 年 4 月17 日 压接管桩号 相别 线别 压前铝管 压前钢管 压后铝管 压后钢管 外观 检查 压接人 钢印代号 评级 外径 需压 长度 外径 需压 长度 对边距 压接长度 对边距 压接 长度 最大 最小 最大 最小 最大 最小 1 2 最大 最小 Z7-Z8 A 40 40 605 14 14 160 34.567 34.386 615 614 12.239 12.198 168 无弯曲裂纹 林勇 z01 合格 1 2 附件前线别 附件后线别 左上 右上 左上 左下 右下 右上 左下 右下 备注 外观检查包括管弯曲、裂纹等项目。压后推荐值。钢管为:12.239 mm 铝管为:34.597 mm。 监 理: 专职质检员: 施工负责人: 检查人: 对边距 导地线直线液压管施工检查及评级记录表 线线4 耐张段桩号 J6 号至 J10 号 耐张段塔号 G6 号至 G9 号 导地线规格 300/25 施工日期 2012 年 4 月18 日 压接管桩号 相别 线别 压前铝管 压前钢管 压后铝管 压后钢管 外观 检查 压接人 钢印代号 评级 外径 需压 长度 外径 需压 长度 对边距 压接长度 对边距 压接 长度 最大 最小 最大 最小 最大 最小 1 2 最大 最小 J6-Z8 B 40 40 605 14 14 160 34.557 34.486 614 613 12.239 12.198 169 无弯曲裂纹 林勇 Z02 合格 1 2 附件前线别 附件后线别 左上 右上 左上 左下 右下 右上 左下 右下 备注 外观检查包括管弯曲、裂纹等项目。压后推荐值。钢管为:12.239 m m 铝管为:34.597 m m 。 监 理: 专职质检员: 施工负责人: 检查人: 对边距 导地线直线液压管施工检查及评级记录表 线线4 耐张段桩号 J10 号至 J20 号 耐张段塔号 G15 号至 G16 号 导地线规格 300/25 施工日期 2012 年 4 月 18 日 压接管桩号 相别 线别 压前铝管 压前钢管 压后铝管 压后钢管 外观 检查 压接人 钢印代号 评级 外径 需压 长度 外径 需压 长度 对边距 压接长度 对边距 压接 长度 最大 最小 最大 最小 最大 最小 1 2 最大 最小 Z16-Z19 B 40 40 605 14 14 160 34.566 34.476 615 616 12.239 12.198 168 无弯曲裂纹 林勇 Z03 合格 1 2 附件前线别 附件后线别 左上...

1、当您付费下载文档后,您只拥有了使用权限,并不意味着购买了版权,文档只能用于自身使用,不得用于其他商业用途(如 [转卖]进行直接盈利或[编辑后售卖]进行间接盈利)。
2、本站所有内容均由合作方或网友上传,本站不对文档的完整性、权威性及其观点立场正确性做任何保证或承诺!文档内容仅供研究参考,付费前请自行鉴别。
3、如文档内容存在违规,或者侵犯商业秘密、侵犯著作权等,请点击“违规举报”。

碎片内容

导地线直线液压管施工检查及评级记录表

确认删除?
VIP
微信客服
  • 扫码咨询
会员Q群
  • 会员专属群点击这里加入QQ群
客服邮箱
回到顶部