电脑桌面
添加小米粒文库到电脑桌面
安装后可以在桌面快捷访问

全国抗震设防烈度表

全国抗震设防烈度表_第1页
1/29
全国抗震设防烈度表_第2页
2/29
全国抗震设防烈度表_第3页
3/29
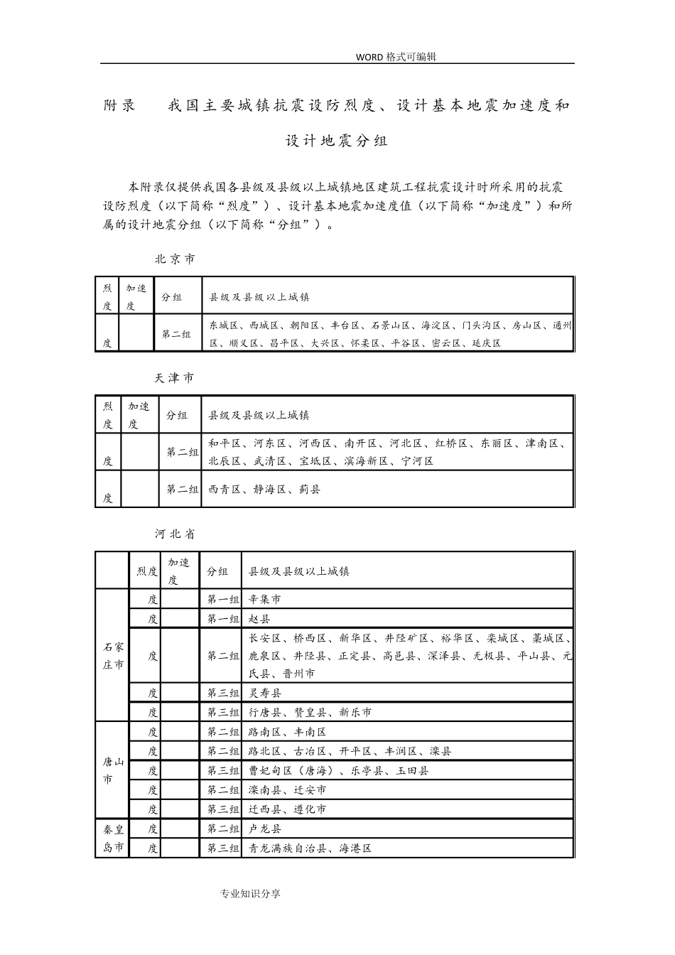
W ORD 格式可编辑 专业知识分享 附录 A 我国主要城镇抗震设防烈度、设计基本地震加速度和设计地震分组 本附录仅提供我国各县级及县级以上城镇地区建筑工程抗震设计时所采用的抗震设防烈度(以下简称“烈度”)、设计基本地震加速度值(以下简称“加速度”)和所属的设计地震分组(以下简称“分组”)。 A.0.1 北 京 市 烈度 加速度 分组 县级及县级以上城镇 8 度 0.20g 第二组 东城区、西城区、朝阳区、丰台区、石景山区、海淀区、门头沟区、房山区、通州区、顺义区、昌平区、大兴区、怀柔区、平谷区、密云区、延庆区 A.0.2 天 津 市 烈度 加速度 分组 县级及县级以上城镇 8 度 0.20g 第二组 和平区、河东区、河西区、南开区、河北区、红桥区、东丽区、津南区、北辰区、武清区、宝坻区、滨海新区、宁河区 7 度 0.15g 第二组 西青区、静海区、蓟县 A.0.3 河 北 省 烈度 加速度 分组 县级及县级以上城镇 石家庄市 7 度 0.15g 第一组 辛集市 7 度 0.10g 第一组 赵县 7 度 0.10g 第二组 长安区、桥西区、新华区、井陉矿区、裕华区、栾城区、藁城区、鹿泉区、井陉县、正定县、高邑县、深泽县、无极县、平山县、元氏县、晋州市 7 度 0.10g 第三组 灵寿县 6 度 0.05g 第三组 行唐县、赞皇县、新乐市 唐山市 8 度 0.30g 第二组 路南区、丰南区 8 度 0.20g 第二组 路北区、古冶区、开平区、丰润区、滦县 7 度 0.15g 第三组 曹妃甸区(唐海)、乐亭县、玉田县 7 度 0.15g 第二组 滦南县、迁安市 7 度 0.10g 第三组 迁西县、遵化市 秦皇岛市 7 度 0.15g 第二组 卢龙县 7 度 0.10g 第三组 青龙满族自治县、海港区 W ORD 格式可编辑 专业知识分享 7 度 0.10g 第二组 抚宁区、北戴河区、昌黎县 6 度 0.05g 第三组 山海关区 邯郸市 8 度 0.20g 第二组 峰峰矿区、临漳县、磁县 7 度 0.15g 第二组 邯山区、丛台区、复兴区、邯郸县、成安县、大名县、魏县、武安市 7 度 0.15g 第一组 永年县 7 度 0.10g 第三组 邱县、馆陶县 7 度 0.10g 第二组 涉县、肥乡县、鸡泽县、广平县、曲周县 邢台市 7 度 0.15g 第一组 桥东区、桥西区、邢台县 1、内丘县、柏乡县、隆尧县、任县、南和县、宁晋县、巨鹿县、新河县、沙河市 7 度 0.10g 第二组 临城县、广宗县、平乡县、南宫市 6 度 0.05g 第三组 威县...

1、当您付费下载文档后,您只拥有了使用权限,并不意味着购买了版权,文档只能用于自身使用,不得用于其他商业用途(如 [转卖]进行直接盈利或[编辑后售卖]进行间接盈利)。
2、本站所有内容均由合作方或网友上传,本站不对文档的完整性、权威性及其观点立场正确性做任何保证或承诺!文档内容仅供研究参考,付费前请自行鉴别。
3、如文档内容存在违规,或者侵犯商业秘密、侵犯著作权等,请点击“违规举报”。

碎片内容

全国抗震设防烈度表

小辰2+ 关注
实名认证
内容提供者

出售各种资料和文档

确认删除?
VIP
微信客服
  • 扫码咨询
会员Q群
  • 会员专属群点击这里加入QQ群
客服邮箱
回到顶部