电脑桌面
添加小米粒文库到电脑桌面
安装后可以在桌面快捷访问

全季商务宾馆空调方案V011013

全季商务宾馆空调方案V011013_第1页
1/10
全季商务宾馆空调方案V011013_第2页
2/10
全季商务宾馆空调方案V011013_第3页
3/10
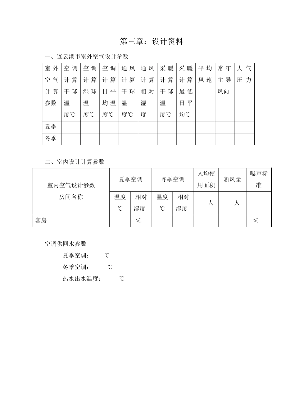
全季商务宾馆空调方案 第一章:工程概况 一、 项目名称: 登喜商务宾馆空调项目 二、 项目概况: 准 4星宾馆,8~12层,单层建筑面积约 1300m2。八层有 22个客房(含 2套宿舍,1套套房),九、十层有 27个客房(含 1套套房),十一、十二层有 26个客房(含 1套套房)。采用水机供冷和供热。根据与甲方协商,只为客房配空调,走道空调、房间通风暂不予考虑。所配空调系统应具备提供生活热水功能,在满足基本功能的前提下,以初投资成本、全年运行成本为重点全面设计和综合考虑。 第二章:设计依据 本工程暖通空调方案设计根据委托方提供的建筑设计方案及相关专业要求,依据暖通专业现行国家规范、标准进行设计,主要规范如下: 1)《采暖通风与空气调节设计规范》(GB50019-2003) 2)《建筑设计防火规范》(GB50016-2006) 3)《公共建筑设计节能标准》(GB50189-2005)(DBJ32/J96-2010) 4)《空气源热泵采暖和热水和热水系统的设计与安装》 5)《空气源热泵技术条件》(GB/T6424-1997) 第三章:设计资料 一、连云港市室外空气设计参数 室外空气计算参数 空调计算干球温度℃ 空调计算湿 球温度℃ 空调计算日 平均 温度℃ 通 风计算干球温度℃ 通 风计算相 对湿度% 采 暖计算干球温度℃ 采 暖计算最 低日 平均℃ 平 均风 速m/s 常 年主 导风向 大 气压 力kPa 夏季 32.7 27.8 29.5 29.1 75 - - 2.9 E 105.1 冬季 -6.4 - - -0.3 67 -4.2 - 2.9 NNE 102.6 二、室内设计计算参数 室内空气设计参数 房间名称 夏季空调 冬季空调 人均使用面积 新风量 噪声标准 温度 ℃ 相对湿度% 温度 ℃ 相对湿度% m2/人 m3/人 dB 客房 25 ≤60 20 - 10 -- ≤45 空调供回水参数 夏季空调:7/12℃ 冬季空调:45/40℃ 热水出水温度:40~55℃ 第四章:空调负荷概算 建筑面积约为:1300平方米×5层=6500平方米 根据图纸资料取得的建筑面积 数值 单位 八层 1300 m2 九层 1300 m2 十层 1300 m2 十一层 1300 m2 十二层 1300 m2 总建筑面积 6500 m2 八层空调面积 780 m2 九层空调面积 780 m2 十层空调面积 780 m2 十一层空调面积 780 m2 十二层空调面积 780 m2 总空调面积 3900 m2 第五章:空调系统方案 方案一:风冷热泵(模块,带全热回收,下略)系统 风冷热泵(模块)系统:模块式风冷热泵机组是各个独立的风冷热泵机...

1、当您付费下载文档后,您只拥有了使用权限,并不意味着购买了版权,文档只能用于自身使用,不得用于其他商业用途(如 [转卖]进行直接盈利或[编辑后售卖]进行间接盈利)。
2、本站所有内容均由合作方或网友上传,本站不对文档的完整性、权威性及其观点立场正确性做任何保证或承诺!文档内容仅供研究参考,付费前请自行鉴别。
3、如文档内容存在违规,或者侵犯商业秘密、侵犯著作权等,请点击“违规举报”。

碎片内容

全季商务宾馆空调方案V011013

您可能关注的文档

确认删除?
VIP
微信客服
  • 扫码咨询
会员Q群
  • 会员专属群点击这里加入QQ群
客服邮箱
回到顶部