电脑桌面
添加小米粒文库到电脑桌面
安装后可以在桌面快捷访问

全自动洗衣机设计

全自动洗衣机设计_第1页
1/7
全自动洗衣机设计_第2页
2/7
全自动洗衣机设计_第3页
3/7
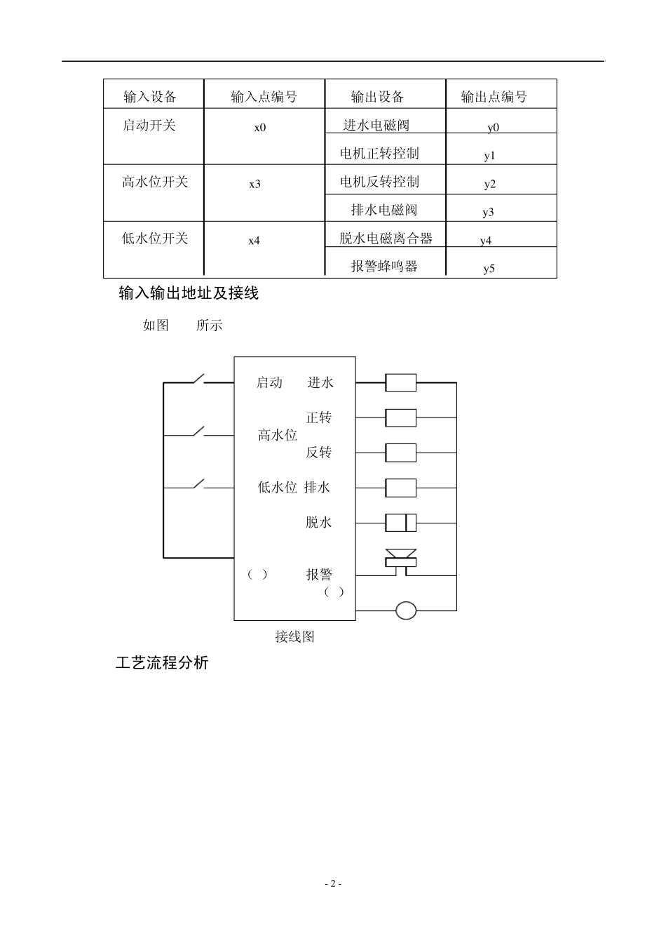
- 1 - 全自动洗衣机的自动控制系统 1全自动洗衣机的基本结构 全自动洗衣机的洗衣桶(外桶)和脱水桶(内桶)是以同一中心安放的。外桶固定,作盛水用;内桶可以旋转,作脱水(甩干)用。内桶的周围有很多小孔,使内桶和外桶的水流相通。洗衣机的进水和排水分别由进水电磁阀和排水电磁阀来执行。进水时,通过控制系统将进水阀打开,经进水管将水注入外桶。排水时,通过控制系统将排水阀打开,将水由外桶排到机外。洗涤正转、反转由洗涤电机驱动波盘的正、反转来实现,此时脱水桶并不旋转。脱水时,控制系统将离合器合上,由洗涤电机带动内桶正转进行甩干。高、低水位控制开关分别用来检测高、低水位。启动按钮用来启动洗衣机工作,停止按钮用来实现手动停止进水、排水、脱水及警报。排水按钮用来实现手动排水。 2洗衣机控制系统的运作要求 启动时:首先进水,到高水位时停止进水,开始洗涤。正转洗涤15s,暂停 3s后反转洗涤15s,暂停 3s后再正转洗涤,如此反复 30次。洗涤结束后,开始排水,当水位下降到低水位时,进行脱水(同时排水),脱水时间为 10s。这样完成一次从进水到脱水的大循环过程。 经过3次上述大循环后(第 2、3次为漂洗),进行洗衣完成报警,报警 10s后结束全过程,自动停机。 3全自动洗衣机的系统设计 3.1 机型选择和编号分配 PLC是一种用作数字控制的专用电子计算机。它根据用户给的指令,通过输入接口现场采样信息执行逻辑或数值运算,在通过输出接口去控制各种执行机构动作。它和单片机一样,主要有CPU、存储器、I/O接口模板三部分。它是整体模块形式,因此由它作为洗衣机控制系统,在硬件设计上就相对简单点。通过对系统结构图的分析,可知全自动洗衣机的I/O点不多,选择三菱 FX系列可以完全满足其要求如表 3-1所示: 表 3-1 输入/输出设备点的分配 - 2 - 输入设备 输入点编号 输出设备 输出点编号 启动开关 x 0 进水电磁阀 y 0 电机正转控制 y 1 高水位开关 x 3 电机反转控制 y 2 排水电磁阀 y 3 低水位开关 x 4 脱水电磁离合器 y 4 报警蜂鸣器 y 5 3.2 输入输出地址及接线 如图 3-1所示 X0启动 进水Y0 正转Y1 X3高水位 反转Y2 X4低水位 排水Y3 脱水Y4 COM (X) 报警 Y5 (Y) COM I/O接线图 3.3 工艺流程分析 - 3 - 初始状态 X0 进 水 X3 洗涤正转 T0 15s 暂 停 T1 3s 洗涤反转 T2 15s 正反洗不满30 次 T3 3s 满30...

1、当您付费下载文档后,您只拥有了使用权限,并不意味着购买了版权,文档只能用于自身使用,不得用于其他商业用途(如 [转卖]进行直接盈利或[编辑后售卖]进行间接盈利)。
2、本站所有内容均由合作方或网友上传,本站不对文档的完整性、权威性及其观点立场正确性做任何保证或承诺!文档内容仅供研究参考,付费前请自行鉴别。
3、如文档内容存在违规,或者侵犯商业秘密、侵犯著作权等,请点击“违规举报”。

碎片内容

全自动洗衣机设计

确认删除?
VIP
微信客服
  • 扫码咨询
会员Q群
  • 会员专属群点击这里加入QQ群
客服邮箱
回到顶部