电脑桌面
添加小米粒文库到电脑桌面
安装后可以在桌面快捷访问

彩钢板施工方法

彩钢板施工方法_第1页
1/15
彩钢板施工方法_第2页
2/15
彩钢板施工方法_第3页
3/15
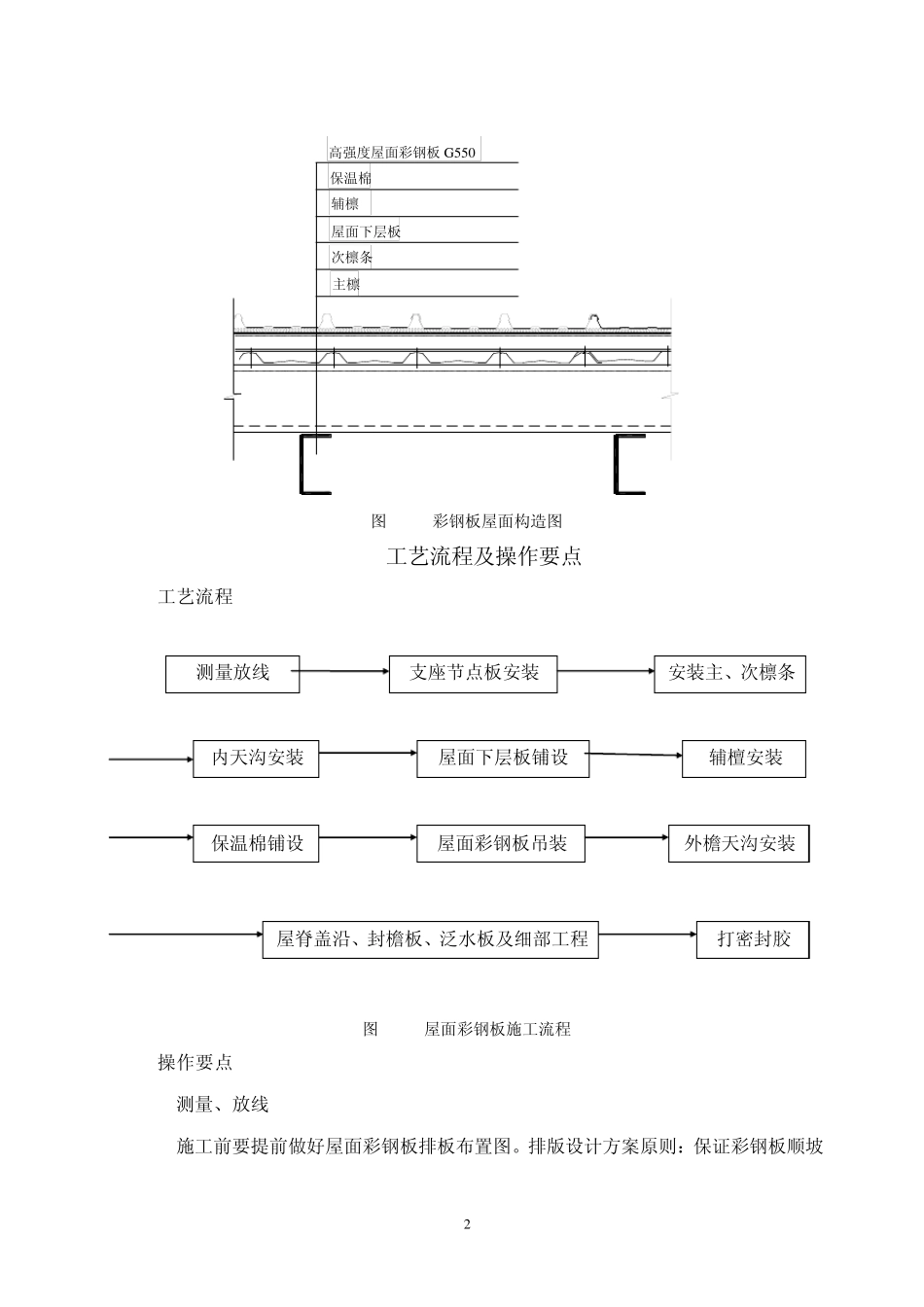
1 暗扣隐藏式高强度彩钢板屋面施工工法 工法编号:RJGF(闽)—08—2008 完成单位:中建七局三公司 厦门市建设工程质量安全管理协会 主要完成人:江兴华 李统瑞 郑兴 1 前言 在建筑工程工业厂房、公共建筑大跨度屋面中,为减少屋面自重,减轻荷载,常常采用彩钢板屋面,而暗扣隐藏式高强彩钢板由于其施工简便、工艺独特、防水性能好、外观优美等优越性,近年来得到广泛应用,并取得了较好的经济效益和社会效益。 2 工法特点 2.0.1 操作工具少,施工简便。 2.0.2 工艺上避免螺钉穿透屋面彩钢板,从根本上消除了屋面漏水的系统隐患,提高了屋面防水性能,从而大大降低了屋面维护和修缮费用。 3 适用范围 本工法适用于大跨度工业厂房及公共建筑无自带保温层的高强度彩钢板屋面,由于其材料变形限制,本工法不适合圆弧半径在 50m以内的弧形屋面。 4 工艺原理 暗扣隐蔽式高强度彩钢板屋面是将与暗扣式彩板配套的特制暗扣件先固定在支撑件上,利用彩钢板的母肋与暗扣的中心肋啮合进行固定(如图 4-1),改变以往用自攻螺钉或铆钉将彩钢板穿透直接固定在支撑件上的做法(彩钢板屋面构造如图 4-2),这种独特的固定方式固定更直观、能更有效地抵抗台风,而且从工艺上避免彩钢板受到破损,并使得彩钢板在受温度变化时能自由伸缩,减少屋面整体变形,从而保证屋面系统取得更好的防水效果。 图 4-1 暗扣式钢板固定图 2 5 工艺流程及操作要点 5.1 工艺流程 图5.1 屋面彩钢板施工流程 5.2 操作要点 5.2.1 测量、放线 1 施工前要提前做好屋面彩钢板排板布置图。排版设计方案原则:保证彩钢板顺坡测量放线 支座节点板安装 安装主、次檩条 内天沟安装 屋面彩钢板吊装 屋脊盖沿、封檐板、泛水板及细部工程 打密封胶 保温棉铺设 屋面下层板铺设 辅檀安装 外檐天沟安装 高强度屋面彩钢板G 550 保温棉 辅檩 主檩 屋面下层板 次檩条 图4-2 彩钢板屋面构造图 3 度方向与天沟垂直,铺设起始线与泛水收边方向平行、尺寸吻合;有包角的,起始线位置必须满足与立建筑物外立面吻合。 2 根据排板布置图进行现场放线,按每跨间或节点弹出屋面檩条的安装控制线,认真校核主体结构偏差,确认该偏差对屋面檩条的安装无影响;对偏差不满足安装要求处,视偏差轻重程度事先进行处理。 5.2.2 支座节点板安装固定 支座节点板进场前应根据主檩间预留伸缩空间在厂家冲孔成型,现场安装时必须严格按照建筑物定位轴线及...

1、当您付费下载文档后,您只拥有了使用权限,并不意味着购买了版权,文档只能用于自身使用,不得用于其他商业用途(如 [转卖]进行直接盈利或[编辑后售卖]进行间接盈利)。
2、本站所有内容均由合作方或网友上传,本站不对文档的完整性、权威性及其观点立场正确性做任何保证或承诺!文档内容仅供研究参考,付费前请自行鉴别。
3、如文档内容存在违规,或者侵犯商业秘密、侵犯著作权等,请点击“违规举报”。

碎片内容

彩钢板施工方法

小辰6+ 关注
实名认证
内容提供者

出售各种资料和文档

相关文档

确认删除?
VIP
微信客服
  • 扫码咨询
会员Q群
  • 会员专属群点击这里加入QQ群
客服邮箱
回到顶部