电脑桌面
添加小米粒文库到电脑桌面
安装后可以在桌面快捷访问

彩铝落水系统安装手册

彩铝落水系统安装手册_第1页
1/7
彩铝落水系统安装手册_第2页
2/7
彩铝落水系统安装手册_第3页
3/7
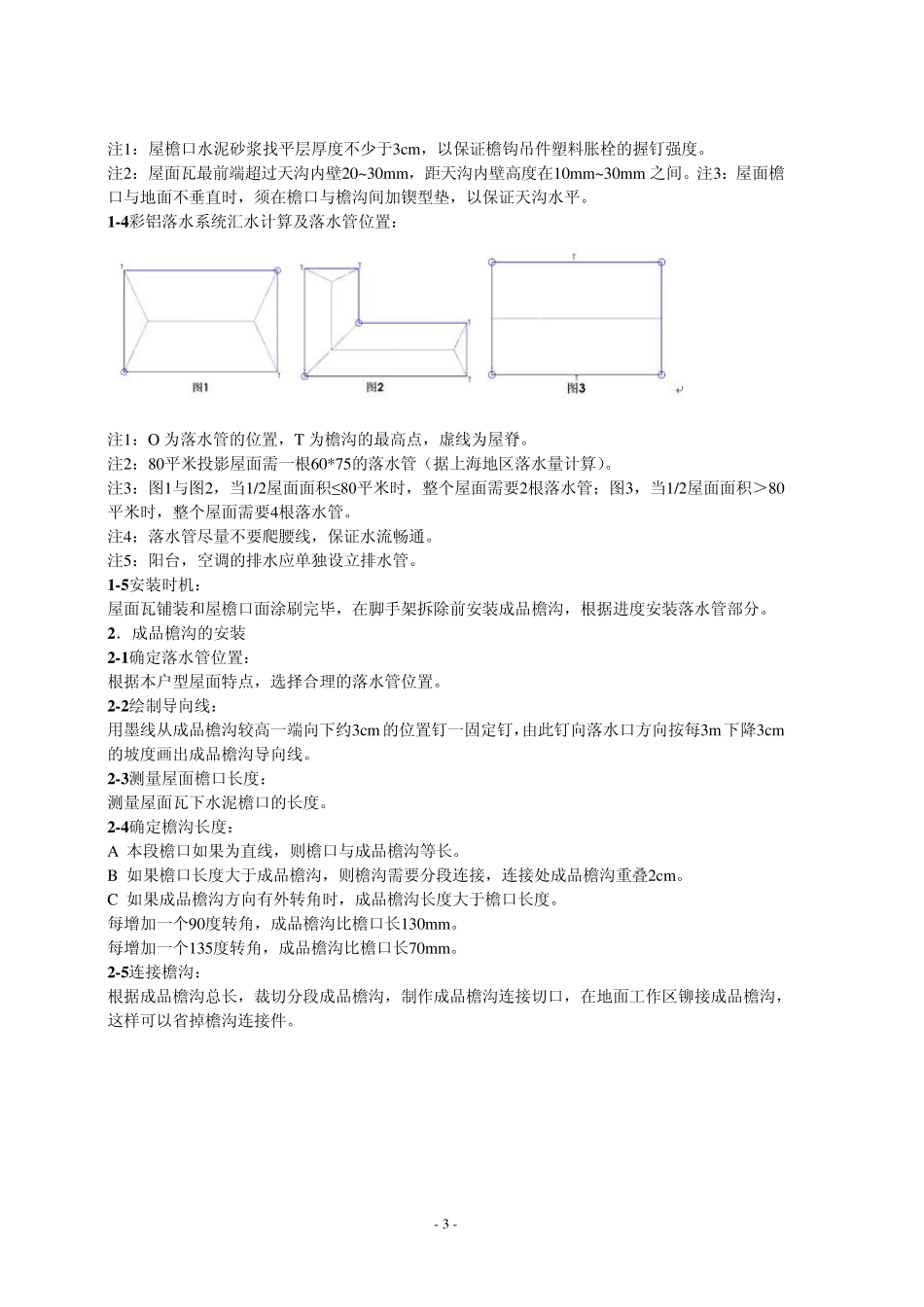
- 1 - 艾科尼彩铝落水系统安装手册 艾科尼彩铝落水系统以为设计师、施工人员提供省心省力的设计安装为出发点,以其科学标准的设计制造,充分的满足各种建筑设计建造的特点,设计安装简单,便捷易学。 安装手册目录: 1 、落水系统图示及安装前准备 1 -1 彩铝落水系统示意图 1 -2 彩铝落水系统节点图 1 -3 彩铝落水系统屋面结构图 1 -4 彩铝落水系统汇水计算及落水管位置 1 -5 安装时机 2 、成品檐沟的安装 2 -1 确定落水管位置 2 -2 绘制导向线 2 -3 测量屋面檐口长度 2 -4 确定檐沟长度 2 -5 连接檐沟 2 -6 裁切内外转角 2 -7 安装端头封板 2 -8 安装檐沟吊件 2 -9 铆接内外转角 3 、落水管的安装 3 -1 制作落水口 3 -2 安装弯头 3 -3 确定管卡位置 3 -4 安装管卡 3 -5 裁切落水管 3 -6 管卡铆固 3 -7 过腰线做法 4 、填充密封防护 4 -1 填充密封 4 -2 防护措施 1 .落水系统图示及安装前准备 1 -1 彩铝落水系统示意图: - 2 - 1 -2 彩铝落水系统节点图: 1 -3 彩铝落水系统屋面结构图: - 3 - 注1:屋檐口水泥砂浆找平层厚度不少于3cm,以保证檐钩吊件塑料胀栓的握钉强度。 注2:屋面瓦最前端超过天沟内壁20~30mm,距天沟内壁高度在10mm~30mm 之间。注3:屋面檐口与地面不垂直时,须在檐口与檐沟间加锲型垫,以保证天沟水平。 1 -4 彩铝落水系统汇水计算及落水管位置: 注1:O 为落水管的位置,T 为檐沟的最高点,虚线为屋脊。 注2:80平米投影屋面需一根60*75的落水管(据上海地区落水量计算)。 注3:图1与图2,当1/2屋面面积≤80平米时,整个屋面需要2根落水管;图3,当1/2屋面面积>80平米时,整个屋面需要4根落水管。 注4:落水管尽量不要爬腰线,保证水流畅通。 注5:阳台,空调的排水应单独设立排水管。 1 -5 安装时机: 屋面瓦铺装和屋檐口面涂刷完毕,在脚手架拆除前安装成品檐沟,根据进度安装落水管部分。 2 .成品檐沟的安装 2 -1 确定落水管位置: 根据本户型屋面特点,选择合理的落水管位置。 2 -2 绘制导向线: 用墨线从成品檐沟较高一端向下约3cm 的位置钉一固定钉,由此钉向落水口方向按每3m下降3cm的坡度画出成品檐沟导向线。 2 -3 测量屋面檐口长度: 测量屋面瓦下水泥檐口的长度。 2 -4 确定檐沟长度: A 本段檐口如果为直线,则檐口与成品檐沟等长。 B 如果檐口长度大于成品...

1、当您付费下载文档后,您只拥有了使用权限,并不意味着购买了版权,文档只能用于自身使用,不得用于其他商业用途(如 [转卖]进行直接盈利或[编辑后售卖]进行间接盈利)。
2、本站所有内容均由合作方或网友上传,本站不对文档的完整性、权威性及其观点立场正确性做任何保证或承诺!文档内容仅供研究参考,付费前请自行鉴别。
3、如文档内容存在违规,或者侵犯商业秘密、侵犯著作权等,请点击“违规举报”。

碎片内容

彩铝落水系统安装手册

您可能关注的文档

确认删除?
VIP
微信客服
  • 扫码咨询
会员Q群
  • 会员专属群点击这里加入QQ群
客服邮箱
回到顶部