电脑桌面
添加小米粒文库到电脑桌面
安装后可以在桌面快捷访问

微机监测设备的常见故障处理

微机监测设备的常见故障处理_第1页
1/7
微机监测设备的常见故障处理_第2页
2/7
微机监测设备的常见故障处理_第3页
3/7
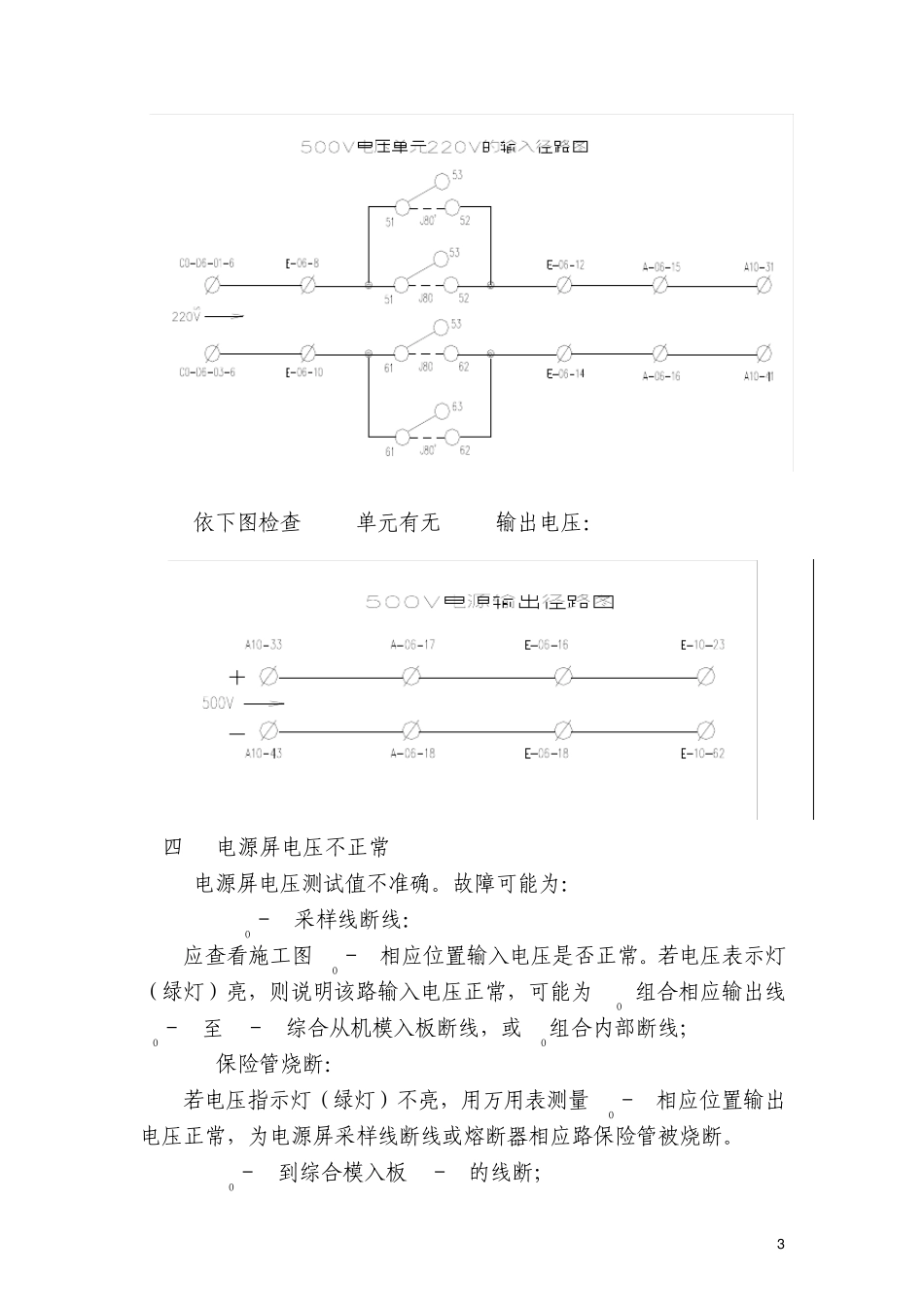
1 微机监测设备的常见故障处理 前言:现场电务维护人员不仅要能够运用微机监测系统来获取信号设备的运用信息,也要对微机监测设备本身有一定的了解,并具备一些简单的故障判断和处理技能。在此,将一些微机监测设备常见故障的处理方法向大家做一介绍,以便大家参考。 一、计算机发生‚死机‛的分析与处理 操作系统崩溃,出现‚蓝屏‛:主机启动后,出现‚蓝底白字‛的提示信息,上面为‚STOP……‛。可以重启工控机,若正常,说明CPU风扇故障,致使 CPU散热不良造成;若非 CPU风扇故障,则说明操作系统有问题,系统文件丢失或硬盘损坏等,只能重新安装操作系统、;若操作系统运行正常,在监测程序界面中,用鼠标点击某项菜单或菜单切换时,反映缓慢。出现此种现象的原因可能有如下几个方面: (1)操作系统所安装的磁盘剩余空间不足。如果剩余空间较小,及时删除与监测无关的其他文件,也可以再对其进行‚磁盘碎片整理‛; (2)监测程序所在区,数据占用空间太大,可使用空间不足。可请专业人员适当修正数据存储量,同时再对其进行‚磁盘碎片整理‛处理。 (3)CPU风扇损坏,只有更换 CPU风扇。 二.开机后,主机不能通过自检 开机后,一直‚嘀、嘀……‛报警,不能进入系统。故障原因为内存条与主板插接不良。 三. 绝缘值不正确 (一)某些电缆微机测试值与摇表测试值不一致,原因如下: 1. 站场是动态的,道岔的转换,信号的开放与关闭,区段的空闲与占用都随时间变化。实际应用中发现道岔定位时绝缘良好,反位 2 时不好;信号关闭时绝缘良好,开放时不好;区段空闲时绝缘良好,过车时不好;电缆绝缘值亦随天气有关,部分电缆早上、中午测试值变化较大;雨天、晴天绝缘值变化较大。 2. 测电缆绝缘时,防雷设备如没甩掉,将会有很大影响(实际测试时防雷设备必须甩掉)。 在现场遇到测试值不一致时,应检查有无上述情况发生的可能。 (二)电缆绝缘实际测试值正常,而微机测试值全为 0兆欧,或全大于 20兆欧 微机监测电缆对地绝缘电阻如同摇表摇测,都是将 500V电压加到该电缆上测试其对地绝缘电阻。需知,绝缘测试组合 E-05-1端子为测试绝缘及电源对地漏流的地线;E-05-2→500V+与 E-05-3→500V-之间的 500V电压,测试时才有,不测试时则无。当发现绝缘值不对时(比如,都大于 10M)可先查看 500V是否有(用万用表直流档测量端子 E-05-2和E-05-3,或者C0-D2-03-1和C0-D2-03-2之间的电压),若500V没有了,可查...

1、当您付费下载文档后,您只拥有了使用权限,并不意味着购买了版权,文档只能用于自身使用,不得用于其他商业用途(如 [转卖]进行直接盈利或[编辑后售卖]进行间接盈利)。
2、本站所有内容均由合作方或网友上传,本站不对文档的完整性、权威性及其观点立场正确性做任何保证或承诺!文档内容仅供研究参考,付费前请自行鉴别。
3、如文档内容存在违规,或者侵犯商业秘密、侵犯著作权等,请点击“违规举报”。

碎片内容

微机监测设备的常见故障处理

您可能关注的文档

确认删除?
VIP
微信客服
  • 扫码咨询
会员Q群
  • 会员专属群点击这里加入QQ群
客服邮箱
回到顶部