电脑桌面
添加小米粒文库到电脑桌面
安装后可以在桌面快捷访问

临时用电施工组织设计

临时用电施工组织设计_第1页
1/10
临时用电施工组织设计_第2页
2/10
临时用电施工组织设计_第3页
3/10
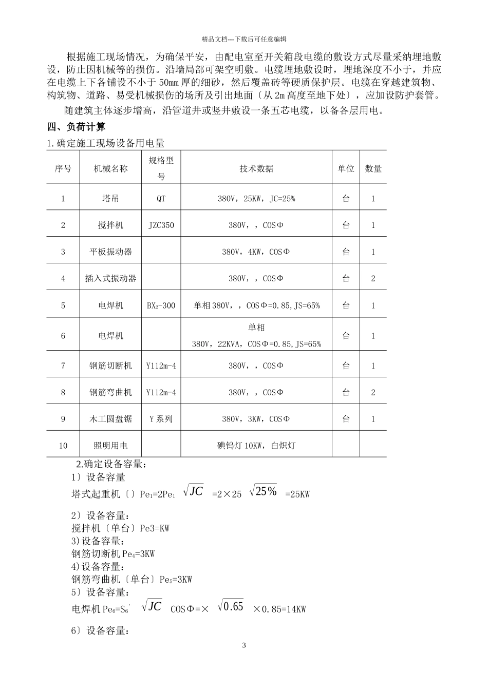
精品文档---下载后可任意编辑目录一、编制依据二、工程概况三、确定电源进线,配电室,总配电箱,分配电箱的装设位置及线路走向。四、负荷计算五、变压器设计六、配电线路设计七、接地设计八、平安用电措施、防火措施九、临时用电接地保护十、平安用电管理措施十一、特别说明十二、施工现场平面布置图、施工现场临时用电平面布置图、用电系统图、电气立面图、施工现场临时用电接地平面布置图1精品文档---下载后可任意编辑临时用电施工组织设计一、编制依据1.?施工现场临时用电平安技术标准?JGJ46-88;2.?建筑施工平安检查标准?JGJ59-99;3.工程现场勘测资料;4.工程施工部署情况;5.其他有关的国家现行标准、标准、规程和规定。6.我公司现场临时用电的有关规定和要求。二、工程概况临朐县水岸弘庭 19#住宅楼,由临朐县大成房地开发筹建,山东省临朐县建筑工程公司承建。该工程结构类型为剪力墙结构,建筑面积 m2,地上十一层,mm,建筑高度 m,根底采纳钢筋砼筏板根底,砼强度为 C30,主体砼强度为 C25,建筑耐久年限等级为二级,合理使用年限 50 年,耐火等级为二级。抗震设防裂度为 7 度。花岗岩、地面砖楼地面、外墙面为外保温涂料墙面及外保温面砖墙面;卫生间为面砖防水内墙面公共局部到刮腻子涂料;门窗采纳塑钢窗,造型新颖别致、美观大方。 工程现场特征及施工条件:本工程位于临朐县城民主路东,顺河东路中段南侧。根底持力层第二层中粗砂层上,地基承载力特征值按 160kpa。施工根底、主体正赶上雨季施工,要实行防雨措施。施工前甲方负责“三通一平〞工作,钢材、水泥、页岩砖由甲方采购;木材、砂子等均由施工单位自行采购。 三、确定电源进线,配电室,总配电箱,分配电箱的装设位置及线路走向。根据现场情况和实际需要,经济方便的原那么,将总电箱安装在临近变电器处,为使用到达平安文明施工要求,便于防雨、防砸,在总配电箱处设置专门的防护棚,四周设置防护栏杆,并挂设警示标志。1、该工程施工现场临时用电总电源从甲方提供的变压器接出,线路低压供电系统380/220V 电压引至施工组织设计规定的地点上〔总配电箱 分配电箱 开关箱 用电设备〕配电箱,按现场临时用设备在箱内编号并标注明显标志,注明其回路和所用电设备等,所有的开关箱均有专人负责,整个现场必须有持证电工对各用电器按时检查和不定期检查,对所有漏电保护器每天进行测试,做到灵敏、平安可靠,以防止发生触电伤人。2、配电线路由总配电箱送配...

1、当您付费下载文档后,您只拥有了使用权限,并不意味着购买了版权,文档只能用于自身使用,不得用于其他商业用途(如 [转卖]进行直接盈利或[编辑后售卖]进行间接盈利)。
2、本站所有内容均由合作方或网友上传,本站不对文档的完整性、权威性及其观点立场正确性做任何保证或承诺!文档内容仅供研究参考,付费前请自行鉴别。
3、如文档内容存在违规,或者侵犯商业秘密、侵犯著作权等,请点击“违规举报”。

碎片内容

临时用电施工组织设计

阳光书坊+ 关注
实名认证
内容提供者

阳光书坊,传播未来

确认删除?
VIP
微信客服
  • 扫码咨询
会员Q群
  • 会员专属群点击这里加入QQ群
客服邮箱
回到顶部