电脑桌面
添加小米粒文库到电脑桌面
安装后可以在桌面快捷访问

恒定总流伯努利方程综合性实验

恒定总流伯努利方程综合性实验_第1页
1/6
恒定总流伯努利方程综合性实验_第2页
2/6
恒定总流伯努利方程综合性实验_第3页
3/6
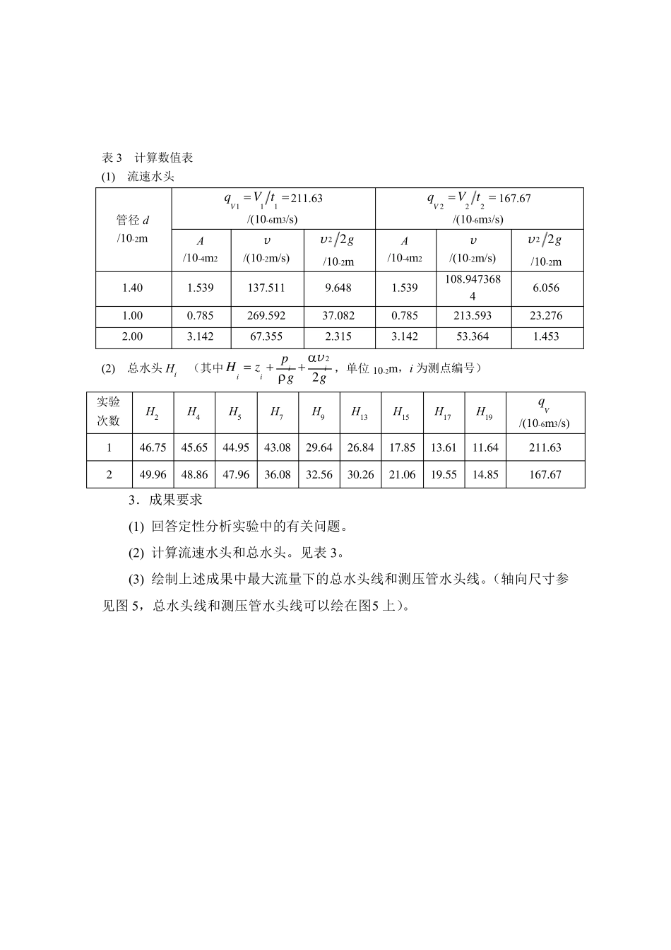
恒定总流伯努利方程综合性实验 一、实验目的和要求 1. 通过定性分析实验,提高对动水力学诸多水力现象的实验分析能力; 2. 通过定量测量实验,进一步掌握有压管流中动水力学的能量转换特性,验证流体恒定总流的伯努利方程,掌握测压管水头线的实验测量技能与绘制方法; 3. 通过设计性实验,训练理论分析与实验研究相结合的科研能力。 二、实验原理 1.伯努利方程。在实验管路中沿管内水流方向取n 个过水断面,在恒定流动时,可以列出进口断面(1)至另一断面(i)的伯努利方程式(i=2,3… ,n ) 2211 11w 122iiiiippzzhggggvv 取1=2=n … =1,选好基准面,从已设置的各断面的测压管中读出pzg值,测出通过管路的流量,即可计算出断面平均流速 v 及22gv ,从而可得到各断面测管水头和总水头。 2.过流断面性质。均匀流或渐变流断面流体动压强符合静压强的分布规律,即在同一断面上pzCg,但在不同过流断面上的测压管水头不同,1212ppzzgg;急变流断面上pzCg。 三、实验内容与方法 1.定性分析实验 (1) 验证同一静止液体的测压管水头线是根水平线。 (2) 观察不同流速下,某一断面上水力要素变化规律。 (3) 验证均匀流断面上,动水压强按静水压强规律分布。 (4) 观察沿流程总能坡线的变化规律。 (5) 观察测压管水头线的变化规律。 (6) 利用测压管水头线判断管道沿程压力分布。 2. 定量分析实验——伯努利方程验证与测压管水头线测量分析实验 实验方法与步骤:在恒定流条件下改变流量2 次,其中一次阀门开度大到使○19 号测管液面接近可读数范围的最低点,待流量稳定后,测记各测压管液面读数,同时测记实验流量(毕托管测点供演示用,不必测记读数)。实验数据处理与分析参考第五部分内容。 四、数据处理及成果要求 1.记录有关信息及实验常数 实验设备名称: 伯努利方程实验仪 实验台号:__No.3___ 实 验 者:___________A1 组 7 人_____ 实验日期:_5 月 10 日_ 均匀段 d1= 1.4 10-2m 喉管段 d2=1.010-2m 扩管段 d3=2.010-2m 水箱液面高程0= 47.29 10-2m 上管道轴线高程z= 18.7 10-2m (基准面选在标尺的零点上) 2.实验数据记录及计算结果 表 1 管径记录表 测点编号 ①* ②③ ④ ⑤ ⑥* ⑦ ⑧* ⑨ ⑩○11 ○12* ○13 ○14* ○15 ○16* ○17 ○18* ○19 管径 d /10-2m 1.4 ...

1、当您付费下载文档后,您只拥有了使用权限,并不意味着购买了版权,文档只能用于自身使用,不得用于其他商业用途(如 [转卖]进行直接盈利或[编辑后售卖]进行间接盈利)。
2、本站所有内容均由合作方或网友上传,本站不对文档的完整性、权威性及其观点立场正确性做任何保证或承诺!文档内容仅供研究参考,付费前请自行鉴别。
3、如文档内容存在违规,或者侵犯商业秘密、侵犯著作权等,请点击“违规举报”。

碎片内容

恒定总流伯努利方程综合性实验

小辰+ 关注
实名认证
内容提供者

出售各种文档和资料

相关文档

确认删除?
VIP
微信客服
  • 扫码咨询
会员Q群
  • 会员专属群点击这里加入QQ群
客服邮箱
回到顶部