电脑桌面
添加小米粒文库到电脑桌面
安装后可以在桌面快捷访问

悬臂支护结构设计计算书钢板桩

悬臂支护结构设计计算书钢板桩_第1页
1/11
悬臂支护结构设计计算书钢板桩_第2页
2/11
悬臂支护结构设计计算书钢板桩_第3页
3/11
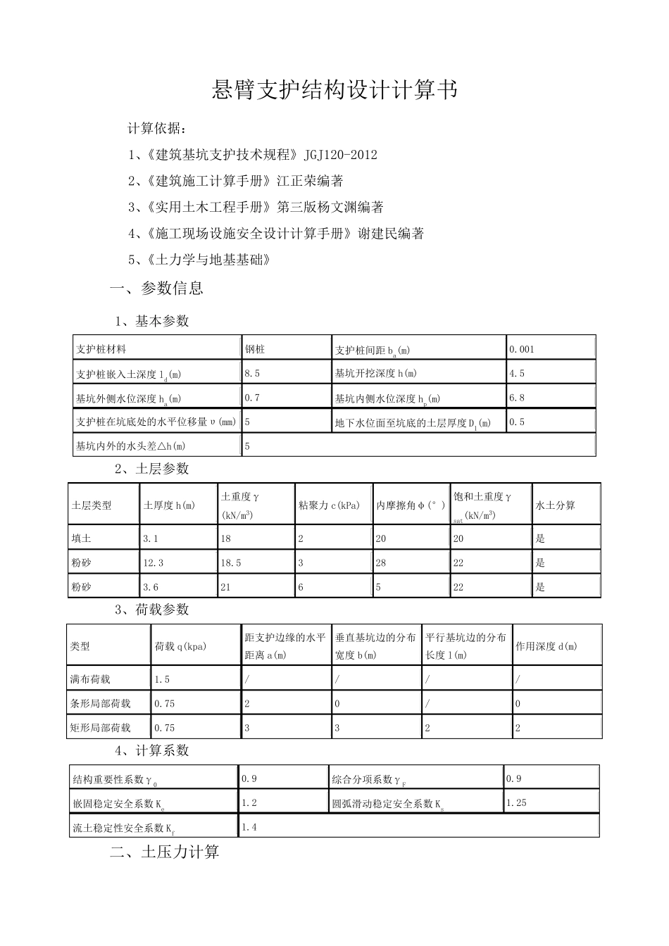
悬臂支护结构设计计算书 计算依据: 1、《建筑基坑支护技术规程》JGJ120-2012 2、《建筑施工计算手册》江正荣编著 3、《实用土木工程手册》第三版杨文渊编著 4、《施工现场设施安全设计计算手册》谢建民编著 5、《土力学与地基基础》 一、参数信息 1、基本参数 支护桩材料 钢桩 支护桩间距ba(m) 0.001 支护桩嵌入土深度ld(m) 8.5 基坑开挖深度h(m) 4.5 基坑外侧水位深度ha(m) 0.7 基坑内侧水位深度hp(m) 6.8 支护桩在坑底处的水平位移量υ(mm) 5 地下水位面至坑底的土层厚度D1(m) 0.5 基坑内外的水头差△h(m) 5 2、土层参数 土层类型 土厚度h(m) 土重度γ(kN/m3) 粘聚力c(kPa) 内摩擦角φ(°) 饱和土重度γsat(kN/m3) 水土分算 填土 3.1 18 2 20 20 是 粉砂 12.3 18.5 3 28 22 是 粉砂 3.6 21 6 5 22 是 3、荷载参数 类型 荷载 q(kpa) 距支护边缘的水平距离 a(m) 垂直基坑边的分布宽度b(m) 平行基坑边的分布长度l(m) 作用深度d(m) 满布荷载 1.5 / / / / 条形局部荷载 0.75 2 0 / 0 矩形局部荷载 0.75 3 3 2 2 4、计算系数 结构重要性系数γ0 0.9 综合分项系数γF 0.9 嵌固稳定安全系数Ke 1.2 圆弧滑动稳定安全系数Ks 1.25 流土稳定性安全系数Kf 1.4 二、土压力计算 土压力分布示意图 附加荷载布置图 1、主动土压力计算 1)主动土压力系数 Ka1=tan2(45°- φ1/2)= tan2(45-20/2)=0.49; Ka2=tan2(45°- φ2/2)= tan2(45-20/2)=0.49; Ka3=tan2(45°- φ3/2)= tan2(45-20/2)=0.49; Ka4=tan2(45°- φ4/2)= tan2(45-28/2)=0.361; Ka5=tan2(45°- φ5/2)= tan2(45-28/2)=0.361; Ka6=tan2(45°- φ6/2)= tan2(45-28/2)=0.361; 2)土压力、地下水产生的水平荷载 第 1 层土:0-0.7m H1'=[∑γ0h0+∑q1]/γi=[0+1.5]/18=0.083m Pak1 上 =γ1H1'Ka1-2c1Ka10.5=18×0.083×0.49-2×2×0.490.5=-2.068kN/m2 Pak1 下 =γ1(h1+H1')Ka1-2c1Ka10.5=18×(0.7+0.083)×0.49-2×2×0.490.5=4.106kN/m2 第 2 层土:0.7-2m H2'=[∑γ1h1+∑q1]/γsati=[12.6+1.5]/20=0.705m Pak2 上 =[γsat2H2'-γw(∑h1-ha)]Ka2-2c2Ka20.5+γw(∑h1-ha)=[20×0.705-10×(0.7-0.7)]×0.49-2×2×0.490.5+10×(0.7-0.7)=4.109kN/m2 Pak2 下 =[γsat2(H2'+h2)-γw(∑h1-ha)]Ka2-2c2Ka20.5+γw(∑h1-ha)=[20×(0.705+1.3)-10×(2-0...

1、当您付费下载文档后,您只拥有了使用权限,并不意味着购买了版权,文档只能用于自身使用,不得用于其他商业用途(如 [转卖]进行直接盈利或[编辑后售卖]进行间接盈利)。
2、本站所有内容均由合作方或网友上传,本站不对文档的完整性、权威性及其观点立场正确性做任何保证或承诺!文档内容仅供研究参考,付费前请自行鉴别。
3、如文档内容存在违规,或者侵犯商业秘密、侵犯著作权等,请点击“违规举报”。

碎片内容

悬臂支护结构设计计算书钢板桩

小辰6+ 关注
实名认证
内容提供者

出售各种资料和文档

确认删除?
VIP
微信客服
  • 扫码咨询
会员Q群
  • 会员专属群点击这里加入QQ群
客服邮箱
回到顶部