电脑桌面
添加小米粒文库到电脑桌面
安装后可以在桌面快捷访问

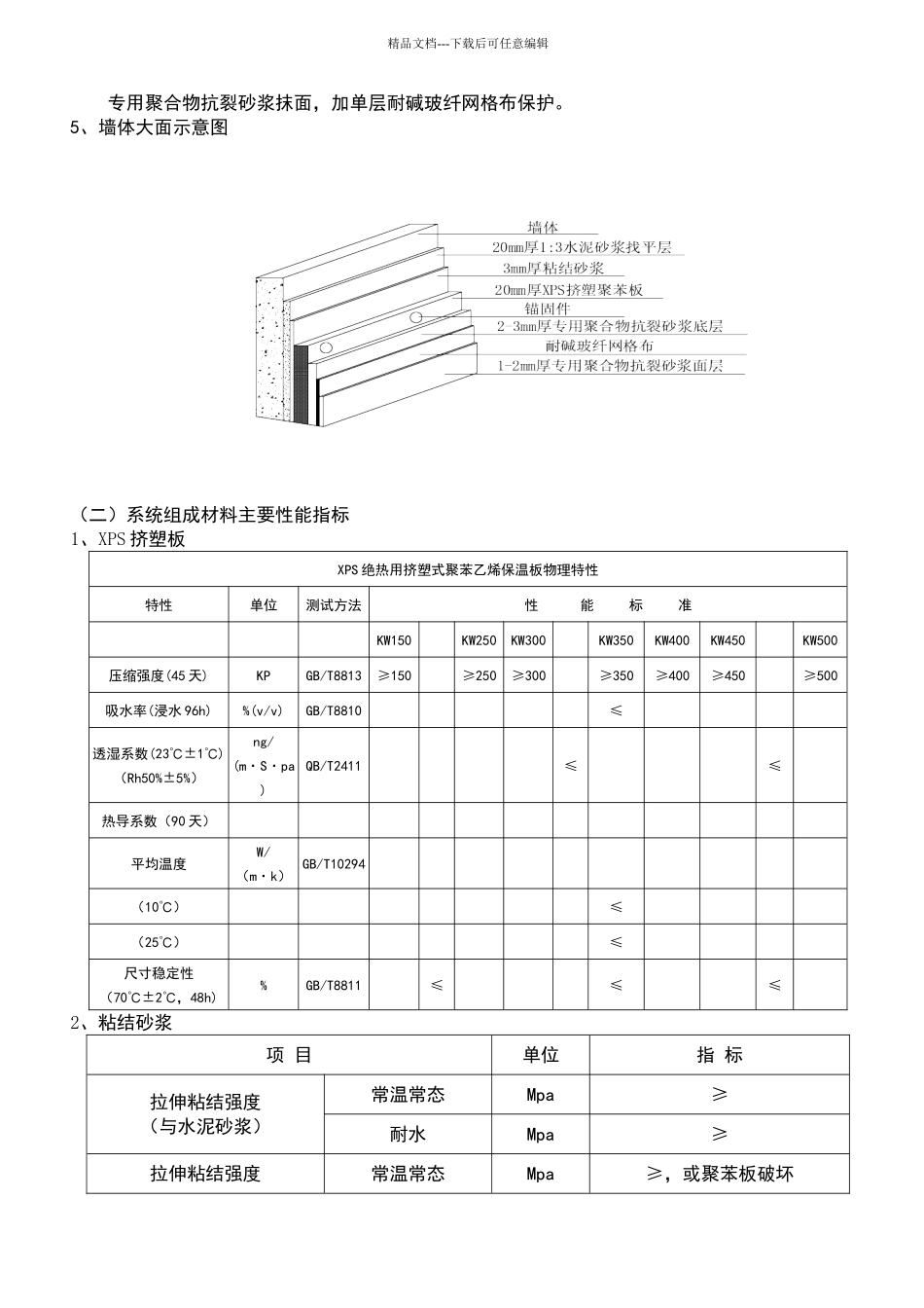
外墙保温施工方案

外墙保温施工方案_第1页
1/10
外墙保温施工方案_第2页
2/10
外墙保温施工方案_第3页
3/10
精品文档---下载后可任意编辑一、施工方案编制依据及参照法律法律规范(一)、方案编制依据1、业主提供的招标文件及其他附件资料。2、国家和行业颁布的有关现行法律法律规范、标准及图集,省、市建委颁发的有关规定及其他技术指标。3、施工现场踏勘的情况及本公司的综合实力。(二)、方案参照法律法律规范1、《绝热用挤塑聚苯乙烯泡沫塑料GB/》;2、《四川省居住建筑节能保温隔热工程质量验收规程DB51-2024》;3、《挤塑聚苯板保温构造图集西南05J103》;4、《外墙内保温建筑构造03J122》;5、《墙体节能建筑构造06J123》。二、工程概况外墙墙体保温采纳XPS挤塑聚苯板薄抹灰保温系统,板厚度为20mm,燃烧性能为B1级,粘结层采纳粘结砂浆粘结,挤塑板进行界面处理,并用锚固件进行锚固,面层为3—5㎜厚抗裂砂浆加单层玻纤网格布。三、工程目标(一)质量目标 本工程质量目标为确保合格并力争优良,按国家行业颁布的现行相关工程质量验收标准验收。(二)安全文明目标本工程要立足于保质量、保安全、抢工期的同时文明施工。安全生产实现无重大伤亡、火灾及重大设备事故,一般事故频率控制在 5‰以内,争创安全文明标准化施工场地。(三)工期目标经现场踏勘,各栋建筑物外墙施工进度不一致。工期确保为单栋建筑外墙工作面书面交接后,自交接日起65天(日历天)。四、施工组织建立以公司工程部、现场项目管理、施工作业部门三级分层管理的组织,对各级人员规定其职责、权限和相互关系,建立责任制并组织落实。项目管理部在项目经理的领导下,由责任工长、工程施工、质量监督、安全管理等职能人员组成,对质量、工期、安全进行全面协调控制。项目部组织体系图如下:五、施工准备1、技术准备项目经理负责编制施工组织设计,提出进度、人力、机具、材料计划。下达工艺流程作业书和安全、技术交底单,由项目经理至班组进行逐层交底。2、材料准备施工员质量员安全员内业员材料员施工班组公司工程部项目部项目经理责任工长精品文档---下载后可任意编辑确定材料规格、预算数量,组织主材、辅材的生产及采购,并组织材料进场。3、劳动力准备建立项目领导机构,调配施工班组,安排人员住宿,组织施工人员进场。序号工 种班 组人 数备 注1现场管理人员22运输工4运输3保温材料的施工2个班604配料搅拌员84、机具准备序号工具名称单位数量备注1搅拌机台12电锤把153刮杠把304壁纸刀把105直尺把106抹灰工具把307手推车把108剪刀把109灰桶个3010铁锤把1011手电钻...

1、当您付费下载文档后,您只拥有了使用权限,并不意味着购买了版权,文档只能用于自身使用,不得用于其他商业用途(如 [转卖]进行直接盈利或[编辑后售卖]进行间接盈利)。
2、本站所有内容均由合作方或网友上传,本站不对文档的完整性、权威性及其观点立场正确性做任何保证或承诺!文档内容仅供研究参考,付费前请自行鉴别。
3、如文档内容存在违规,或者侵犯商业秘密、侵犯著作权等,请点击“违规举报”。

碎片内容

外墙保温施工方案

您可能关注的文档

确认删除?
VIP
微信客服
  • 扫码咨询
会员Q群
  • 会员专属群点击这里加入QQ群
客服邮箱
回到顶部