电脑桌面
添加小米粒文库到电脑桌面
安装后可以在桌面快捷访问

安全文明施工评分表样表

安全文明施工评分表样表_第1页
1/7
安全文明施工评分表样表_第2页
2/7
安全文明施工评分表样表_第3页
3/7
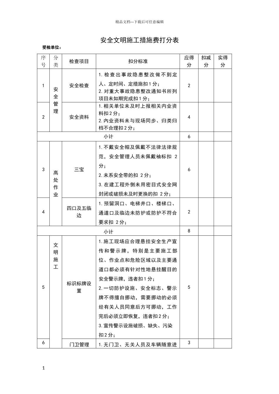
精品文档---下载后可任意编辑安全文明施工措施费打分表受检单位:序号分类检查项目扣分标准应得分扣减分实得分1安全管理安全检查1. 检 查 出 事 故 隐 患 整 改 做 不 到 定人、定时间、定措施扣 1 分;2.对重大事故隐患整改通知书所列项目未如期完成扣 1 分;22安全资料1.相关单位未及时上报相关内业资料扣 2 分;2.內业资料未与现场同步、归类归档不合理扣 2 分;4小计63高处作业三宝1.不戴安全帽及佩戴不法律法律规范,安全管理人员未佩戴袖标扣 2分;2.未系安全带的扣 2 分;3.在建工程外侧未用密目式安全网封闭或破损未及时更换的扣 2 分;64四口及五临边1.预留洞口、电梯井口、楼梯口、通道口及临边未防护或防护不符合要求扣 2 分;2小计85文明施工标识标牌设置1.施工现场应合理悬挂安全生产宣传 和 警 示 牌 , 特 别 是 主 要 施 工 部位、作业点和危险区域以及主要通道口都必须有针对性地悬挂醒目的安全警示牌,违者扣 1 分;2.一切防护设施、安全标志、警示牌不得擅自挪动,需要挪动的必须经有关人员同意后方可挪动,工作完后必须立即恢复,违者扣 2 分;3.宣传警示设施破损、缺失、污染扣 2 分;56 门卫管理1.无门卫、无关人员及车辆随意进31精品文档---下载后可任意编辑入扣 1 分 ;2.施工人员及管理人员进入施工现场未佩戴安全帽扣 2 分;7施工场地1.地面未硬化或场地道路有积水、泥污扣 2 分;2.施工现场道路不洁净,垃圾、烟头随意乱丢且未及时清理的扣 3 分;58材料堆放1.建筑材料、构件、料具不按总平面布局堆放的扣 2 分;2.料堆未挂名称、品种、规格等标牌的扣 2 分;3.堆放不整齐的扣 4 分;4.未做到工完场地清的扣 2 分;5.建筑垃圾堆放不整齐、未标出名称、品种的扣 2 分;119民工宿舍1.存在私拉乱接电线、宿舍内生火做饭扣;2.宿舍住宿条件拥挤,未满足消防要求扣分;3.宿舍区内脏乱差、衣服随意乱挂的的扣 3 分;4.宿舍区内车辆乱停乱放的扣 2 分;610生活设施1.厕所、食堂卫生差或生活垃圾未及时清理扣 2 分 ;2.不能保证供应卫生饮水扣分;11环保施工1.易扬尘材料未设专用仓库或未覆盖扣 1 分 ;2.未定期洒水降尘或现场焚烧有毒有害物质扣 1 分;3.建筑垃圾未及时清理扣 3 分;512现场管理1.员工在作业时间内不得穿拖鞋,不得赤膊,违者发现一处扣.分小计38 脚落地脚手架1.基础不坚实、不平整、下沉或有22精品文档---下载后可任意编...

1、当您付费下载文档后,您只拥有了使用权限,并不意味着购买了版权,文档只能用于自身使用,不得用于其他商业用途(如 [转卖]进行直接盈利或[编辑后售卖]进行间接盈利)。
2、本站所有内容均由合作方或网友上传,本站不对文档的完整性、权威性及其观点立场正确性做任何保证或承诺!文档内容仅供研究参考,付费前请自行鉴别。
3、如文档内容存在违规,或者侵犯商业秘密、侵犯著作权等,请点击“违规举报”。

碎片内容

安全文明施工评分表样表

确认删除?
VIP
微信客服
  • 扫码咨询
会员Q群
  • 会员专属群点击这里加入QQ群
客服邮箱
回到顶部