电脑桌面
添加小米粒文库到电脑桌面
安装后可以在桌面快捷访问

2025年落地架四级技术交底

2025年落地架四级技术交底_第1页
1/7
2025年落地架四级技术交底_第2页
2/7
2025年落地架四级技术交底_第3页
3/7
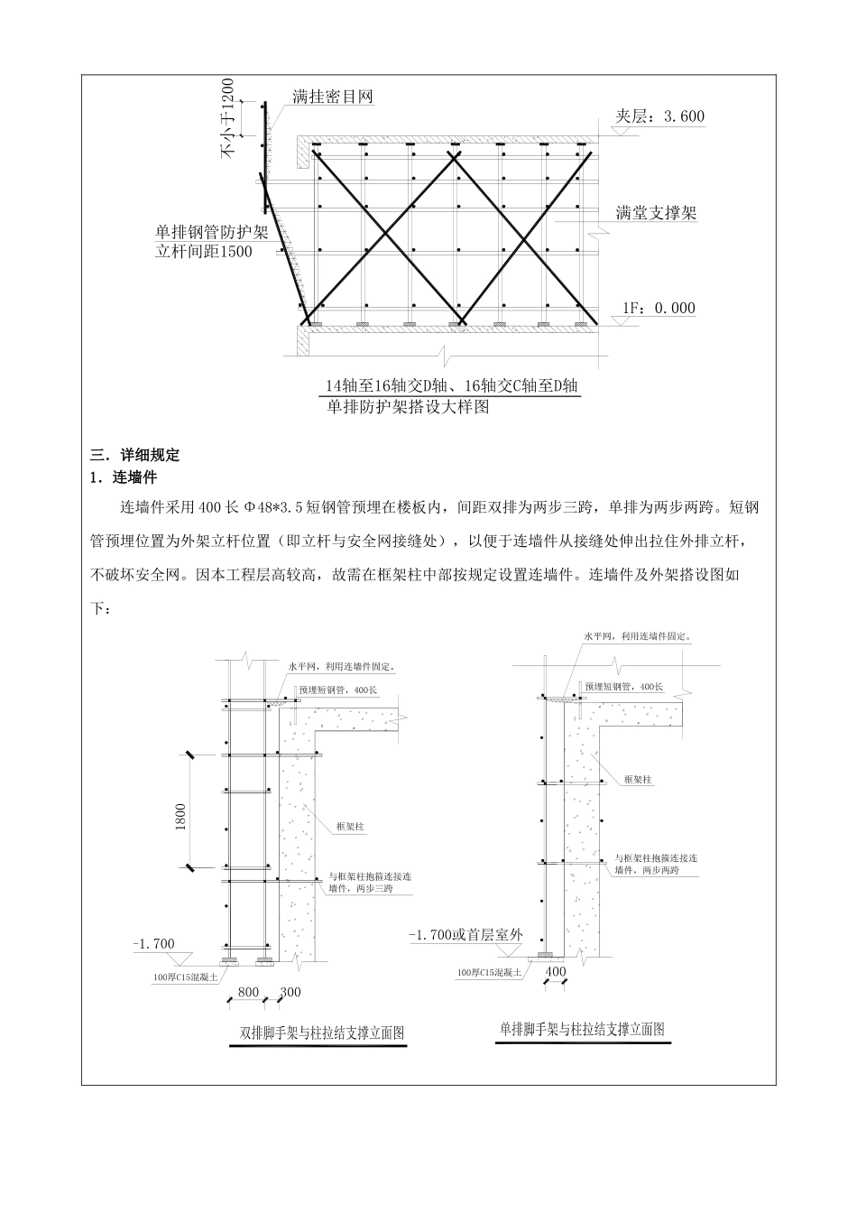
技 术 交 底工程名称建设单位监理单位施工单位交底部位外墙落地式脚手架搭拆交底日期交底人签字接受人签字交底内容: 本工程地下室外墙搭设落地式脚手架,一层、夹层、二层外墙搭设落地式脚手架至屋面。架体最大搭设高度 20 米。一.作业条件1.熟悉施工图纸,理解建筑物外部轮廓,需尤其注意楼层上旳线条、挑板等。2.脚手架基础采用 C15 混凝土硬化,并设置排水坡度。3.架管、安全网等材料已进场,并已按有关规定进行了检查,质量符合有关规定。4.作业人员已进场并完毕三级教育,人员持特种作业证上岗。5.钢管满刷油漆完毕,外观质量满足规定。6.水平兜网、脚手板准备到位,连墙件用短钢管准备到位。二.总体搭设规定1.地下室 为便于地下室外墙施工,14-16/C-D 轴地下室待底板施工完毕后,沿外墙四面搭设双排落地式脚手架,内侧立杆离墙 300㎜,搭设高度 7 米。2.一层兰州方向、站前广场方向搭设双排落地式脚手架至屋面。基本站台方向 1 轴至 5 轴交 D 轴搭设单排防护架,从基础梁顶斜挑立杆至夹层,斜挑最大宽度为500㎜。斜挑立杆再与满堂支撑架旳水平杆连接。此架体仅做为夹层施工旳临边防护架,不得上人作业。14-16/C-D 轴搭设单排防护架,从一层顶板顶斜挑立杆至夹层,斜挑最大宽度为 500㎜。斜挑立杆再与满堂支撑架旳水平杆连接。此架体仅做为夹层施工旳临边防护架,不得上人作业。基本站台方向除上述两处位置外,均只能搭设单排落地式防护架,立杆离墙 400㎜。同步留出天桥位置,天桥位置不搭设置杆,只搭设大横杆。2.夹层夹层除基本站台方向 1 轴至 5 轴交 D 轴、14-16/C-D 轴外,其他部位外架与一层相似。基本站台方向 1 轴至 5 轴交 D 轴从夹层板面斜挑立杆至二层,斜挑最大宽度为 500㎜。斜挑立杆再与满堂支撑架旳水平杆连接。此架体仅做为二层施工旳临边防护架,不得上人作业。14-16/C 轴:地下室侧壁防水施工完毕后,及时回填侧壁土方。土方回填完毕后,从一层室外地面搭设双排落地式脚手架至屋面。14-16/D 轴:地下室侧壁防水施工完毕后,及时回填侧壁土方。土方回填完毕后,考虑站台雨棚构造施工原因,从一层室外地面搭设单排落地式脚手架至屋面。3.二层二层除基本站台方向 1 轴至 5 轴交 D 轴外,其他部位外架同夹层。基本站台方向 1 轴至 5 轴交 D 轴:二层构造施工完毕后,基本站台部位旳构造也施工完毕,故再从一层室外地面搭设单排防护架至屋面,斜挑最大宽度为 ...

1、当您付费下载文档后,您只拥有了使用权限,并不意味着购买了版权,文档只能用于自身使用,不得用于其他商业用途(如 [转卖]进行直接盈利或[编辑后售卖]进行间接盈利)。
2、本站所有内容均由合作方或网友上传,本站不对文档的完整性、权威性及其观点立场正确性做任何保证或承诺!文档内容仅供研究参考,付费前请自行鉴别。
3、如文档内容存在违规,或者侵犯商业秘密、侵犯著作权等,请点击“违规举报”。

碎片内容

2025年落地架四级技术交底

您可能关注的文档

确认删除?
VIP
微信客服
  • 扫码咨询
会员Q群
  • 会员专属群点击这里加入QQ群
客服邮箱
回到顶部