电脑桌面
添加小米粒文库到电脑桌面
安装后可以在桌面快捷访问

工程制图规定

工程制图规定_第1页
1/33
工程制图规定_第2页
2/33
工程制图规定_第3页
3/33
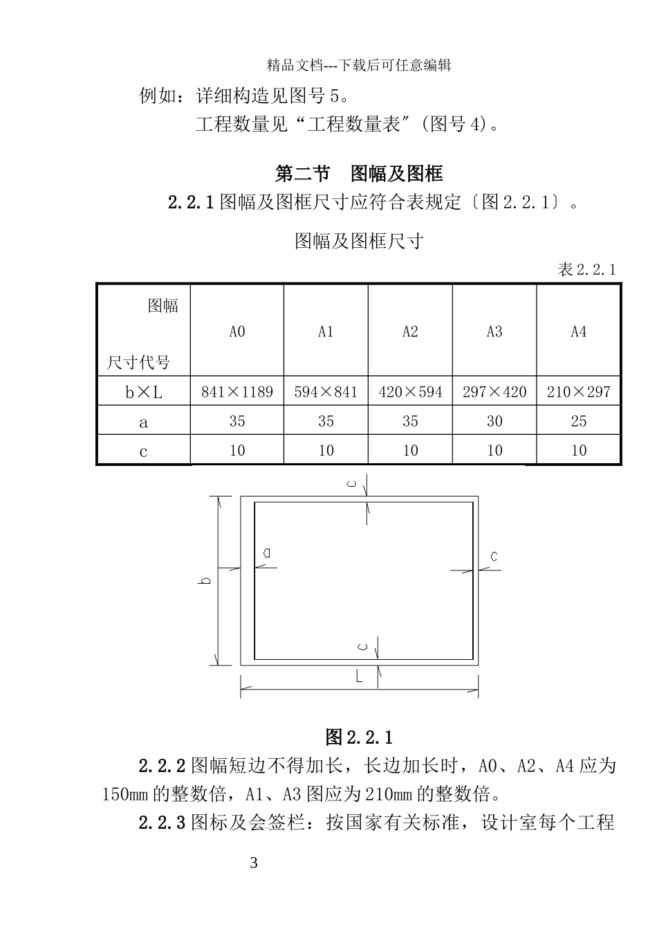
精品文档---下载后可任意编辑第一章 总 那么为了统一公司员工的制图习惯,保证图面质量,提高工作效率,便于技术沟通,特制定本标准。 本标准说明本标准中的要求均以 A3 图纸为基准;所规定高度、长度、宽度等均为输出尺寸,实际作图时乘以相应比例即可。1.0.3 路桥工程制图,除应遵守本标准外,尚应符合国家现行有关标准规定。本标准未说详尽之处请查阅?道路工程制图标准?〔GB 50162-92〕。如本标准与其有冲突之处以?道路工程制图标准?为准,敬请指出以便日后改正。标准中所有黑体字所述内容为设计室规定尺寸,设计室人员必须严格按其执行,有不对之处请指出,以便及时改正。 1道路工程制图标准第二章 一般规定第一节 图纸内容及文字说明设计图册顺序由封面、目录、说明、设计图及封底等组成。文字说明的顺序号按以下数字的次序编排:一、二、三、四……〔一〕、〔二〕、〔三〕、〔四〕……1、2、3、4……〔1〕、〔2〕、〔3〕、〔4〕……每段起行的前边留出两个字的空格。2.1.3 当图纸中有需要说明的事项时,宜在每张图的右下角、图标上方加以表达。该局部文字应采纳“注〞说明,字样“注〞应写在表达事项的左上角。每条注的结尾应标以句号“。〞。说明事项需要划分层次时,第一、二、三层次的编号应分别用阿拉伯数字、带括号的阿拉伯数字及带圆圈的阿拉伯数字标注。2.1.4 图中汉字应采纳国家公布使用的简化汉字,除有特别要求外,不得采纳繁体字。2.1.5 说明及图中附注,凡等式或计算式,一律采纳“=〞号;凡仅说明性质或指标的,一律采纳破折号“——〞;说明数字范围符号一律采纳“~〞。例如:“跨径=20 米〞应为“跨径——20m〞。 “L——k+b+c+60”应为“L=k+b+c+60”。2.1.6 说明及图内附注,当在句中引用某条或某图号时,所引用的条文号或图号可不加括号,也可以加括号“〔〕〞,不要采纳其他的符号。2精品文档---下载后可任意编辑例如:详细构造见图号 5。工程数量见“工程数量表〞(图号 4)。第二节 图幅及图框2.2.1 图幅及图框尺寸应符合表规定〔图 2.2.1〕。图幅及图框尺寸 表 2.2.1 图幅尺寸代号A0A1A2A3A4b×L841×1189594×841420×594297×420210×297a3535353025c1010101010图 2.2.12.2.2 图幅短边不得加长,长边加长时,A0、A2、A4 应为150mm 的整数倍,A1、A3 图应为 210mm 的整数倍。2.2.3 图标及会签栏:按国家有关标准,设计室每个工程 3道路工程制图标准统一绘制图框。如无特别要求那么采...

1、当您付费下载文档后,您只拥有了使用权限,并不意味着购买了版权,文档只能用于自身使用,不得用于其他商业用途(如 [转卖]进行直接盈利或[编辑后售卖]进行间接盈利)。
2、本站所有内容均由合作方或网友上传,本站不对文档的完整性、权威性及其观点立场正确性做任何保证或承诺!文档内容仅供研究参考,付费前请自行鉴别。
3、如文档内容存在违规,或者侵犯商业秘密、侵犯著作权等,请点击“违规举报”。

碎片内容

工程制图规定

确认删除?
VIP
微信客服
  • 扫码咨询
会员Q群
  • 会员专属群点击这里加入QQ群
客服邮箱
回到顶部