电脑桌面
添加小米粒文库到电脑桌面
安装后可以在桌面快捷访问

球墨铸铁管规格参数参考

球墨铸铁管规格参数参考_第1页
1/10
球墨铸铁管规格参数参考_第2页
2/10
球墨铸铁管规格参数参考_第3页
3/10
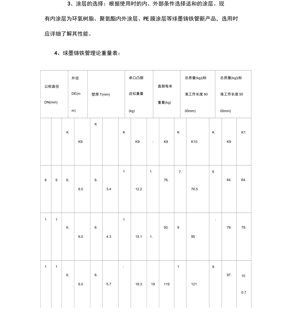
球墨铸铁管规格参数参考一、性能介绍球墨铸铁管是铸铁的一种,是一种铁、碳和硅的合金。球墨铸铁中石墨是以球状形式存在的,一般石墨的大小为 6-7 级,质量上要求铸管的球化等级控制为 1-3级(球化率>80%),因而材料本身的机械性能得到了较好的改善,具有铁的本质,钢的性能。退火后的球墨铸铁管,其金相组织为铁素体加少量珠光体,机械性能较好。球墨铸铁管主要称之为离心球墨铸铁管,它具有铁的本质、钢的性能,防腐性能优异、延展性能好,密封效果好,安装简易、主要用于市政、工矿企业给水、输气,输油等。是供水管材的首选,具有很高的性价比。与 PE 管材相比,从安装时间上,球墨管比PE 管安装更简单快捷,且安装后内外承压力更好;从密闭性和防腐性上来看,球墨管安装后的密闭性更好,也可以通过多种防腐手段提高防腐蚀性能;从水力性能来看,因球墨管规格一般指内径,PE 管规格一般指外径,因为同等规格条件下,球墨管能实现更大的径流量;从综合安装维护造价来看,球墨管有着更加优越的性价比。内壁喷锌,水泥沙浆防腐材料等。二、选用建议1、对球墨铸铁管材的选择应根据敷设地具体情况,选择直管与配件的接口形式。2、橡胶圈通常选用 NBR、SBR、EPDM 等材质。3、涂层的选择:根据使用时的内、外部条件选择适和的涂层。现有内涂层为环氧树脂、聚氨酯内外涂层、PE 膜涂层等球墨铸铁管新产品,选用时应详细了解其性能。4、球墨铸铁管理论重量表:公称直径DN(mm)外径DE(mm)壁厚 T(mm)承口凸部近似重量(kg)直部每米重量(kg)总质量(kg)(标准工作长度 6000mm)总质量(kg)(标准工作长度 5000mm)KK9KKK9:K8KK10KK9K1896.6.06.3.4112.2176.7.76.5664.64.116.6.06.4.3115.11.93.995:79.79.116.6.06.5.7:18.3191191121997.100.7116.6.06.7.1222.82138114411121257031.2.46.1.11.1008841226.6.2311516160206.3410.38.30.60.18391943.3.33.3027648226.7.3421921235706.8514.25.40.24.22852802.5.25.7046352336.8.4532427300247.2018.95.50.86.29023575.2.90.4063334336.8.5643033375787.7523.75.63.29.35904413.9.71.7089632447.9.6843640440228.1029.57.75.53.433853267809372447.9.54348535868.6538.380899951576328.3.33.30043558.9.0142.89104.11600673650566203002.35.66.4.30.8028698668.112137.1586674810389.9159.323279189719.5.89.305231779.115173.19100185941003610.8279.15939212374.8.644.083111108811102.19215.2312536111...

1、当您付费下载文档后,您只拥有了使用权限,并不意味着购买了版权,文档只能用于自身使用,不得用于其他商业用途(如 [转卖]进行直接盈利或[编辑后售卖]进行间接盈利)。
2、本站所有内容均由合作方或网友上传,本站不对文档的完整性、权威性及其观点立场正确性做任何保证或承诺!文档内容仅供研究参考,付费前请自行鉴别。
3、如文档内容存在违规,或者侵犯商业秘密、侵犯著作权等,请点击“违规举报”。

碎片内容

球墨铸铁管规格参数参考

wxg+ 关注
实名认证
内容提供者

该用户很懒,什么也没介绍

确认删除?
VIP
微信客服
  • 扫码咨询
会员Q群
  • 会员专属群点击这里加入QQ群
客服邮箱
回到顶部