电脑桌面
添加小米粒文库到电脑桌面
安装后可以在桌面快捷访问

施工升降机交接班记录表

施工升降机交接班记录表_第1页
1/5
施工升降机交接班记录表_第2页
2/5
施工升降机交接班记录表_第3页
3/5
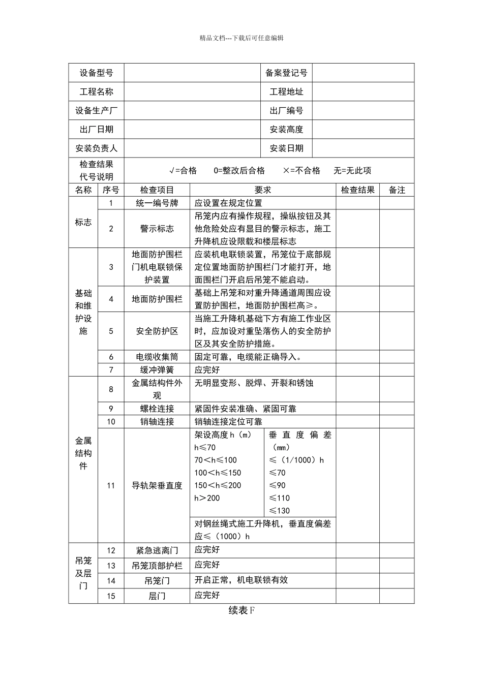
精品文档---下载后可任意编辑施工升降机交接班记录表工程名称使用单位设备型号备案登记号时 间20 年 月 日 时 分检查结果代号说明√=合格 O=整改后合格 ×=不合格序号检 查 项 目检查结果备注1施工升降机通道无障碍物2地面防护围栏门、吊笼门机电联锁完好3各限位挡板位置无位移4各限位器灵敏可靠5各制动器灵敏可靠6清洁良好7润滑充足8各部件紧固无松动9其他故障及维修记录:交班司机签名:接班司机签名:精品文档---下载后可任意编辑施工升降机每日使用前检查表工程名称工程地址使用单位设备型号租赁单位备案登记号检查日期 年 月 日 检查结果代号说明√=合格 O=整改后合格 ×=不合格 无=无此项序号检 查 项 目检查结果备注1外电源箱总开关、总接触器正常2地面防护围栏门及机电联锁正常3吊笼、吊笼门和机电联锁操作正常4吊笼顶紧急逃离门正常5吊笼及对重通道无障碍6钢丝绳连接、固定情况正常,各曳引钢丝绳松紧一致7导轨架连接螺栓无松动、缺失8导轨架及附墙架无异常移动9齿轮、齿条啮合正常10上、下限位开关正常11极限限位开关正常12电缆导向架正常13制动器正常14电机和变速箱无异常发热及噪声15急停开关正常16润滑油无泄漏17警报系统正常18地面防护围栏内及吊笼顶无杂物发现问题:维修情况:司机签名:施工升降机每月检查表精品文档---下载后可任意编辑设备型号备案登记号工程名称工程地址设备生产厂出厂编号出厂日期安装高度安装负责人安装日期检查结果代号说明√=合格 O=整改后合格 ×=不合格 无=无此项名称序号检查项目要求检查结果备注标志1统一编号牌应设置在规定位置2警示标志吊笼内应有操作规程,操纵按钮及其他危险处应有显目的警示标志,施工升降机应设限载和楼层标志基础和维护设施3地面防护围栏门机电联锁保护装置应装机电联锁装置,吊笼位于底部规定位置地面防护围栏门才能打开,地面围栏门开启后吊笼不能启动。4地面防护围栏基础上吊笼和对重升降通道周围应设置防护围栏,地面防护围栏高≥。5安全防护区当施工升降机基础下方有施工作业区时,应加设对重坠落伤人的安全防护区及其安全防护措施。6电缆收集筒固定可靠,电缆能正确导入。7缓冲弹簧应完好金属结构件8金属结构件外观无明显变形、脱焊、开裂和锈蚀9螺栓连接紧固件安装准确、紧固可靠10销轴连接销轴连接定位可靠11导轨架垂直度架设高度 h(m)h≤7070<h≤100100<h≤150150<h≤200h>200垂 直 度 偏 差(mm)≤(1/1000)h≤70≤90≤110≤13...

1、当您付费下载文档后,您只拥有了使用权限,并不意味着购买了版权,文档只能用于自身使用,不得用于其他商业用途(如 [转卖]进行直接盈利或[编辑后售卖]进行间接盈利)。
2、本站所有内容均由合作方或网友上传,本站不对文档的完整性、权威性及其观点立场正确性做任何保证或承诺!文档内容仅供研究参考,付费前请自行鉴别。
3、如文档内容存在违规,或者侵犯商业秘密、侵犯著作权等,请点击“违规举报”。

碎片内容

施工升降机交接班记录表

您可能关注的文档

确认删除?
VIP
微信客服
  • 扫码咨询
会员Q群
  • 会员专属群点击这里加入QQ群
客服邮箱
回到顶部