电脑桌面
添加小米粒文库到电脑桌面
安装后可以在桌面快捷访问

抗震安全鉴定报告

抗震安全鉴定报告_第1页
1/8
抗震安全鉴定报告_第2页
2/8
抗震安全鉴定报告_第3页
3/8
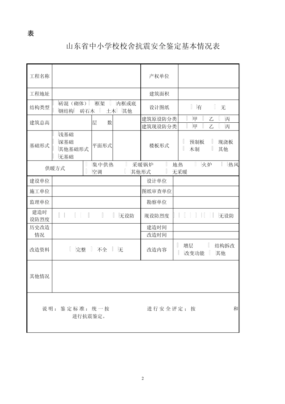
1 抗震安全鉴定报告 ( 滨州 )市( 博兴 )市/县/区 第0 3 7 (2 3 )--(2 8 - )号 工程名称: 学校 楼 幢号 委托单位: 博兴县中小学校舍安全工程与布局调整工作 领导小组办公室 鉴定单位(盖章):博兴县建筑工程设计院 鉴定人: 鉴定负责人: 2 0 0 9 年 月 日 山东省校舍安全工程领导小组办公室制 2 表 1 山东省中小学校校舍抗震安全鉴定基本情况表 工程名称 产权单位 工程地址 建筑面积 结构类型 砖混(砌体)框架 内框或底 钢结构砖石木 土木其他 设计图纸 有 无 建筑总高 层 数 建筑原设防分类 甲 乙 丙 建筑现设防分类 甲 乙 丙 基础形式 浅基础 深基础 其他基础形式 无基础 平面形式 楼板形式 预制板 现浇板 木制 其他 供暖方式 集中供热 采暖锅炉 地热 火炉 热风 空调 其他形式 无采暖 建设单位 设计单位 施工单位 图纸审查单位 监理单位 勘察单位 建造时 设防烈度 6 7 8 9 无设防 现设防烈度 6 7 8 9 无设防 历史改造 情况 建造时间 改造时间 改造资料 完整 不全 无 改造内容 增层 结构拆改 改变功能 其他 其他情况 说 明 : 鉴 定 标 准 : 统 一 按 GB50292-1999进行安 全 评定 ;按 GB50023-2009和GB50011-2001(2008)进行抗震鉴定。 3 表7 场地、地基和基础抗震鉴定表 工程名称: 产权单位: 一、抗震鉴定 1场地 场地类别 I类II类III类 IV类 场地影响 有利 不利 危险 不详 场地对建筑影响的排查(6度/7度) 进行 不进行 7、8度区建筑场地是否有不利地段 (注:有不利地段,应对地震稳定性、地基滑移及对建筑可能危害进行评估。) 注:建造于危险地段的建筑,应结合当地规划进行更新(迁离);暂时不能更新的,应专门研究并采取应急安全措施。 2地基和基础 地基基础现状 上部结构无不均匀沉降裂缝和倾斜 虽有裂缝、倾斜但不严重且无发展趋势 地基基础现状鉴定 无严重静载缺陷有严重静载缺陷,需审核其静载下的承载力 排查建筑为以下情况之一时可不进行地基基础的抗震鉴定 丁类建筑。 6度时各类建筑。 7度时地基基础无严重静载缺陷的乙、丙类建筑。 地基主要受力层范围内不存在软弱土、饱和砂土和饱和粉土或严重不均匀土层的乙、丙类建筑。 否则,因待排查建筑存在(为) ,故需进行地基基础的抗震鉴定。 注:存在软弱土、饱和砂土和饱和粉的地基基础,可...

1、当您付费下载文档后,您只拥有了使用权限,并不意味着购买了版权,文档只能用于自身使用,不得用于其他商业用途(如 [转卖]进行直接盈利或[编辑后售卖]进行间接盈利)。
2、本站所有内容均由合作方或网友上传,本站不对文档的完整性、权威性及其观点立场正确性做任何保证或承诺!文档内容仅供研究参考,付费前请自行鉴别。
3、如文档内容存在违规,或者侵犯商业秘密、侵犯著作权等,请点击“违规举报”。

碎片内容

抗震安全鉴定报告

小辰+ 关注
实名认证
内容提供者

出售各种文档和资料

确认删除?
VIP
微信客服
  • 扫码咨询
会员Q群
  • 会员专属群点击这里加入QQ群
客服邮箱
回到顶部