电脑桌面
添加小米粒文库到电脑桌面
安装后可以在桌面快捷访问

拌和站及临建施工方案1

拌和站及临建施工方案1_第1页
1/7
拌和站及临建施工方案1_第2页
2/7
拌和站及临建施工方案1_第3页
3/7
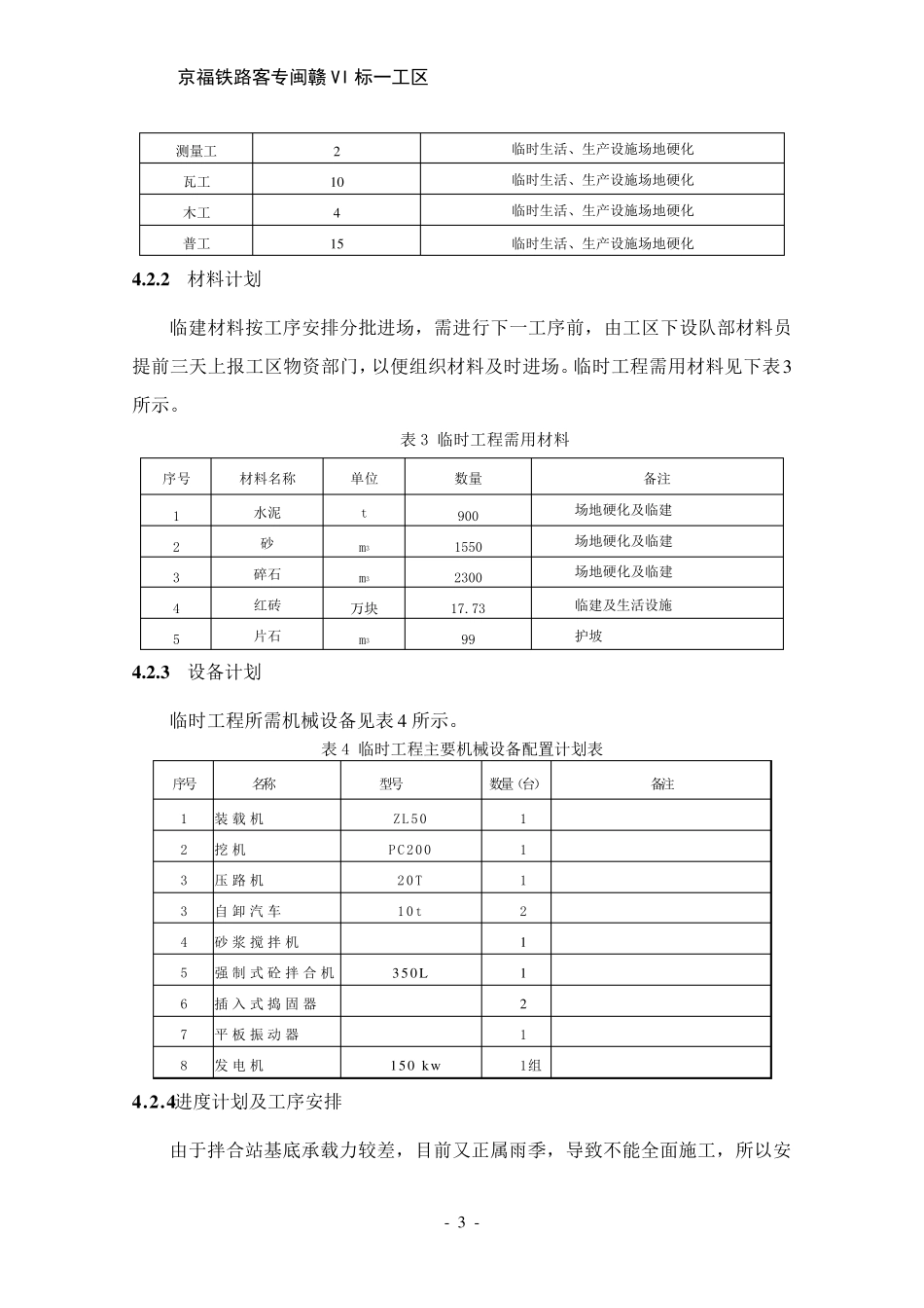
京福铁路客专闽赣VI 标一工区 - 1 - 一工区建瓯西站拌合站及临建施工方案 1 编制依据 1.1 新建京福铁路客专闽赣VI 标施工招投标文件以及一工区管段内桥梁、隧道、区间路基、站场及附属工程分布情况。 1.2 现场实际地形以及周边环境等实地踏勘调查情况。 1.3 依据GB/T19001--2000 质量标准体系、GB/T24001-1996 环境管理体系和GB/T28001-2001 职业健康安全标准建立的质量、环境和职业健康管理体系。 2 工程概况 中 铁隧 道 集 团 京福铁路客专闽赣VI 标一工区二 队 管段起 讫 里 程 为DK636+827.88~DK639+446.5,于建瓯市北津村瑶坪自然村辖区内,拌合站由 205国道引入,占地面积 12000m2,其中包含一工区二队生活区及一级实验室一座;该拌合站计划使用双机 120 拌合机,承担一工区一、二、三队管段内所有构筑物及梁场砼生产任务。其中拌合站人员16 人,实验室人员12 人。根据管段内工程内容、工程量、本工程总体安排及各方要求,建瓯西站拌合站及生活区临建工程数量表如表1。 3 施工准备 3.1 对修建拌合站选定区域面积及高程进行测 量,计算 场地平 整 土 方工程量; 3.2 办 好 土 地使用手 续 ,清 除 用地范 围 内构造 物及附着 物。 3.3 对区域内需 改 迁 的管线 及时 和相 关 部 门 取 得 联 系,确 定改 迁 方案 。 3.4 根据临建工程量及时 组 织 并 联 系附近 材 料 供 应 情况。 表1 主 要临建工程数量表 序 号 项 目 单 位 进口 数量 备注 1 生活、办 公 设 施 1.1 办 公 、生活用房 ㎡ 405 活动 板 房 1.2 浴 室 ㎡ 18 活动 板 房 京福铁路客专闽赣VI 标一工区 - 2 - 序号 项目 单位 进口数量 备注 1.3 厕所 ㎡ 27 活动板房 2 生产房屋及设施 2.1 配电房 ㎡ 12 活动板房 2.2 发电机房 ㎡ 12 活动板房 2.3 拌合站 ㎡ 2700 自动计量(含料棚) 2.4 值班室 ㎡ 9 活动板房 2.5 试验室 ㎡ 225 活动板房 2.6 地磅房 ㎡ 15 活动板房 2.7 库房 ㎡ 30 3 场地平整、硬化及围墙等 3.1 场地平整填方 m3 10500 土方 3.2 场地平整挖方 m3 3500 土方 3.3 片石换填 m3 3600 3.4 浆砌片石 m3 99 3.2 围墙及水沟等砌体 块 177263 3.3 生活区场地硬化 m3 253.5 C15 砼10cm 厚 3.3 料仓及生产区场地硬化 m3 2096 C20 砼20cm 厚 4...

1、当您付费下载文档后,您只拥有了使用权限,并不意味着购买了版权,文档只能用于自身使用,不得用于其他商业用途(如 [转卖]进行直接盈利或[编辑后售卖]进行间接盈利)。
2、本站所有内容均由合作方或网友上传,本站不对文档的完整性、权威性及其观点立场正确性做任何保证或承诺!文档内容仅供研究参考,付费前请自行鉴别。
3、如文档内容存在违规,或者侵犯商业秘密、侵犯著作权等,请点击“违规举报”。

碎片内容

拌和站及临建施工方案1

您可能关注的文档

确认删除?
VIP
微信客服
  • 扫码咨询
会员Q群
  • 会员专属群点击这里加入QQ群
客服邮箱
回到顶部