电脑桌面
添加小米粒文库到电脑桌面
安装后可以在桌面快捷访问

挡土墙稳定性计算

挡土墙稳定性计算_第1页
1/9
挡土墙稳定性计算_第2页
2/9
挡土墙稳定性计算_第3页
3/9
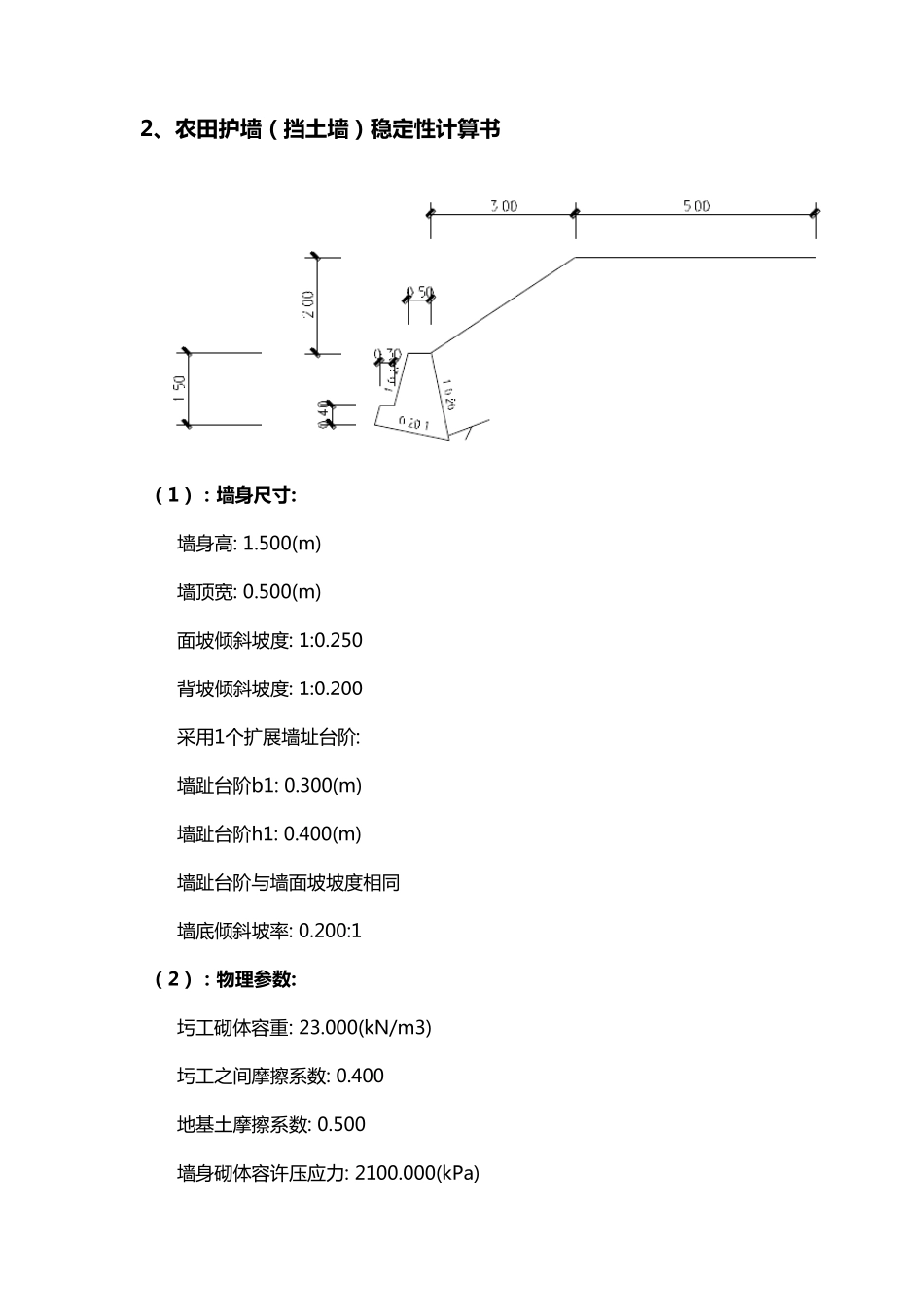
2、农田护墙(挡土墙)稳定性计算书 (1):墙身尺寸: 墙 身 高 : 1.500(m) 墙 顶 宽 : 0.500(m) 面 坡 倾 斜 坡 度 : 1:0.250 背 坡 倾 斜 坡 度 : 1:0.200 采 用 1个 扩 展 墙 址 台 阶 : 墙 趾 台 阶 b1: 0.300(m) 墙 趾 台 阶 h1: 0.400(m) 墙 趾 台 阶 与墙 面 坡 坡 度 相同 墙 底倾 斜 坡 率: 0.200:1 (2):物理参数: 圬工砌体容重: 23.000(kN/m3) 圬工之间摩擦系数: 0.400 地基土摩擦系数: 0.500 墙 身 砌体容许压应力: 2100.000(kPa) 墙 身 砌 体 容 许 剪 应 力 : 110.000(kPa) 墙 身 砌 体 容 许 拉 应 力 : 150.000(kPa) 墙 身 砌 体 容 许 弯 曲 拉 应 力 : 280.000(kPa) ( 3) : 挡 土 墙 类 型 : 一般挡 土 墙 墙 后 填 土 内 摩 擦 角 : 35.000(度 ) 墙 后 填 土 粘 聚 力 : 0.000(kPa) 墙 后 填 土 容 重 : 19.000(kN/m3) 墙 背 与墙 后 填 土 摩 擦 角 : 17.500(度 ) 地基土 容 重 : 18.000(kN/m3) 修正后 地基土 容 许 承载力 : 500.000(kPa) 地基土 容 许 承载力 提高系数: 墙 趾值提高系数: 1.200 墙 踵值提高系数: 1.300 平均值提高系数: 1.000 墙 底摩 擦 系数: 0.500 地基土 类型: 土 质地基 地基土 内 摩 擦 角 : 30.000(度 ) 土 压力 计算方法: 库仑 ( 4) : 坡线土 柱: 坡 面 线 段 数 : 2 折 线 序 号 水 平 投 影 长 (m) 竖 向 投 影 长 (m) 换 算 土 柱 数 1 3.000 2.000 0 2 5.000 0.000 0 坡 面 起 始 距 离 : 0.000(m) 地 面 横 坡 角 度 : 20.000(度 ) 墙 顶 标 高 : 0.000(m) ( 5) : 稳 定 性 计 算 书 : 第 1 种 情 况 : 一般情 况 [土 压 力 计 算 ] 计算 高 度 为 1.807(m)处的库仑主动土 压力 按实际墙 背计算 得到: 第 1破裂角 : 38.300(度 ) Ea=21.071 Ex=18.463 Ey=10.154(kN) 作用点高 度 Zy=0.615(m) 因为俯斜墙 背,需判断第 二破裂面 是否存在,计算 后发现第 二破裂面 存在: 第 2破裂角 =10.021(度 ) 第 1破裂角 =39.550(度 ) Ea=23.256 Ex=16.438 Ey=16.450(kN) 作用点高 度 Zy=0.632(m) 墙 身截面 积 = 1.603(m2)...

1、当您付费下载文档后,您只拥有了使用权限,并不意味着购买了版权,文档只能用于自身使用,不得用于其他商业用途(如 [转卖]进行直接盈利或[编辑后售卖]进行间接盈利)。
2、本站所有内容均由合作方或网友上传,本站不对文档的完整性、权威性及其观点立场正确性做任何保证或承诺!文档内容仅供研究参考,付费前请自行鉴别。
3、如文档内容存在违规,或者侵犯商业秘密、侵犯著作权等,请点击“违规举报”。

碎片内容

挡土墙稳定性计算

小辰8+ 关注
实名认证
内容提供者

出售各种资料和文档

确认删除?
VIP
微信客服
  • 扫码咨询
会员Q群
  • 会员专属群点击这里加入QQ群
客服邮箱
回到顶部