电脑桌面
添加小米粒文库到电脑桌面
安装后可以在桌面快捷访问

排污系数速查手册

排污系数速查手册_第1页
1/68
排污系数速查手册_第2页
2/68
排污系数速查手册_第3页
3/68
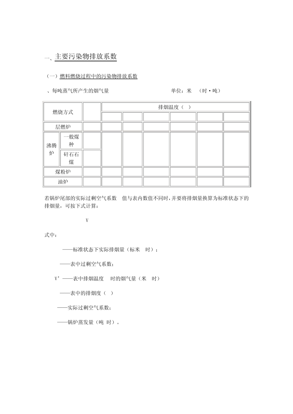
排放系数 一、主要污染物排放系数 二、主要工业行业固体废物排放系数参照表 三、主要工业产品综合产污和排污系数 四、燃煤工业锅炉污染物的产污和排污系数 五、燃煤茶浴炉、食堂大灶烟气中污染物的产污和排污系数 六、我国各地区燃煤硫分含量分布表 七、常用的法定计算单位与符号 八、锅炉型号的表示方法 九、林格曼图与烟尘含量参照表 十、乡镇工业水污染物排放系数 十一、乡镇工业大气污染物排放系数 十二、皮革互换系数 十三、单位产品煤炭消费系数表 十四、不同公路类型的汽车污染物排放系数 十五、机动车污染物排放系数 十六、全国(部分省)原煤成分表(统配煤矿) 十七、全国石油成分表 十八、各种燃烧方式锅炉烟尘浓度平均值、最高值 十九、能源常用数据 二十、浓度及浓度单位换算 二十一、烟尘的分类 二十二、常用隔声材料的隔声量(dB) 二十三、石油化工生产综合废水 COD 值 二十四、适用于各种恶臭物质的洗涤液 二十五、农业企业和工程项目的卫生防护地带 二十六、一般煤粉尘的化学成份 二十七、部分行业最高允许排水量(98 年 1 月 1 日以后的企业) 二十八、典型工厂排放的废水中含有的有害物质情况 一、主要污染物排放系数 (一)燃料燃烧过程中的污染物排放系数 1、每吨蒸气所产生的烟气量 [单位:米3/(时·吨)] 燃烧方式 a 排烟温度(oc) 150 200 250 350 400 500 层燃炉 1.55 2300 2570 2840 3380 3660 4190 沸腾炉 一般煤种 1.55 2300 2570 2840 矸石石煤 1.45 煤粉炉 1.55 2100 2360 2620 油炉 1.45 2100 2360 2620 若锅炉尾部的实际过剩空气系数a值与表内数值不同时,并要将排烟量换算为标准状态下的排烟量,可按下式计算: GNm=a/a'V D273/273+t' 式中: GNm——标准状态下实际排烟量(标米3/时); a'——表中过剩空气系数; V’——表中排烟温度 t'时的烟气量(米3/时) t'——表中的排烟度(oc) a——实际过剩空气系数; D——锅炉蒸发量(吨/时)。 2、燃烧 1 吨煤炭排放的各污染物量 (单位:千克/ 吨) 污染物 炉 型 电站锅炉 工业锅炉 采暖炉及家用炉 一氧化碳(CO) 碳氢化合物(CnHm) 氮氧化合物(以 NO2 计) 0.23 0.091 9.08 1.36 0.45 9.08 22.7 4.5 3.62 二氧化硫(SO2) 16.0S* 注:S*指煤的含硫量(%)。若煤的含硫量为 2%,则 1 吨煤然烧排 SO2 为 16.0×2=32 千克。 统计固...

1、当您付费下载文档后,您只拥有了使用权限,并不意味着购买了版权,文档只能用于自身使用,不得用于其他商业用途(如 [转卖]进行直接盈利或[编辑后售卖]进行间接盈利)。
2、本站所有内容均由合作方或网友上传,本站不对文档的完整性、权威性及其观点立场正确性做任何保证或承诺!文档内容仅供研究参考,付费前请自行鉴别。
3、如文档内容存在违规,或者侵犯商业秘密、侵犯著作权等,请点击“违规举报”。

碎片内容

排污系数速查手册

确认删除?
VIP
微信客服
  • 扫码咨询
会员Q群
  • 会员专属群点击这里加入QQ群
客服邮箱
回到顶部