电脑桌面
添加小米粒文库到电脑桌面
安装后可以在桌面快捷访问

接地施工作业指导书

接地施工作业指导书_第1页
1/12
接地施工作业指导书_第2页
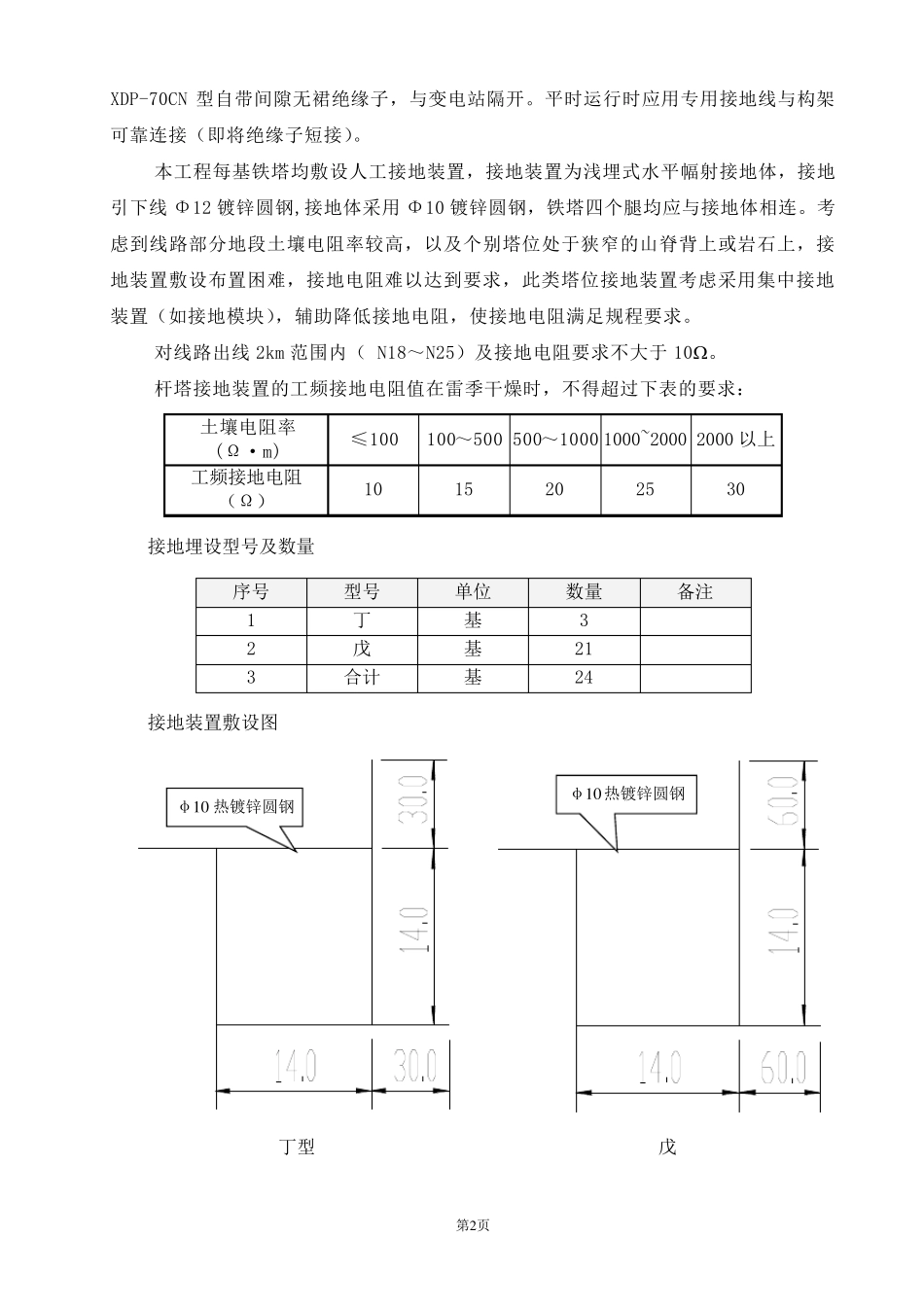
2/12
接地施工作业指导书_第3页
3/12
目 录 1、编制依据 ............................................................................................................................................. 1 2、工程概况 ............................................................................................................................................. 1 3、接地装置 ............................................................................................................................................. 1 3.1 接地装置型号 ............................................................................................................................. 1 3.2 接地埋设要求 ............................................................................................................................. 3 4、材料定购及验收 ................................................................................................................................. 4 4.1、原材料定购 .............................................................................................................................. 4 4.2、原材料验收 .............................................................................................................................. 4 5 、接地装置施工 ..................................................................................................................................... 4 5.1、技术资料准备 .......................................................................................................................... 4 5.2、接地沟开挖 .............................................................................................................................. 5 5.3、接地体敷设 .............................................................................................................................. 5 5.4、接地体回填 .............................................................................................................................. 6 5.5、接地引下线的...

1、当您付费下载文档后,您只拥有了使用权限,并不意味着购买了版权,文档只能用于自身使用,不得用于其他商业用途(如 [转卖]进行直接盈利或[编辑后售卖]进行间接盈利)。
2、本站所有内容均由合作方或网友上传,本站不对文档的完整性、权威性及其观点立场正确性做任何保证或承诺!文档内容仅供研究参考,付费前请自行鉴别。
3、如文档内容存在违规,或者侵犯商业秘密、侵犯著作权等,请点击“违规举报”。

碎片内容

接地施工作业指导书

确认删除?
VIP
微信客服
  • 扫码咨询
会员Q群
  • 会员专属群点击这里加入QQ群
客服邮箱
回到顶部