电脑桌面
添加小米粒文库到电脑桌面
安装后可以在桌面快捷访问

控制键盘详细操作指南

控制键盘详细操作指南_第1页
1/9
控制键盘详细操作指南_第2页
2/9
控制键盘详细操作指南_第3页
3/9
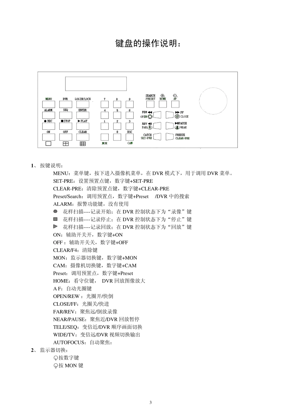
1 控制键盘操作指南 指令2 .1 版本 关于操作指南 在安装之前请详细阅读这本指南 请不要丢弃它,以备日后使用 它给出基本的连接方法和操作说明 2 功能及技术参数 1. 可控制摄像机(或云台)转动、变焦、光圈、聚焦及摄像机参数设置 2. RS485 控制信号,最多可接 255 个一体化球和摄像机 3. LCD 显示菜单、三维控制杆、DVR 及报警控制 4. 通信速率:2400/4800/9600/19200 BIT/S 5. 通信距离:1200M(0.5MM 双绞线) 6. 供电电源:9-12VDC 5W 7. 环境温度:0--+40℃ 8. 相对湿度:小于 90% 键盘安装说明 运输及储存: 键盘在运输过程中应小心轻放,避免滚动碰撞、跌落。 键盘应储存在通风、温度-10--+50℃、湿度低于 90%,无酸碱性的环境中 注意事项: 不要擅自打开机壳,如有问题,向专业维修人员咨询 不要在潮湿的环境中使用,以免引起危险 不要剧烈碰撞控制杆和键盘 控制键盘连接 Rs485POWER 电源接口:接 DV9V/400MA 的电源,通信接口:RS485-/RS485+为 RS485 通信总线,接线时注意极性,接线盒的 3、4 为 RS485-,接线盒的 5、6 为 RS485+。 3 键盘的操作说明: 1 、 按键说明: MENU:菜单键,按下进入摄像机菜单,在DVR 模式下,用于调用DVR 菜单。 SET-PRE:设置预置点键,数字键+SET-PRE CLEAR-PRE:清除预置点键,数字键+CLEAR-PRE Preset/Search:调用预置点,数字键+Preset /DVR 中的搜索 ALARM:报警功能键,没有使用 花样扫描----记录开始;在DVR 控制状态下为“录像”键 花样扫描----记录停止;在DVR 控制状态下为“停止”键 花样扫描----记录回放;在DVR 控制状态下为“回放”键 ON:辅助开关开,数字键+ON OFF :辅助开关关,数字键+OFF CLEAR/F4:清除键 MON:监示器切换键,数字键+MON CAM:摄像机切换键,数字键+CAM Preset:调用预置点,数字键+Preset HOME:看守位键, DVR 回放图像放大 A F:自动光圈键 OPEN/REW :光圈开/快倒 CLOSE/FF:光圈关/快进 FAR/REV:聚焦远/倒放录像 NEAR/PAUSE:聚焦近/DVR 回放暂停 TELE/SEQ:变倍近/DVR 顺序画面切换 WIDE/TV:变倍远/DVR 视频切换输出 AUTOFOCUS:自动聚焦: 2 、 监示器切换: ○1 按数字键 ○2 按MON 键 4 3、 摄像机切换: ○1 按数字键 ○2 按CAM 键 4、 D V R 模式:D V R 控制 ①在进入 CAM 控制模式下:按下数字’999’+MENU 键,进入...

1、当您付费下载文档后,您只拥有了使用权限,并不意味着购买了版权,文档只能用于自身使用,不得用于其他商业用途(如 [转卖]进行直接盈利或[编辑后售卖]进行间接盈利)。
2、本站所有内容均由合作方或网友上传,本站不对文档的完整性、权威性及其观点立场正确性做任何保证或承诺!文档内容仅供研究参考,付费前请自行鉴别。
3、如文档内容存在违规,或者侵犯商业秘密、侵犯著作权等,请点击“违规举报”。

碎片内容

控制键盘详细操作指南

确认删除?
VIP
微信客服
  • 扫码咨询
会员Q群
  • 会员专属群点击这里加入QQ群
客服邮箱
回到顶部