电脑桌面
添加小米粒文库到电脑桌面
安装后可以在桌面快捷访问

提高外墙铝单板幕墙施工质量

提高外墙铝单板幕墙施工质量_第1页
1/12
提高外墙铝单板幕墙施工质量_第2页
2/12
提高外墙铝单板幕墙施工质量_第3页
3/12
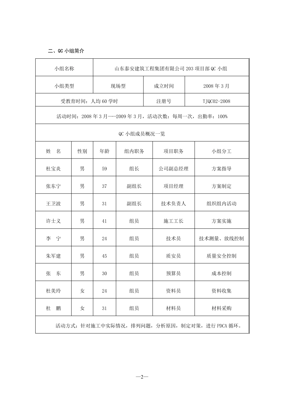
—1 — 提高外墙铝单板幕墙施工质量 确 保 工 程 质 量 一 次 成 优 山 东泰安建筑工程集团有限公司 203 项目部 QC 小组 一、工程概况 泰安银座城市广场位于泰安市东岳大街中段,建筑面积 63000 平方米,地下两层,地上六层。框架剪力墙结构,基础采用钢筋混凝土筏板基础。外墙铝单板幕墙, 施工规模大,造型独特。整幢大楼外立面造型体现了曲线与直线在建筑中的完美结合,再配上铝单板幕墙的装饰效果,使整个工程显得既豪华庄重,又沉稳细腻,在灵秀典雅的氛围中透出强烈的时代商业气息。鉴于此工程的独特造型以及其在泰安的社会影响力,我公司对其外墙铝单板幕墙施工高度重视,为了确保工程质量,争创“鲁班奖”,针对外墙铝单板幕墙的施工质量成立 QC 活动小组,进行技术攻关。 好好讨 论 一下! —2 — 二、QC 小组简介 小组名称 山东泰安建筑工程集团有限公司 203 项目部 QC 小组 小组类型 现场型 成立时间 2008 年 3 月 受教育时间:人均 60 学时 注册号 TJQC02-2008 活动时间:2008 年 3 月——2009 年 3 月,活动次数:每周一次,出勤率:100% QC 小组成员概况一览 姓 名 性别 年龄 组内职务 项目职务 小组分工 杜宝炎 男 59 组长 公司副总经理 方案指导 张东宁 男 37 副组长 项目经理 方案制定 王卫波 男 31 副组长 技术负责人 组织组内活动 许士义 男 41 组员 施工工长 方案实施 李 宁 男 24 组员 技术员 技术测量、放线控制 朱军建 男 45 组员 质安员 质量安全控制 张 东 男 30 组员 预算员 成本控制 杜美玲 女 24 组员 资料员 资料收集 杜 鹏 女 31 组员 材料员 材料采购 活动方式:针对施工中实际情况,排列问题,分析原因,制定对策,进行 PDCA 循环。 —3 — 三、选题理由 本工程选择了提高外墙铝单板幕墙的施工质量这一攻关课题,主要考虑以下理由: 1、本工程质量目标为“鲁班奖”,质量要求标准高。 2、外墙铝单板幕墙施工质量的好坏直接影响到整个工程的外观质量。 3、对于大面积外墙铝单板幕墙这种新工艺施工经验不足。 4、通过此次活动,掌握铝单板幕墙施工工艺及施工质量,进一步完善施工方案,为我公司施工同类型的工程积累经验。 四、现状调查分析 在该工程施工前组织 QC 小组及铝单板幕墙施工班组主要成员到济南、青岛等地进行专项考察,并进行统计。发现外墙铝单板幕墙容易...

1、当您付费下载文档后,您只拥有了使用权限,并不意味着购买了版权,文档只能用于自身使用,不得用于其他商业用途(如 [转卖]进行直接盈利或[编辑后售卖]进行间接盈利)。
2、本站所有内容均由合作方或网友上传,本站不对文档的完整性、权威性及其观点立场正确性做任何保证或承诺!文档内容仅供研究参考,付费前请自行鉴别。
3、如文档内容存在违规,或者侵犯商业秘密、侵犯著作权等,请点击“违规举报”。

碎片内容

提高外墙铝单板幕墙施工质量

确认删除?
VIP
微信客服
  • 扫码咨询
会员Q群
  • 会员专属群点击这里加入QQ群
客服邮箱
回到顶部