电脑桌面
添加小米粒文库到电脑桌面
安装后可以在桌面快捷访问

机修工试题库

机修工试题库_第1页
1/7
机修工试题库_第2页
2/7
机修工试题库_第3页
3/7
1 机 修 工 试 题 库 20110930 一 、 选择题 (每题 只有一 个选项正确,请将其代号填入括号中,每题2 分) 1、 操 作 者 使 用 砂 轮 机 时 应 站 在 砂 轮 的 ( D )。 A. 正 面 B. 右 面 C. 左 面 D. 侧 面 或 斜 侧 面 2、 在 使 用 台 虎 钳 进 行 强 力 作 业 时 , 应 尽 量 使 力 朝 向 ( B ) 钳 身 。 A. 活 动 B. 固 定 C. 任 意 D.活 动 与 固 定 3、 在 管 道 中 流 动 的 油 液 , 其 流 量 是 ( A ) A、 流 速 乘 截 面 积 B、 压 力 乘 作 用 力 C、 功 率 4、 在 两 种 不 同 材 料 的 组 合 中 间 钻 孔 ,钻 孔 开 始 阶 段 的 钻 头 往 ( D ) 一 边 “借”,以抵削因材 料 不 同 而引起的 偏移. A、 内 B、 外 C、 软 D、 硬 5、 采用 热装法装配轴承时 , 将轴承放入机 油 槽中 加热, 温度一 般不 超过( A ) . A. 100℃ B. 150 ℃ C. 200℃ 6、 选择定 位基准时 , 应 尽 量 与 工件的 ( D ) 一 致。 A.工艺基准 B. 度量 基准 C. 起始 基准 D. 设计基准 7、 下列机 械传 动 中 , 传 动 比 最 不 能 保 证 的 是 ( A )。 A.带 传 动 B. 链 传 动 C. 齿 轮 传 动 D. 螺 旋 传 动 8、 管 螺 纹 的 公 称 直 径 , 指 的 是 ( B )。 A. 螺 纹 大 径 B. 管 子 的 内径 C. 螺 纹 小 径 D.管 子 的 外径 9、 合 理 调 整 轴承间 隙 , 是 保 证 轴承寿 命 、 提 高 轴的 ( B ) 的 关 键 。 A. 旋 转 速 度 B. 旋 转 精 度 C. 表 面 粗 糙 度 10、 装配滚 动 轴承时 , 轴颈 的 圆 弧 半 径 应 ( B ) 轴承的 圆 弧 半 径 。 2 A. 大 于 B. 小 于 C. 等 于 11、轴上零件的轴向移动量较大 时,则采用( C )联接。 A. 半圆键 B. 导向平键 C. 滑键 D. 平键 12、V 带轮上的包角不能小 于 ( D ),以保证传递足够的功率。 A.45 度 B.60 度 C.90 度 D.120 度 13、日常检查是指( C )每天按照设备点检表所规定的检查项目,对设备进行检查。 A. 班组长 B. 车间主任 C. 操作人员 D.维修人员 14、定...

1、当您付费下载文档后,您只拥有了使用权限,并不意味着购买了版权,文档只能用于自身使用,不得用于其他商业用途(如 [转卖]进行直接盈利或[编辑后售卖]进行间接盈利)。
2、本站所有内容均由合作方或网友上传,本站不对文档的完整性、权威性及其观点立场正确性做任何保证或承诺!文档内容仅供研究参考,付费前请自行鉴别。
3、如文档内容存在违规,或者侵犯商业秘密、侵犯著作权等,请点击“违规举报”。

碎片内容

机修工试题库

确认删除?
VIP
微信客服
  • 扫码咨询
会员Q群
  • 会员专属群点击这里加入QQ群
客服邮箱
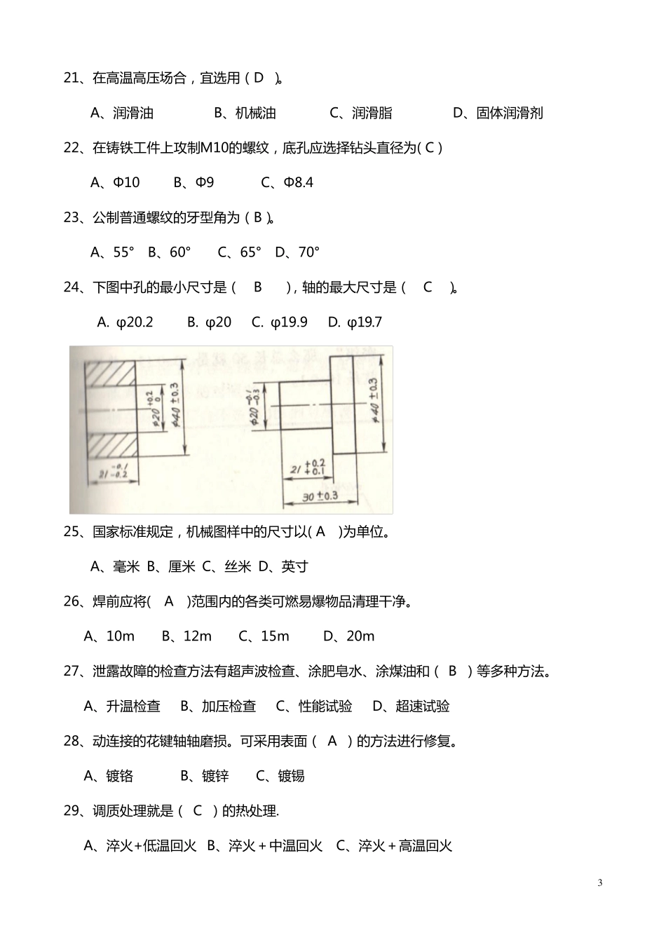
回到顶部