电脑桌面
添加小米粒文库到电脑桌面
安装后可以在桌面快捷访问

机房设备功率

机房设备功率_第1页
1/18
机房设备功率_第2页
2/18
机房设备功率_第3页
3/18
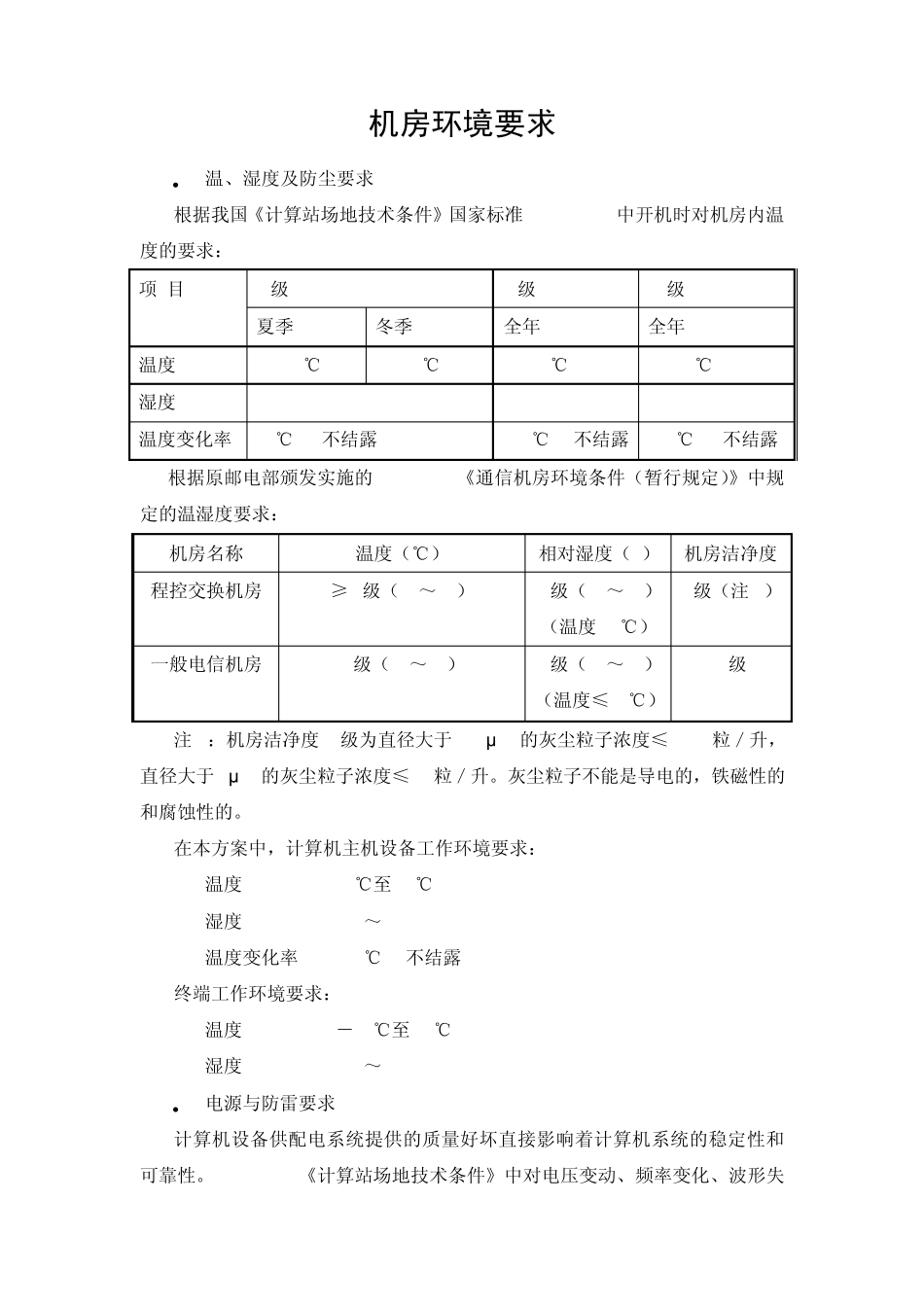
机房环境要求  温、湿度及防尘要求 根据我国《计算站场地技术条件》国家标准GB2887-89中开机时对机房内温度的要求: 项 目 A级 B级 C 级 夏季 冬季 全年 全年 温度 20~24℃ 18~22℃ 15~30℃ 10~35℃ 湿度 45%~65% 40%~70% 温度变化率 <5℃/h 不结露 <10℃/h不结露 <15℃/h 不结露 根据原邮电部颁发实施的GF014-95《通信机房环境条件(暂行规定)》中规定的温湿度要求: 机房名称 温度(℃) 相对湿度(%) 机房洁净度 程控交换机房 ≥B级(18~28) B级(20~80)(温度30℃) B级(注 1) 一般电信机房 C级(10~35) C级(10~90)(温度≤25℃) B级 注 1:机房洁净度B级为直径大于 0.5μ m的灰尘粒子浓度≤3500粒/升,直径大于 5μ m的灰尘粒子浓度≤30粒/升。灰尘粒子不能是导电的,铁磁性的和腐蚀性的。 在本方案中,计算机主机设备工作环境要求: 温度 10℃至 35℃ 湿度 10%~90% 温度变化率 <15℃/h不结露 终端工作环境要求: 温度 -10℃至 40℃ 湿度 10%~90%  电源与防雷要求 计算机设备供配电系统提供的质量好坏直接影响着计算机系统的稳定性和可靠性。GB2887-89《计算站场地技术条件》中对电压变动、频率变化、波形失真率分级如下表: 级别 指标 A级 B级 C级 电压变动,% -5~+5 -10~+7 -15~+10 频率变化,Hz -0.2~+0.2 -0.5~+0.5 -1~+1 波形失真率,% ≤±5 ≤±7 ≤±10 在本方案中,计算机主机设备电源要求: 电源 AC220±10%,50~60Hz 终端电源要求: 电源 AC220±10%,50~60Hz  机房地面负荷 地面负荷(压强)=(机柜重量+设备重量)/机柜底面积 负荷应不小于 450Kg/m2。 UPS承重要求负荷不小于 700 Kg/m2。 防火、防尘、防震及其他要求 机房防火要求应符合邮电部、公安部联合发布的 YD5002-94《邮电建筑防火设计标准》及 GB50045-95《高层民用建筑设计防火规范》中“一类民用建筑设计防火规定”。机房注重搞好消防设施,安装的火灾自动检测和告警装置及配备的灭火装置始终完好、正常。 机房内应无爆炸、导电、电磁的尘埃、无腐蚀金属、破坏绝缘的气体。 变电站和其他电源机房门窗、地槽、孔洞及线管等所采取防止小动物进入室内的措施完好。 在地震区的通信局(站),电源设备安装所采取的抗震加固措施完好。  机柜要求 采用 19英寸标准网络机柜,机柜高度为 42U,机柜深度 1000mm,机柜采用全钢材料,...

1、当您付费下载文档后,您只拥有了使用权限,并不意味着购买了版权,文档只能用于自身使用,不得用于其他商业用途(如 [转卖]进行直接盈利或[编辑后售卖]进行间接盈利)。
2、本站所有内容均由合作方或网友上传,本站不对文档的完整性、权威性及其观点立场正确性做任何保证或承诺!文档内容仅供研究参考,付费前请自行鉴别。
3、如文档内容存在违规,或者侵犯商业秘密、侵犯著作权等,请点击“违规举报”。

碎片内容

机房设备功率

小辰3+ 关注
实名认证
内容提供者

出售各种资料和文档

确认删除?
VIP
微信客服
  • 扫码咨询
会员Q群
  • 会员专属群点击这里加入QQ群
客服邮箱
回到顶部