电脑桌面
添加小米粒文库到电脑桌面
安装后可以在桌面快捷访问

机械制造工艺学课程设计题目

机械制造工艺学课程设计题目_第1页
1/28
机械制造工艺学课程设计题目_第2页
2/28
机械制造工艺学课程设计题目_第3页
3/28
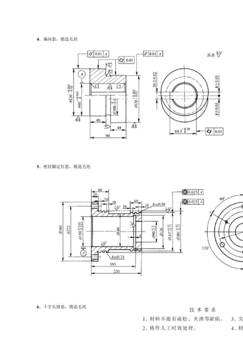
1 、连杆螺钉,毛坯为锻件 技术要求 1.调质处理 28~ 32HRC。 3.Φ 340-0.016mm 圆度、圆柱公差为 0.008mm。 2.材料 40Cr 4、磁粉探伤,无裂纹,夹渣等缺陷。 2 、活塞杆,毛坯为锻件 3 、输出轴,毛坯为Φ 9 0 棒料 技术要求 1.调质处理 28~32HRC。 3.未注圆角 R1。 2.材料 45。 4、保留中心孔。 4 、偏向套,锻造毛坯 5 、密封圈定位套,铸造毛坯 6 、十字头滑套,铸造毛坯 7 、活塞,铸造毛坯 技术要求 1.铸件时效处理。 3.活塞环槽 80+0.02mm 入口倒角为 0.3Χ 450。 2.材料 HT200。 4、未注明倒角 1X450。 8 、十字头,铸造毛坯 技术要求 1.铸件时效处理。 3.铸造圆角R5。 2.材料HT200。 4、未注明倒角1X450。 9 、圆柱齿轮,锻造毛坯 技术要求 齿轮基本参数 1.热处理:190~217HBS。 m=5 2. 未注明倒角1X450。 Z=63 3. 材料HT200。 a=200 精度等级 8-7-7GK 1 0 、镶铜套齿轮,锻造毛坯 1 1 .齿轮轴,锻造毛坯 1 2 、倒档齿轮,锻造毛坯 1 3 、齿条,毛坯为Φ 7 0 棒料 1 4 、矩形齿花键轴,Φ 4 0 棒料 技术要求 1.调质处理 28~32HRC。 3. 未注明倒角 0.5X450。 2.材料 45。 1 5 、矩形齿花键套,Φ 8 0 棒料 16、车床拨叉,铸造毛坯,两件合铸,加工到一定工序后切开,切口 2m m 。 17、轴承座,铸造毛坯 1 8 、惰轮轴,铸造毛坯 1 9 三轴连杆,锻造毛坯 2 0 、推动架,铸造毛坯 21、双联齿轮 均布均布 22、外齿轮 (模数 mn=10,齿数 z=97) 2 3 、内齿轮 2 4 、定位支座零件图 2 5 、摇杆零件图 2 6 、轴,材料为棒料 2 7 、内齿轮 α*a 2 8 、缸套 孔深数量缸套制图比例图号:校核技术要求缸套应进行正火热处理以消除残余应力改善机加工性能;缸套在粗加工后,应进行水压实验,以便及早消除残余应力;未注倒角;未注圆角半径其余2 9 、行星架 行 星 架 3 0 、齿轮轴 3 1 、皮带轮 A其余 技术要求 1.其余倒角为1×45°; 2,调质处理后齿面硬度为HB=170~210。A 445共 1 张1:2材 料数 量比 例长江大学 机械工程学院机械 30322007.6.5黄 晓 烽校核制图大 V 带 带 轮C×45° 3 2 、轴承座 3 3 、拨叉 150120 60361.60.02 B 1.6B4- 11φφ16 0.03 A13+0.035φ6000.81.66.360±0.052-φ8(配作)605A(105)R45φ 764-M8铸造圆角R5材料:HT200其余6....

1、当您付费下载文档后,您只拥有了使用权限,并不意味着购买了版权,文档只能用于自身使用,不得用于其他商业用途(如 [转卖]进行直接盈利或[编辑后售卖]进行间接盈利)。
2、本站所有内容均由合作方或网友上传,本站不对文档的完整性、权威性及其观点立场正确性做任何保证或承诺!文档内容仅供研究参考,付费前请自行鉴别。
3、如文档内容存在违规,或者侵犯商业秘密、侵犯著作权等,请点击“违规举报”。

碎片内容

机械制造工艺学课程设计题目

确认删除?
VIP
微信客服
  • 扫码咨询
会员Q群
  • 会员专属群点击这里加入QQ群
客服邮箱
回到顶部