电脑桌面
添加小米粒文库到电脑桌面
安装后可以在桌面快捷访问

机械铸造企业应急预案演练计划VIP专享

机械铸造企业应急预案演练计划_第1页
1/12
机械铸造企业应急预案演练计划_第2页
2/12
机械铸造企业应急预案演练计划_第3页
3/12
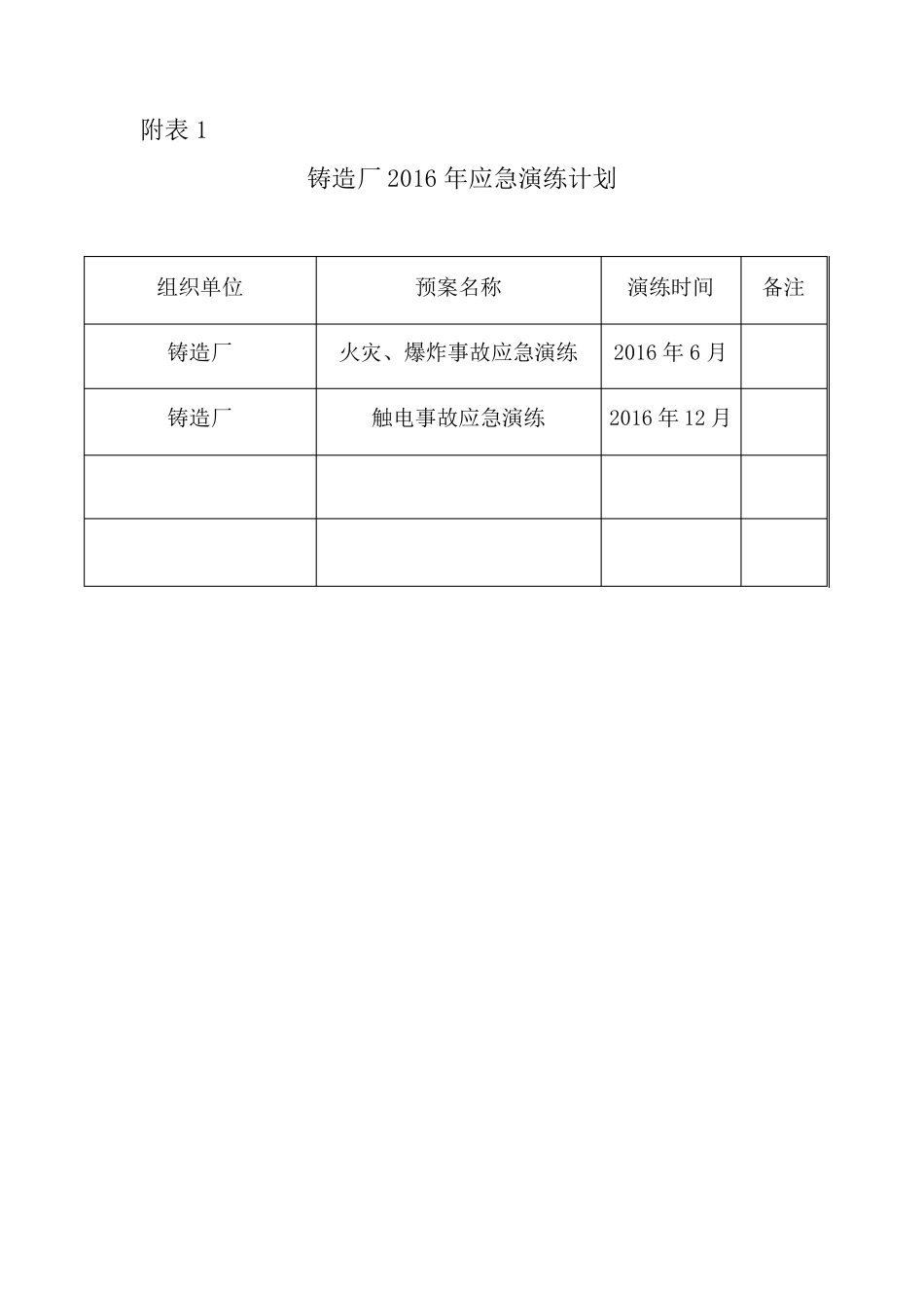
2016 年应急救援预案演练计划 一、总则 根据相关法律法规的要求,为适应突发事故应急救援的需要,通过演练,进一步加强我单位应急指挥部各成员单位之间的协同配合,提高应对突发事故的组织指挥、快速响应及处置能力,营造安全稳定的氛围,制定 2016 年应急救援预案演练计划。 二、应急演练目的 1、检验预案。通过开展应急演练,查找应急预案中存在的问题,进而完善应急预案,提高应急预案的可用性和可操作性。 2、完善准备。通过开展应急演练,检查应对突发事件所需应急队伍、物资、装备、技术等方面的准备情况,发现不足及时予以调整补充,做好应急准备工作。 3、锻炼队伍。通过开展应急演练,增强演练组织单位、参与单位和人员对应急预案的熟悉程序,提高其应急处置能力。 4、磨合机制。通过开展应急演练,进一步明确相关单位和人员的职责任务,完善应急机制。 5、科普宣传。通过开展应急演练,普及应急知识,提高职工风险防范意识和应对突发事故时自救互救的能力。 三 、应急演练要求 1、结 合实 际 ,合理 定位。紧 密 结 合应急管 理 工作实 际 ,明确演练目的,根据资源 条 件确定演练方式 和规模 。 2、着眼实战,讲求实效。以提高应急指挥人员的指挥协调能力、应急队伍的实战能力为着重点,重视对演练效果及组织工作的评估,总结推广好经验,及时整改存在的问题。 3、精心组织,确保安全。围绕演练目的,精心策划演练内容,周密组织演练活动,严格遵守相关安全措施,确保演练参与人员及演练装备设施的安全。 4、各单位要制定出应急演练方案交安全科审核,演练方案应包括演练单位、时间、地点、演练步骤等。 5、预案演练完成后应对此次演练内容进行评估,填写应急预案评审记录表和安全生产应急预案演练登记表后交安全科备案。 6、每年对应急预案本身进行一次评审。 铸造厂 2016 年 4 月 28 日 附:铸造厂 2016 年应急演练计划 附表1 铸造厂2016 年应急演练计划 组织单位 预案名称 演练时间 备注 铸造厂 火灾、爆炸事故应急演练 2016 年6 月 铸造厂 触电事故应急演练 2016 年12 月 附表2 应急预案演练/评审记录 单位: 年 月 日 应急主题 演练地点 演练过程简述: 演练负责人: 应急预案评审: 评审人员: 日期: 年 月 日 附 表 3 安 全 生 产 应 急 预 案 演 练 登 记 表 演 练 单 位 ( 盖 章 ) 预 案 名 称 演 练 类 别 ...

1、当您付费下载文档后,您只拥有了使用权限,并不意味着购买了版权,文档只能用于自身使用,不得用于其他商业用途(如 [转卖]进行直接盈利或[编辑后售卖]进行间接盈利)。
2、本站所有内容均由合作方或网友上传,本站不对文档的完整性、权威性及其观点立场正确性做任何保证或承诺!文档内容仅供研究参考,付费前请自行鉴别。
3、如文档内容存在违规,或者侵犯商业秘密、侵犯著作权等,请点击“违规举报”。

碎片内容

机械铸造企业应急预案演练计划

小辰2+ 关注
实名认证
内容提供者

出售各种资料和文档

确认删除?
VIP
微信客服
  • 扫码咨询
会员Q群
  • 会员专属群点击这里加入QQ群
客服邮箱
回到顶部